GM Service Manual Online
For 1990-2009 cars only
Figure 1:

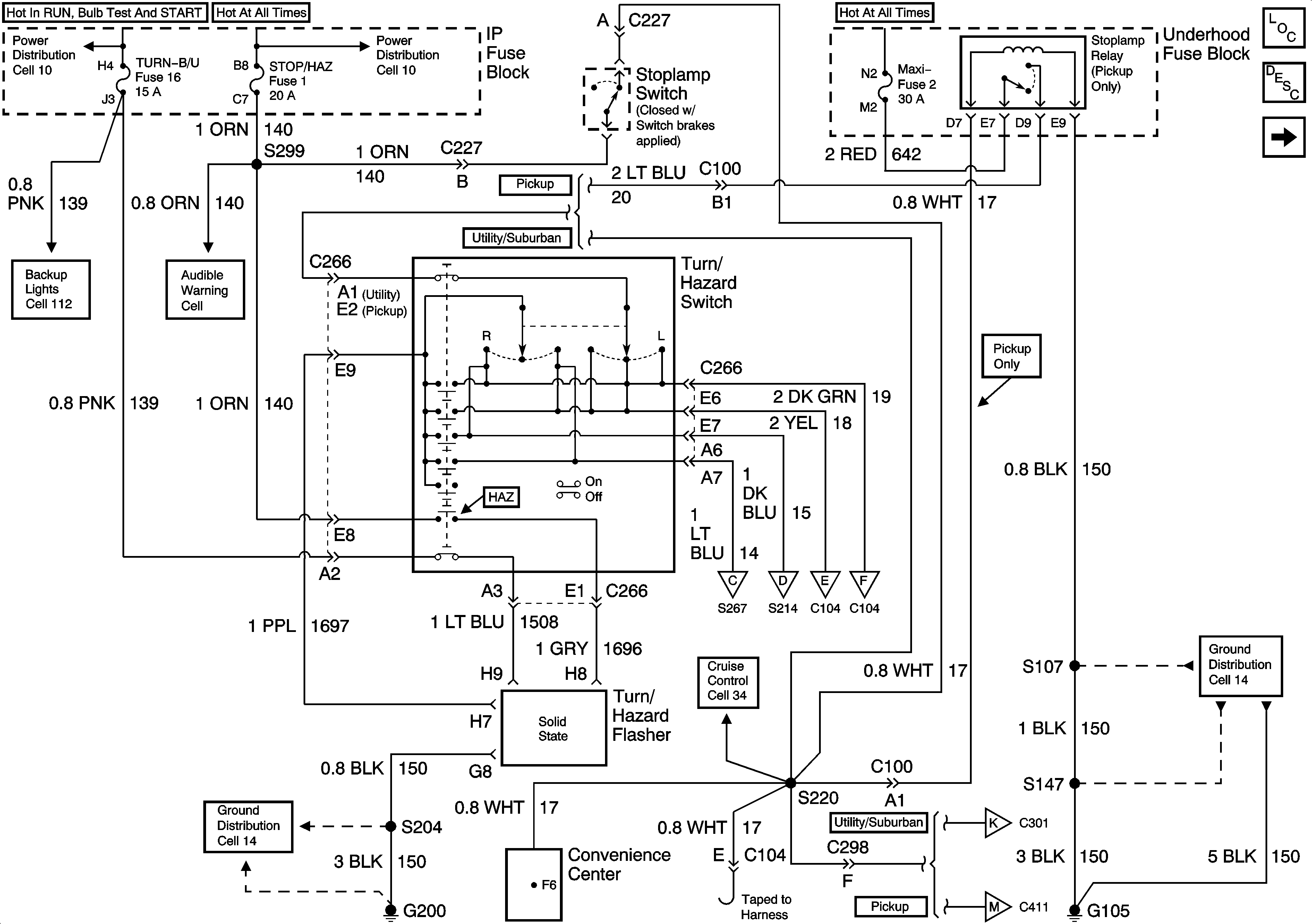
Cell 110: STOP/HAZ Fuse 1, Turn/Hazard Switch, Turn/Hazard Flasher


Object Number: 491555  Size: FS
Exterior Lights Circuit Description
Cell 110: Front Park and Turn Lamps, Roof Marker Lamps
Lighting Systems Components
Ground Distribution Schematics
Cell 110: AUX Fuse 22, Center High Mount Stop Lamp
Cell 110: CTSY Fuse 3, Cargo Lamp (Pickup Only)
Power Distribution Schematics
Power Distribution Schematics
Backup Lamp Schematics
Audible Warnings Schematics
Cell 110: Front Park and Turn Lamps, Roof Marker Lamps
Cell 110: Tail/Stop-Turn Lamps, Endgate Marker Lamps
Cruise Control Schematics Gasoline
Ground Distribution Schematics
Cell 110: Front Park and Turn Lamps, Roof Marker Lamps
Cell 110: Tail/Stop-Turn Lamps, Endgate Marker Lamps
Figure 2:

Cell 110: Front Park and Turn Lamps, Roof Marker Lamps


Object Number: 491562  Size: FS
Exterior Lights Circuit Description
Lighting Systems Components
Interior Lights Schematics
Cell 110: STOP/HAZ Fuse 1, Turn/Hazard Switch, Turn/Hazard Flasher
Cell 110: Tail/Stop-Turn Lamps, Endgate Marker Lamps
Handling ESD Sensitive Parts Notice
Ground Distribution Schematics
Cell 110: Tail/Stop-Turn Lamps, Endgate Marker Lamps
Fog Lights Schematics
Handling ESD Sensitive Parts Notice
Cell 110: Instrument Cluster, G103 and G104
Cell 110: STOP/HAZ Fuse 1, Turn/Hazard Switch, Turn/Hazard Flasher
Ground Distribution Schematics
Ground Distribution Schematics
Cell 110: Instrument Cluster, G103 and G104
Power Distribution Schematics
Ground Distribution Schematics
Cell 110: STOP/HAZ Fuse 1, Turn/Hazard Switch, Turn/Hazard Flasher
Figure 3:

Cell 110: Tail/Stop-Turn Lamps, Endgate Marker Lamps


Object Number: 491565  Size: FS
Exterior Lights Circuit Description
Cell 110: Instrument Cluster, G103 and G104
Cell 110: Front Park and Turn Lamps, Roof Marker Lamps
Cell 110: STOP/HAZ Fuse 1, Turn/Hazard Switch, Turn/Hazard Flasher
Cell 110: Trailer Tow
Cell 110: Front Park and Turn Lamps, Roof Marker Lamps
Cell 110: Trailer Tow
Cell 110: Trailer Tow
Cell 110: Trailer Tow
Cell 110: STOP/HAZ Fuse 1, Turn/Hazard Switch, Turn/Hazard Flasher
Lighting Systems Components
Figure 4:

Cell 110: Instrument Cluster, G103 and G104


Object Number: 491580  Size: FS
Lighting Systems Components
Exterior Lights Circuit Description
Cell 110: AUX Fuse 22, Center High Mount Stop Lamp
Cell 110: Tail/Stop-Turn Lamps, Endgate Marker Lamps
Cell 110: Front Park and Turn Lamps, Roof Marker Lamps
Cell 110: Front Park and Turn Lamps, Roof Marker Lamps
Handling ESD Sensitive Parts Notice
Instrument Cluster: Analog Schematics
Instrument Cluster: Analog Schematics
Ground Distribution Schematics
Ground Distribution Schematics
Figure 5:

Cell 110: AUX Fuse 22, Center High Mount Stop Lamp


Object Number: 491585  Size: FS
Exterior Lights Circuit Description
Cell 110: CTSY Fuse 3, Cargo Lamp (Pickup Only)
Cell 110: CTSY Fuse 3, Cargo Lamp (Pickup Only)
Lighting Systems Components
Cell 110: STOP/HAZ Fuse 1, Turn/Hazard Switch, Turn/Hazard Flasher
Power Distribution Schematics
Ground Distribution Schematics
Figure 6:

Cell 110: CTSY Fuse 3, Cargo Lamp (Pickup Only)


Object Number: 491596  Size: FS
Exterior Lights Circuit Description
Cell 110: AUX Fuse 22, Center High Mount Stop Lamp
Lighting Systems Components
Cell 110: Trailer Tow
Ground Distribution Schematics
Cell 110: STOP/HAZ Fuse 1, Turn/Hazard Switch, Turn/Hazard Flasher
Ground Distribution Schematics
Power Distribution Schematics
Power Distribution Schematics
Interior Lights Schematics
Interior Lights Schematics
Figure 7:

Cell 110: Trailer Tow


Object Number: 491631  Size: FS
Exterior Lights Circuit Description
Cell 110: CTSY Fuse 3, Cargo Lamp (Pickup Only)
Lighting Systems Components
Backup Lamp Schematics
Cell 110: Tail/Stop-Turn Lamps, Endgate Marker Lamps
Cell 110: Tail/Stop-Turn Lamps, Endgate Marker Lamps
Cell 110: Tail/Stop-Turn Lamps, Endgate Marker Lamps