GM Service Manual Online
For 1990-2009 cars only
Figure 1:

Audio Amplifier


Object Number: 340135  Size: MF
(1)Shock Sensor
(2)Shock Sensor Connector
(3)Vehicle Communication Unit
(4)Heated Seat Switch Rear Connector
(5)Stereo Controller, Rear
(6)Stereo Controller, Rear Connector
(7)Auxiliary Power Connector, Rear Console
(8)CD Changer
(9)CD Changer Connector
(10)Audio Amplifier
(11)Audio Amplifier Connectors
(12)Sub Woofer Connector C304
(14)Sub Woofer
(15)C305
(16)Security LED
(17)Console Trim Cover
(18)Body Control Module
Figure 2:

Auxiliary Power and Stereo Controller


Object Number: 340111  Size: MF
(1)Shock Sensor
(2)Shock Sensor Connector
(3)Vehicle Communication Unit
(4)Heated Seat Switch Rear Connector
(5)Stereo Controller, Rear
(6)Stereo Controller, Rear Connector
(7)Auxiliary Power Connector, Rear Console
(8)CD Changer
(9)CD Changer Connector
(10)Audio Amplifier
(11)Audio Amplifier Connectors
(12)Sub Woofer Connector
(13)C304
(14)Sub Woofer
(15)C305
(16)Security LED
(17)Console Trim Cover
(18)Body Control Module C1, C2, and C3
Figure 3:

CD Changer


Object Number: 340133  Size: MF
(1)Shock Sensor
(2)Shock Sensor Connector
(3)Vehicle Communication Unit
(4)Heated Seat Switch Rear Connector
(5)Stereo Controller, Rear
(6)Stereo Controller, Rear Connector
(7)Auxiliary Power Connector, Rear Console
(8)CD Changer
(9)CD Changer Connector
(10)Audio Amplifier
(11)Audio Amplifier Connectors
(12)Sub Woofer Connector
(13)C304
(14)Sub Woofer
(15)C305
(16)Security LED
(17)Console Trim Cover
(18)Body Control Module C1, C2, and C3
Figure 4:

Radio Wiring


Object Number: 331838  Size: MF
(1)IP Harness
(2)Radio Connector, C2
(3)Radio Connector, C1
(4)Radio Connector, C3
Figure 5:

Rear Speakers


Object Number: 311431  Size: MF
(1)Rear Speaker Connector, RR
(2)Rear Speaker, RR
(3)Front to Rear Body Harness
(4)Rear Speaker, LR
(5)Rear Speaker Connector, LR
Figure 6:

Radio Speaker Jumper Harness


Object Number: 277996  Size: MF
(1)Radio
(2)Speaker Harness
(3)Turn/Hazard Flasher Wiring
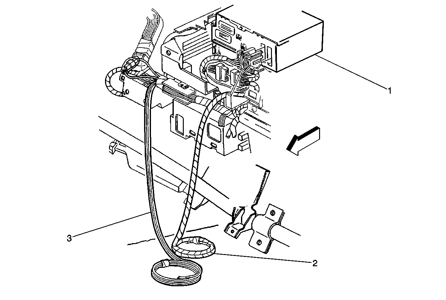
Figure 7:

Rear Speakers (Regular Cab)


Object Number: 277993  Size: MF
(1)Left and Right Rear Speakers
(1)Left and Right Rear Speakers