GM Service Manual Online
For 1990-2009 cars only
Figure 1:

Gauges


Object Number: 366007  Size: FS
Instrument Cluster Components
Instrument Cluster Circuit Description
Indicator Lamps
Cell 10: IGN A Fuse and Ignition Switch
Cell 10: AIR BAG, TURN B/U, CRANK, and TRANS Fuses
Cell 10: GAUGES Fuse
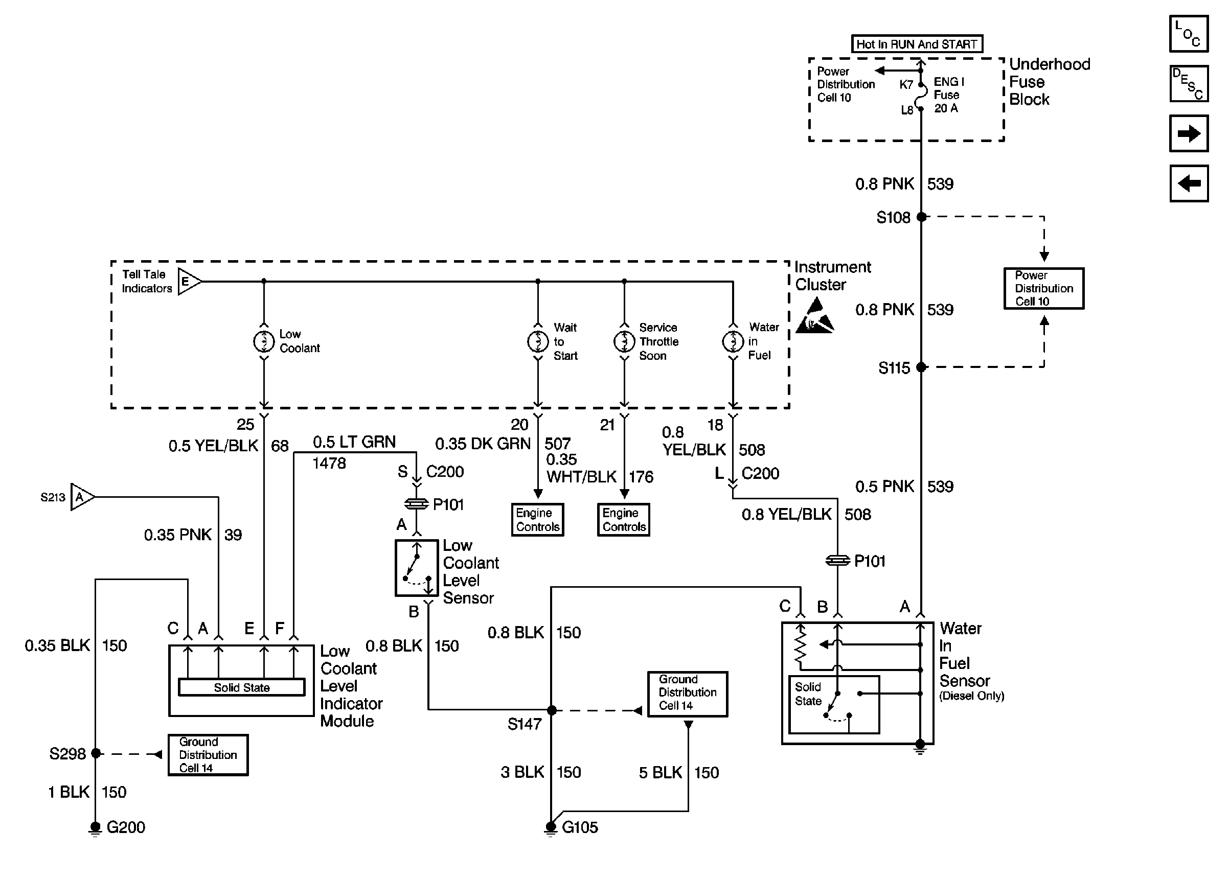
Indicator Lamps (Diesel Only)
Indicator Lamps
Electronic PRNDL
Handling ESD Sensitive Parts Notice
Indicator Lamps
Generator Controls (Gas)
Handling ESD Sensitive Parts Notice
Handling ESD Sensitive Parts Notice
Handling ESD Sensitive Parts Notice
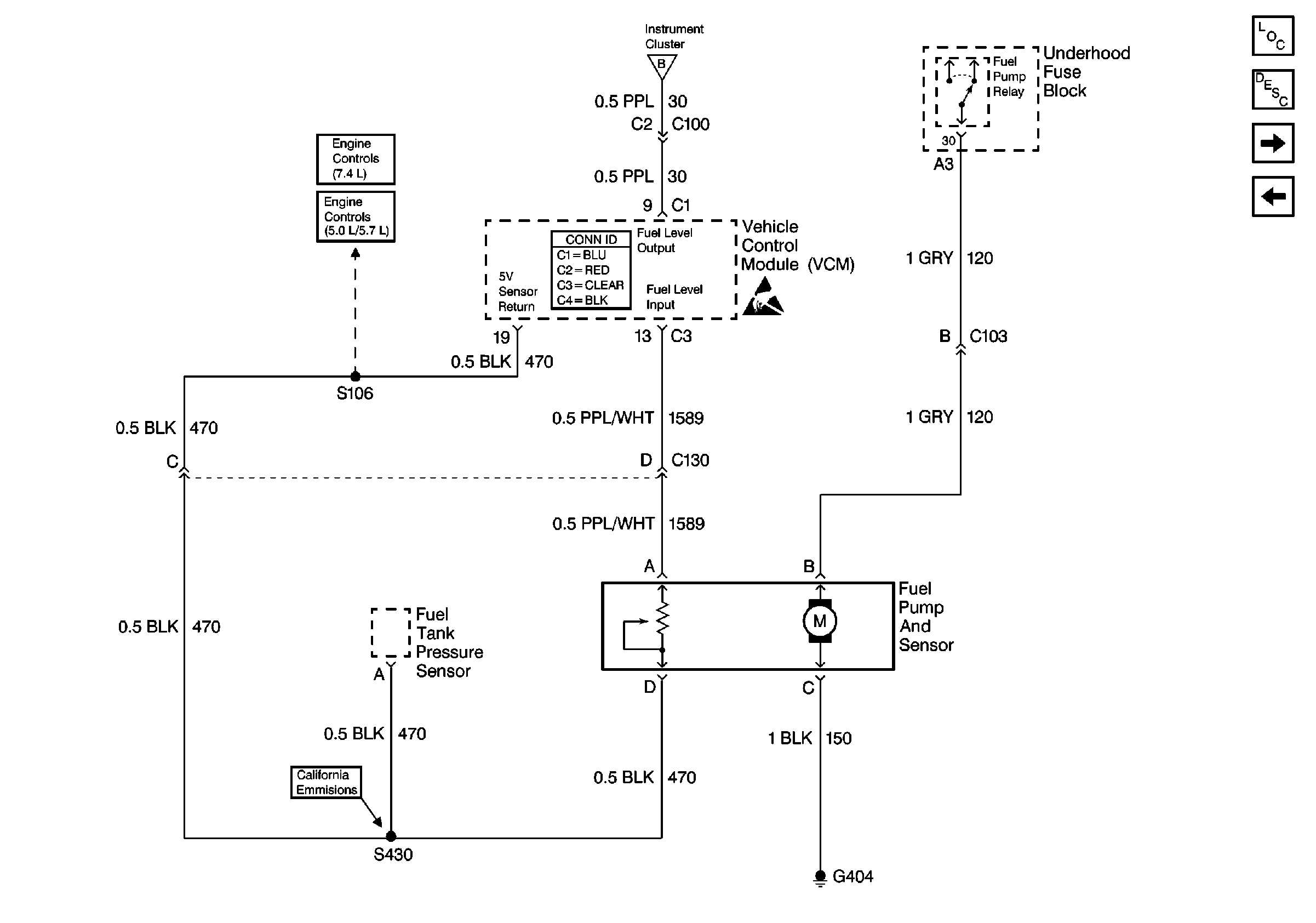
Fuel Gauge Sender (Single Tank, Gas)
Fuel Gauge Sender (Dual Tank, Gas)
Fuel Gauge Sender(s) (Diesel)
Figure 2:

Indicator Lamps


Object Number: 366030  Size: FS
Instrument Cluster Components
Instrument Cluster Circuit Description
Indicator Lamps (Diesel Only)
Gauges
Cell 117: PK LPS Fuse 9, ILLUM Fuse 14, Headlamp and Panel Dimmer Switch(2 of 2)
Cell 76
Cell 110: Instrument Cluster, G103 and G104
Cell 102: DRL Module, DRL Relay
Indicator Lamps (Diesel Only)
Gauges
Gauges
Cell 14: G103 and G104
Cell 11: G104 Diesel
Cell 14: G103 and G104
Cell 11: G104 Diesel
Power, GND and DLC
Cell 102: DRL Module, DRL Relay
Cell 100: LIGHTING Fuse 8 (Export)
Fuse, DRL Module, Park Brake Switch, I/C
ABS Schematics 99C/K
Power, Ground and DLC
PWR, GND, and DLC
Power, Ground, and DLC
4WD, IAC and Upshift Controls
Cell 133
Figure 3:

Indicator Lamps (Diesel Only)


Object Number: 424811  Size: FS
Instrument Cluster Components
Instrument Cluster Circuit Description
Fuel Gauge Sender (Single Tank, Gas)
Indicator Lamps
Cell 10: IGN A Fuse and Ignition Switch
Cell 10: ENG 1 and ECM 1 Fuses (Diesel)
Indicator Lamps
Handling ESD Sensitive Parts Notice
Gauges
Glow Plug Controls
PWR, GND, and DLC
Cell 14: G200 (4 of 4)
Cell 14: G200 (1 of 4)
Cell 14: G105 (1 of 2)
Figure 4:

Fuel Gauge Sender (Single Tank, Gas)


Object Number: 368183  Size: FS
Instrument Cluster Components
Instrument Cluster Circuit Description
Fuel Gauge Sender (Dual Tank, Gas)
Indicator Lamps (Diesel Only)
Gauges
Engine Sensors
VCM and Engine Sensors
Handling ESD Sensitive Parts Notice
Cell 14: G103 and G104
Figure 5:

Fuel Gauge Sender (Dual Tank, Gas)


Object Number: 366020  Size: FS
Instrument Cluster Components
Instrument Cluster Circuit Description
Fuel Gauge Sender(s) (Diesel)
Fuel Gauge Sender (Single Tank, Gas)
Cell 10: IGN A Fuse and Ignition Switch
Gauges
Cell 10: IGN E Fuse
Handling ESD Sensitive Parts Notice
VCM and Engine Sensors
Engine Sensors
VCM and Engine Sensors
Engine Sensors
Handling ESD Sensitive Parts Notice
Handling ESD Sensitive Parts Notice
Figure 6:

Fuel Gauge Sender(s) (Diesel)


Object Number: 366036  Size: FS
Instrument Cluster Components
Instrument Cluster Circuit Description
Electronic PRNDL
Fuel Gauge Sender (Dual Tank, Gas)
Cell 10: IGN A Fuse and Ignition Switch
Gauges
Fuel Controls
Cell 10: IGN E Fuse
Handling ESD Sensitive Parts Notice
Cell 11: G104 Diesel
Cell 11: G104 Diesel
Figure 7:

Electronic PRNDL


Object Number: 366039  Size: FS
Instrument Cluster Components
Instrument Cluster Circuit Description
Fuel Gauge Sender(s) (Diesel)
Cell 117: PK LPS Fuse 9, ILLUM Fuse 14, Headlamp and Panel Dimmer Switch (1 of 2)
Cell 10: AIR BAG, TURN B/U, CRANK, and TRANS Fuses
Cell 117: PK LPS Fuse 9, ILLUM Fuse 14, Headlamp and Panel Dimmer Switch(2 of 2)
Handling ESD Sensitive Parts Notice
Cell 11: G104 Diesel
Cell 14: G103 and G104
Cell 14: G105 (2 of 2)
Cell 14: G103 and G104
Cell 11: G104 Diesel
Cell 14: G105 (1 of 2)