GM Service Manual Online
For 1990-2009 cars only
Makes
🢒
Chevrolet
🢒
1999
🢒
Chevy Suburban - 2WD
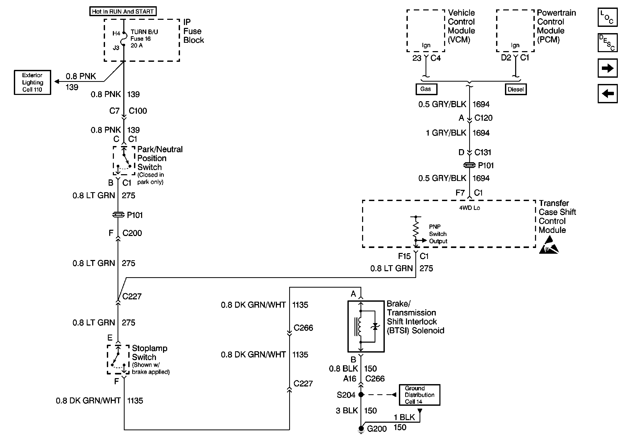
🢒 VCM. PCM, BTSI Solenoid
VCM. PCM, BTSI Solenoid
VCM. PCM, BTSI Soleniod
Handling ESD Sensitive Parts Notice
Cell 14: G200 (1 of 4)
Cell 110: STOP/HAZ Fuse 1, Turn/Hazard Switch, Turn/Hazard Flasher
Front Axle Actuator, Transfer Case Shift Control Module
IP Fuse Block, Transfer Case Select Switch