| Figure 1: |
Module Power, Ground, Serial Data, and MIL
|
| Figure 2: |
Engine Data Sensors - 5-Volt and Low Reference
|
| Figure 3: |
Engine Data Sensors - Pressure, Temperature,
MAF, and VSS
|
| Figure 4: |
Engine Data Sensors - Oxygen Sensors
|
| Figure 5: |
Engine Data Sensors - Electronic Throttle
Controls
|
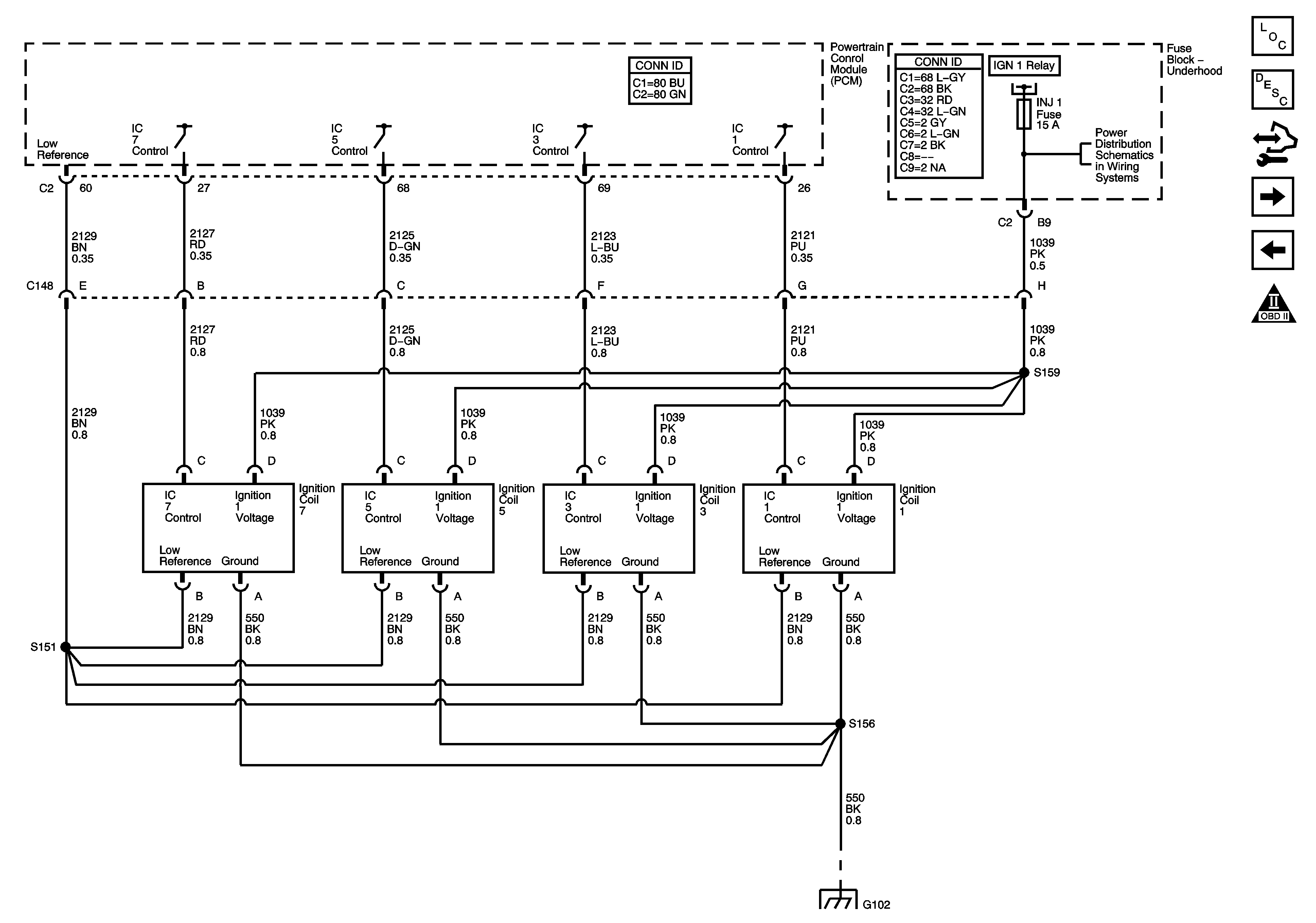
| Figure 6: |
Ignition Controls - Ignition System Coils
1, 3, 5, and 7
|
| Figure 7: |
Ignition Controls - Ignition System Coils
2, 4, 6, and 8
|
| Figure 8: |
Ignition Controls - Sensors
|
| Figure 9: |
Fuel Controls - Fuel Pump Controls
|
| Figure 10: |
Fuel Controls - Fuel Injectors
|
| Figure 11: |
Fuel Controls - EVAP Controls
|
| Figure 12: |
Transmission and Controlled/Monitored Subsystem
References
|