Important: Clean all fuel and evaporative emission (EVAP) line connections and surrounding areas prior to disconnecting the lines in order to avoid possible fuel and/or EVAP system contamination.
Important: Clean all fuel and evaporative emission (EVAP) line connections and surrounding areas prior to disconnecting the lines in order to avoid possible fuel and/or EVAP system contamination.
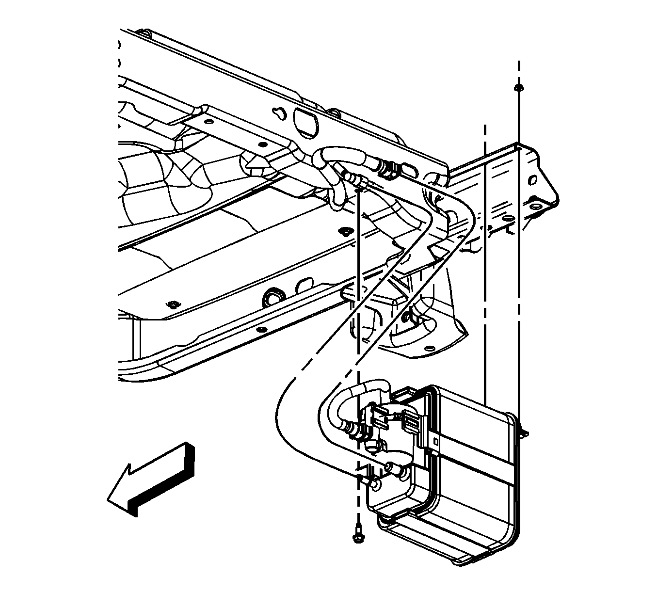
Notice: Refer to Damage to Fuel Tank Straps Notice in the Preface section.
Notice: Refer to Fastener Notice in the Preface section.
Tighten
Tighten the bolts to 40 N·m (30 lb ft).
Tighten
Tighten the bolts to 50 N·m (37 lb ft).
Tighten
Tighten the bolts to 2.3 N·m (20 lb in).
Tighten
Tighten the screws to 2.3 N·m (20 lb in).
| 21.1. | Turn the ignition ON, with the engine OFF, for 2 seconds. |
| 21.2. | Turn the ignition OFF for 10 seconds. |
| 21.3. | Turn the ignition ON, with the engine OFF. |
| 21.4. | Inspect for fuel leaks. |