GM Service Manual Online
For 1990-2009 cars only
Makes
🢒
Chevrolet
🢒
2007
🢒
Chevy Suburban - 2WD
🢒
Driver Information and Entertainment
🢒
Cellular, Entertainment, and Navigation
🢒 OnStar Schematics
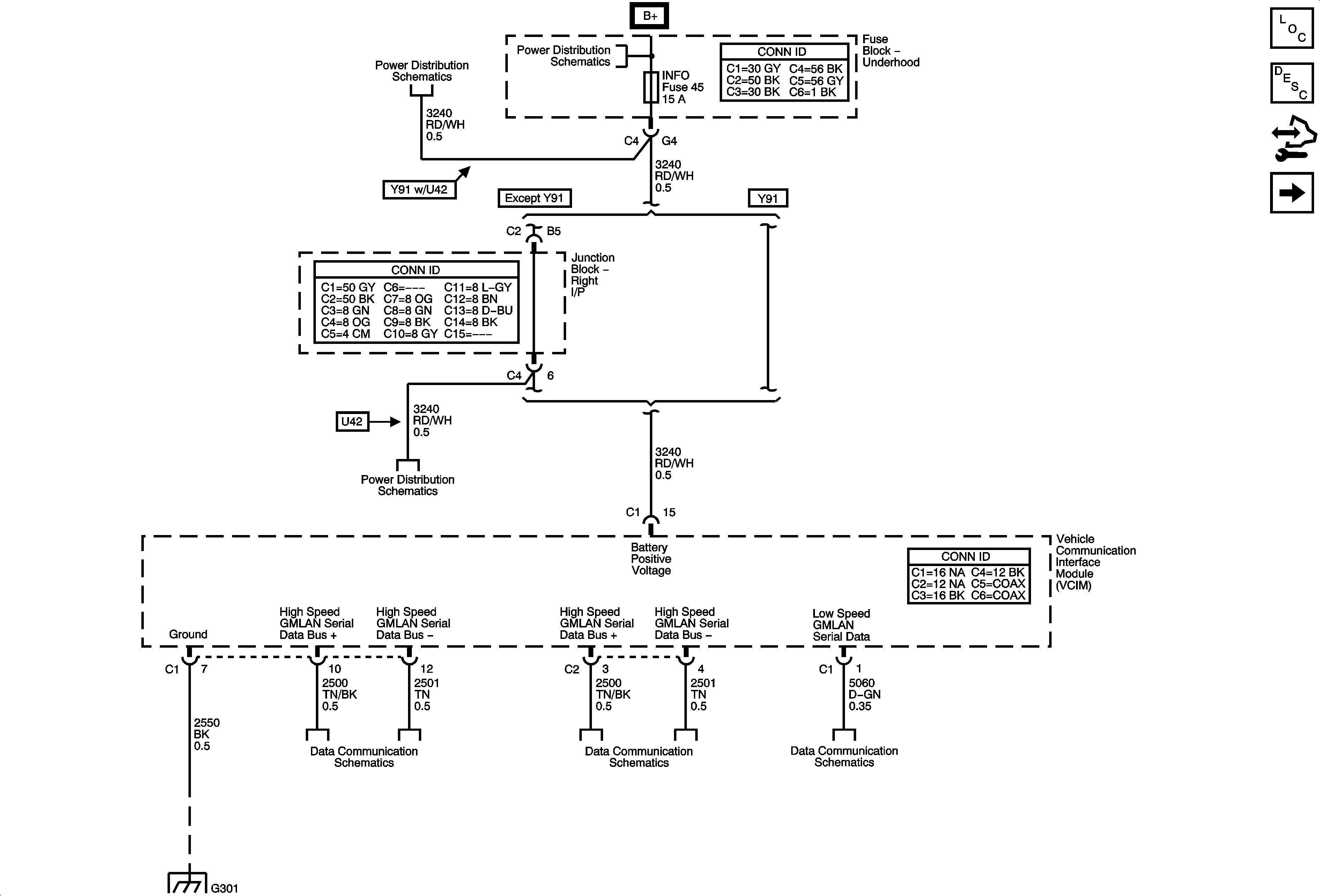
Figure
1:
Module Power, Ground, and Serial Data
Master Electrical Component List
OnStar Description and Operation
Control Module References
Communication Signals and Control
B+ Bus - 1 of 3
AMP, ELEC RUN BOARD, ESC/ALC EXH, EXP/BRK MDL, INFO, and TREC Fuses
AMP, ELEC RUN BOARD, ESC/ALC EXH, EXP/BRK MDL, INFO, and TREC Fuses
G301
High Speed Bus - 1 of 2
High Speed Bus - 1 of 2
Low Speed Bus - SP200 - 1 of 3
Figure
2:
Communication Signals and Control
Master Electrical Component List
OnStar Description and Operation
Control Module References
Module Power, Ground, and Serial Data
G200 - 1 of 2