| Figure 1: |
Rear Object Sensing (UD7)
|
| Figure 2: |
Rear Object Sensors (UD7)
|
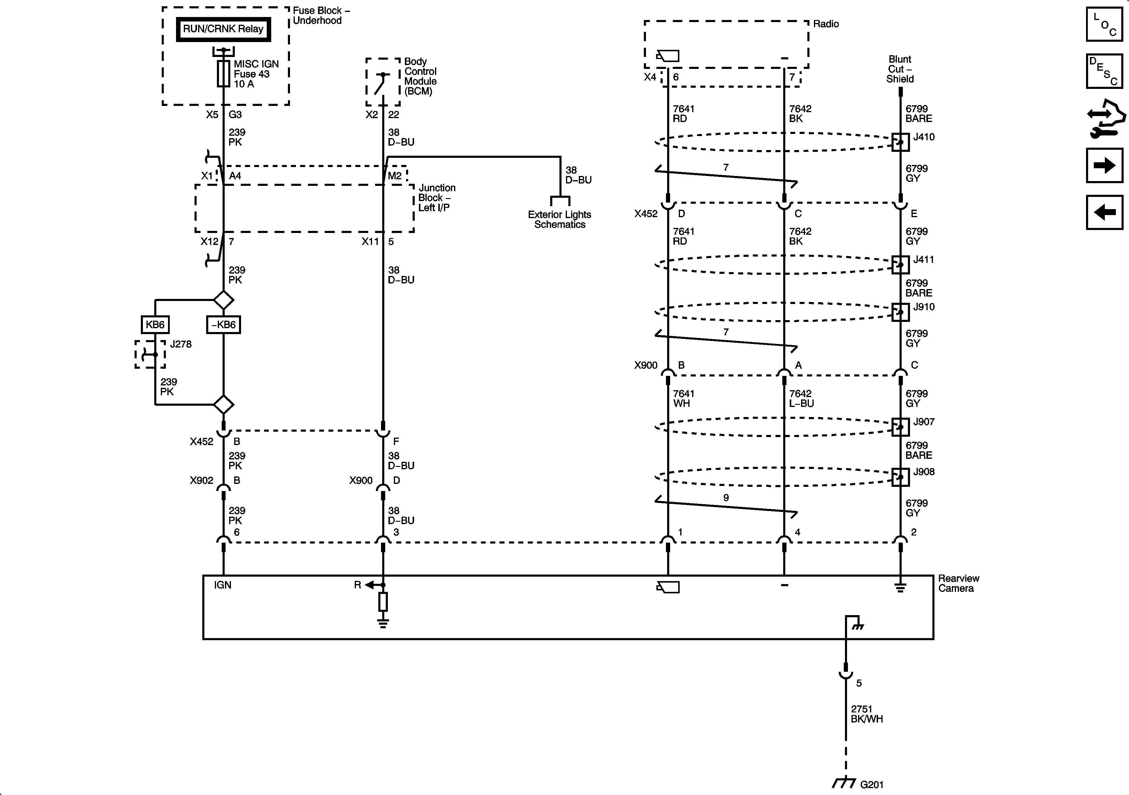
| Figure 3: |
Rear Video Camera - 1 of 2 (UVC)
|
| Figure 4: |
Rear Video Camera 2 of 2 (UVC)
|
| Figure 5: |
SPO Accessory Rear Vision Camera
|
| Figure 6: |
Side Object Detection - UFT
|