GM Service Manual Online
For 1990-2009 cars only
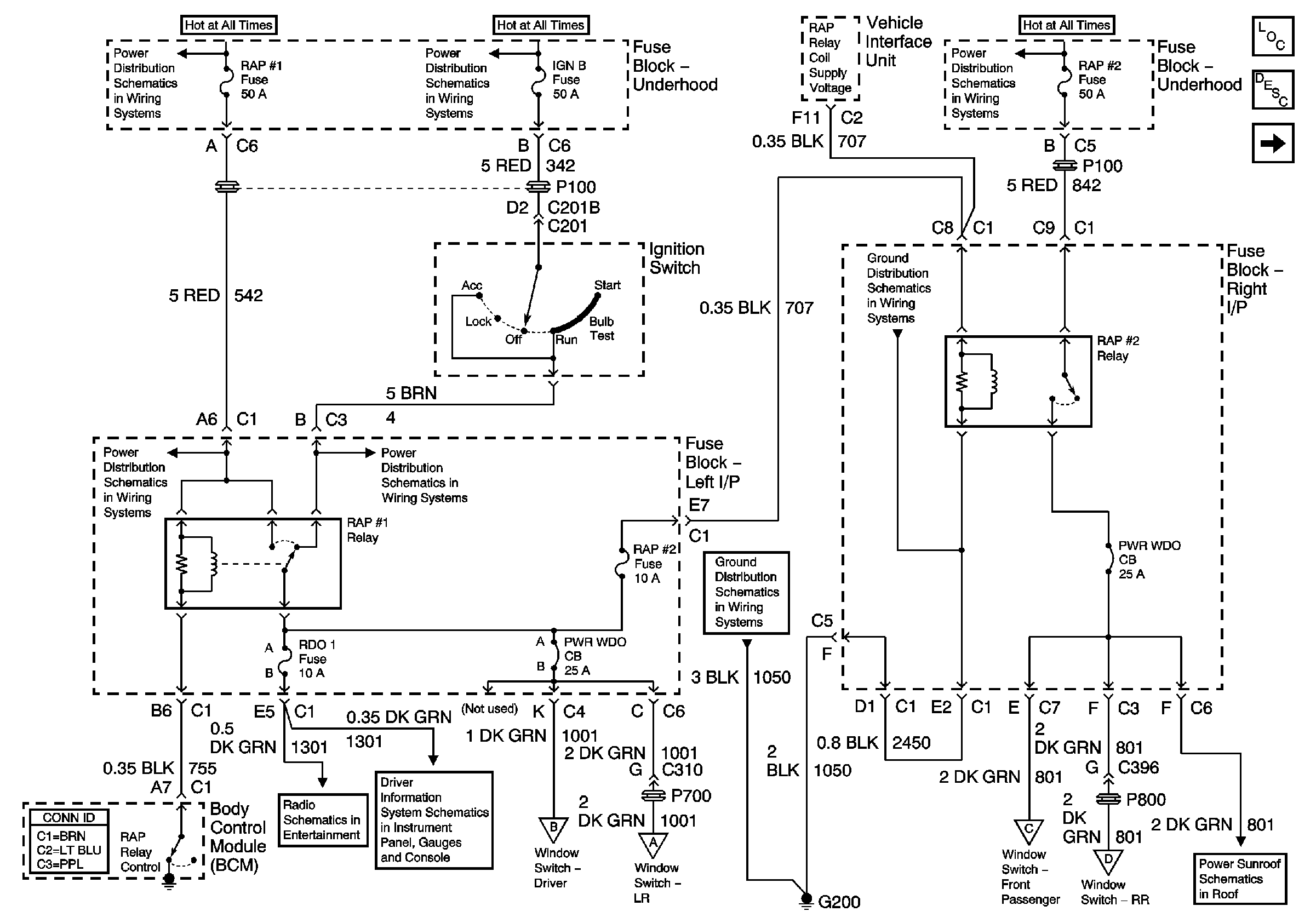
Figure 1:

RAP Relay Controls


Object Number: 745046  Size: FS
Master Electrical Component List
Power Windows Description and Operation
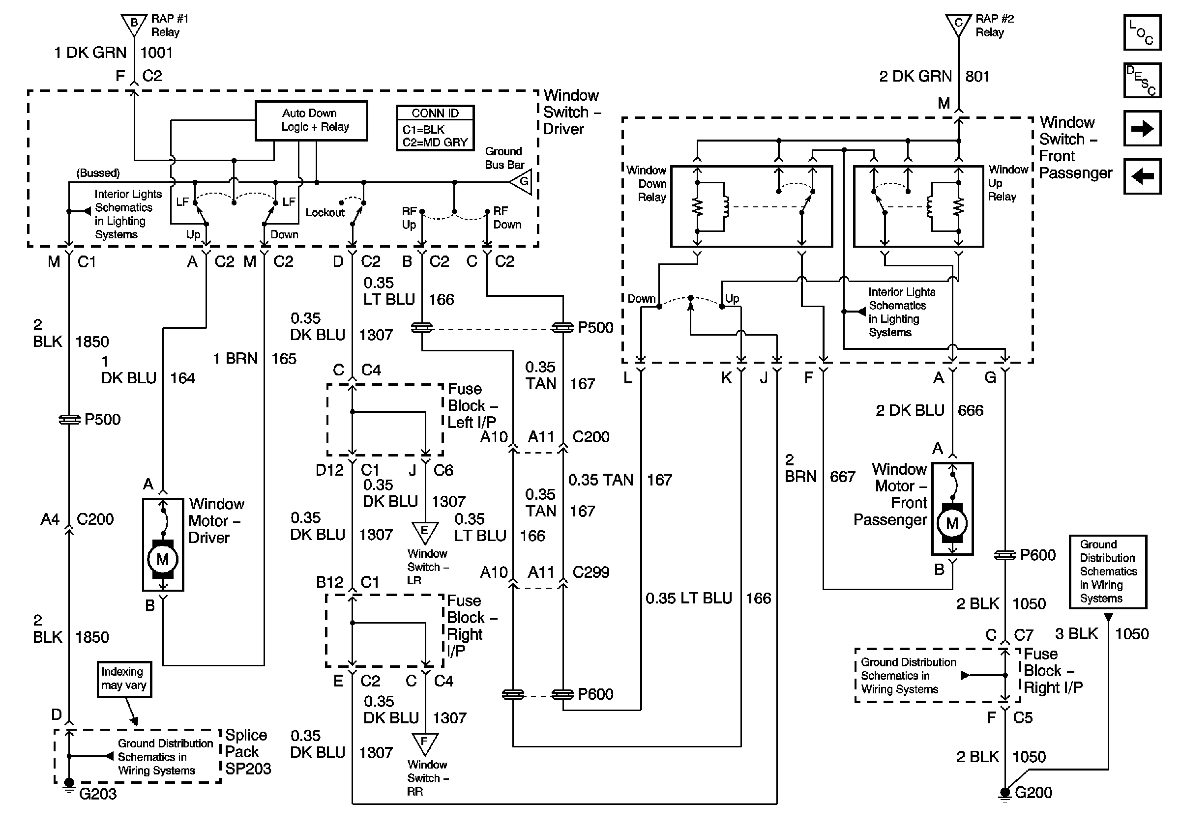
Window Switches and Motors-Front Doors
IGNITION, RUN, ACCESSORY, and RAP Bus Bars - RAP #1 and RAP #2 Fuses
IGNITION, RUN, ACCESSORY, and RAP Bus Bars - RAP #1 and RAP #2 Fuses
IGNITION, RUN, ACCESSORY, and RAP Bus Bars - RAP #1 and RAP #2 Fuses
G200 - 1 of 2
IGNITION, RUN, ACCESSORY, and RAP Bus Bars - RAP #1 and RAP #2 Fuses
IGNITION, RUN, ACCESSORY, and RAP Bus Bars - RAP #1 and RAP #2 Fuses
G200 - 1 of 2
Power, Ground and Subsystem References - Base
Driver Information Center (DIC)
Window Switches and Motors-Front Doors
Window Switches and Motor-LR
Window Switches and Motors-Front Doors
Window Switches and Motor-RR
2002 Power Sunroof
Figure 2:

Window Switches and Motors-Front Doors


Object Number: 745048  Size: FS
Master Electrical Component List
Power Windows Description and Operation
Window Switches and Motor-LR
RAP Relay Controls
RAP Relay Controls
RAP Relay Controls
Parklamp Control, INT PRK and PARK LPS Fuses
Window Switches and Motor-LR
Interior Parklamp Supply - 3 of 3
Window Switches and Motor-LR
G203 - 1 of 4
Window Switches and Motor-RR
G200 - 1 of 2
G200 - 1 of 2
Figure 3:

Window Switches and Motor-LR


Object Number: 745050  Size: FS
Master Electrical Component List
Power Windows Description and Operation
Window Switches and Motor-RR
Window Switches and Motors-Front Doors
Window Switches and Motors-Front Doors
Window Switches and Motor-RR
RAP Relay Controls
Interior Parklamp Supply - 2 of 3
G305
Window Switches and Motors-Front Doors
Figure 4:

Window Switches and Motor-RR


Object Number: 745052  Size: FS
Master Electrical Component List
Power Windows Description and Operation
Window Switches and Motor-LR
Window Switches and Motor-LR
RAP Relay Controls
Window Switches and Motor-LR
Interior Parklamp Supply - 3 of 3
G306
Window Switches and Motors-Front Doors