GM Service Manual Online
For 1990-2009 cars only

Exterior Lights Schematics Avalanche w/o Rear Bussing Block

Figure 1:

Hazard Flasher, Turn Signal, and Stop Lamp Control


Object Number: 744986  Size: FS
Master Electrical Component List
Exterior Lighting Systems Description and Operation
Park/Turn Signal Lamps
STOP, TURN, and HAZARD Bus Bars
STOP, TURN, and HAZARD Bus Bars
STOP, TURN, and HAZARD Bus Bars
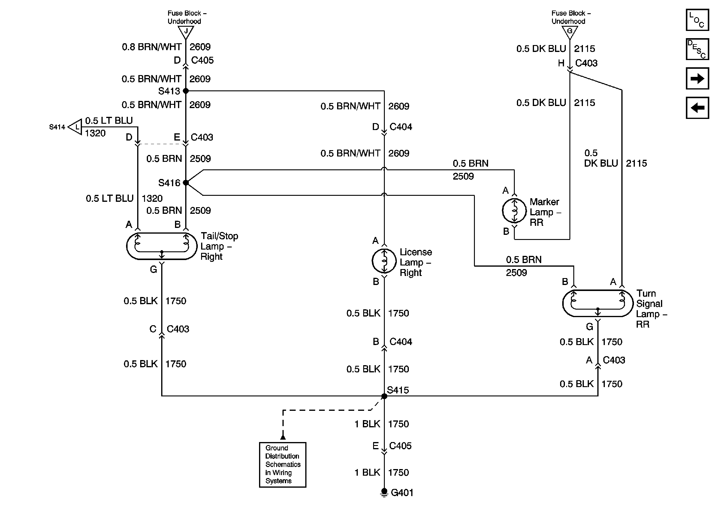
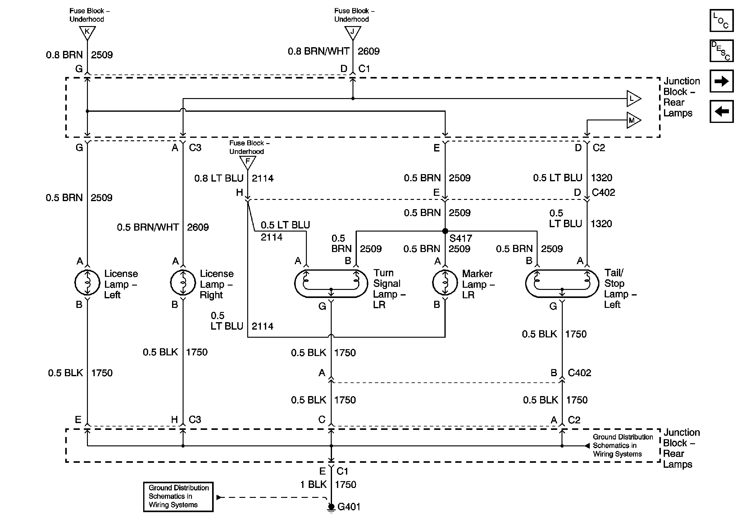
License, Turn Signal, Tail/Stop Lamps
G203 - 1 of 4
G203 - 1 of 4
Park/Turn Signal Lamps
Park/Turn Signal Lamps
STOP, TURN, and HAZARD Bus Bars
Figure 2:

Park/Turn Signal Lamps


Object Number: 744987  Size: FS
Master Electrical Component List
Exterior Lighting Systems Description and Operation
Park Lamp Control
Hazard Flasher, Turn Signal, and Stop Lamp Control
Hazard Flasher, Turn Signal, and Stop Lamp Control
Hazard Flasher, Turn Signal, and Stop Lamp Control
Park Lamp Control
Park Lamp Control
Park Lamp Control
Park Lamp Control
License, Turn Signal, Tail/Stop Lamps
License, Turn Signal, Tail/Stop Lamps
G100 and G110
Figure 3:

Park Lamp Control


Object Number: 744988  Size: FS
Master Electrical Component List
Exterior Lighting Systems Description and Operation
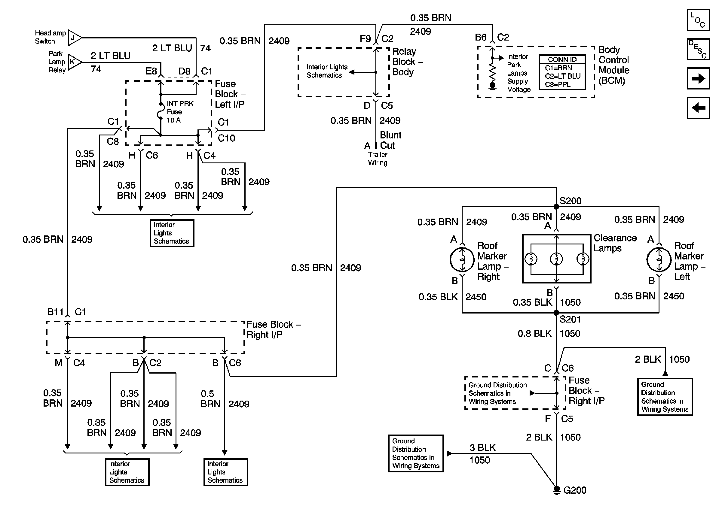
Park Lamp Supply and Clearance Lamps
Park/Turn Signal Lamps
ABS, HAZ LP, STUD 1, STUD 2, CTSY LP, and PARK LP Fuses
Power, Ground and Dimming Control
FR PRK, TRL PRK, HORN Fuses, FOG LAMP and HORN Relays
Park Lamp Supply and Clearance Lamps
Park Lamp Supply and Clearance Lamps
Park/Turn Signal Lamps
Park/Turn Signal Lamps
Park/Turn Signal Lamps
Park/Turn Signal Lamps
Park Lamp Supply and Clearance Lamps
Park Lamp Supply and Clearance Lamps
License, Turn Signal, Tail/Stop Lamps
License, Turn Signal, Tail/Stop Lamps
Figure 4:

Park Lamp Supply and Clearance Lamps


Object Number: 744990  Size: FS
Master Electrical Component List
Exterior Lighting Systems Description and Operation
CHMSL Control
Park Lamp Control
Park Lamp Control
Park Lamp Control
Parklamp Control, INT PRK and PARK LPS Fuses
Interior Parklamp Supply - 2 of 3
Interior Parklamp Supply - 3 of 3
Interior Parklamp Supply - 3 of 3
G200 - 1 of 2
G200 - 1 of 2
G200 - 1 of 2
Figure 5:

CHMSL Control


Object Number: 813047  Size: FS
Master Electrical Component List
Exterior Lighting Systems Description and Operation
License, Turn Signal, Tail/Stop Lamps
Park Lamp Supply and Clearance Lamps
TRL L TRN, TRL R TURN, VEH STOP - 1 of 2, and CHMSL Fuses
G306
Figure 6:

License, Turn Signal, Tail/Stop Lamps


Object Number: 744992  Size: FS
Master Electrical Component List
Exterior Lighting Systems Description and Operation
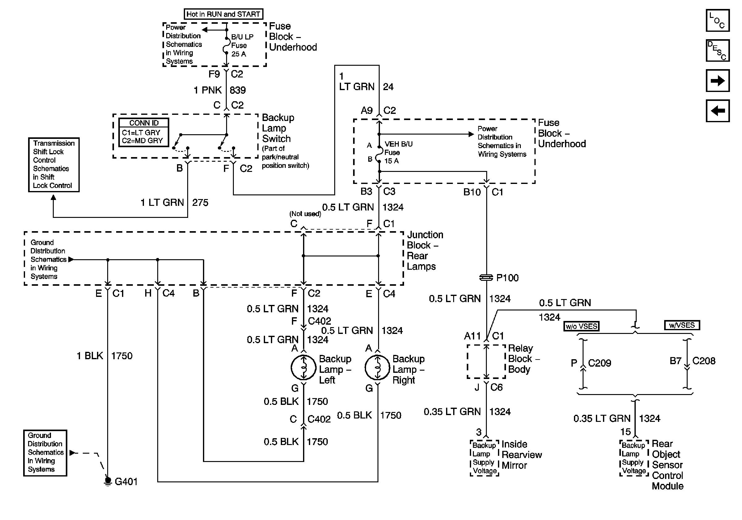
Backup Lamps
CHMSL Control
Park Lamp Control
Park Lamp Control
Park/Turn Signal Lamps
G401 - Avalanche Built Before July, 16 2001 and 4WD Escalade
G401 - Avalanche Built Before July, 16 2001 and 4WD Escalade
Park/Turn Signal Lamps
G401 - Avalanche Built Before July, 16 2001 and 4WD Escalade
Figure 7:

Backup Lamps


Object Number: 812887  Size: FS
Master Electrical Component List
Exterior Lighting Systems Description and Operation
Exterior Illumination Control
License, Turn Signal, Tail/Stop Lamps
B/U LP, BTSI, VEH B/U - 1 of 2, and TRL B/U Fuses
B/U LP, BTSI, VEH B/U - 1 of 2, and TRL B/U Fuses
2002 Shift Lock Control
G401 - Avalanche Built Before July, 16 2001 and 4WD Escalade
G401 - Avalanche Built Before July, 16 2001 and 4WD Escalade
Figure 8:

Exterior Illumination Control


Object Number: 744993  Size: FS
Master Electrical Component List
Exterior Lighting Systems Description and Operation
Trailer Wiring
Backup Lamps
SEO 1, SEO 2, and AUX PWR Fuses
SEO 1, SEO 2, and AUX PWR Fuses
Outside Rearview Mirror Heater Control
Outside Rearview Mirror Heater Control
SEO 1, SEO 2, and AUX PWR Fuses
Window Switches and Motors-Front Doors
G203 - 1 of 4
Window Switches and Motors-Front Doors
G200 - 1 of 2
G200 - 1 of 2
Figure 9:

Trailer Wiring


Object Number: 744991  Size: FS
Master Electrical Component List
Exterior Lighting Systems Description and Operation
Roof Beacon
Exterior Illumination Control
ABS, HAZ LP, STUD 1, STUD 2, CTSY LP, and PARK LP Fuses
G203 - 3 of 4
G203 - 1 of 4
G401 - Avalanche Built Before July, 16 2001 and 4WD Escalade
Figure 10:

Roof Beacon


Object Number: 744995  Size: FS
Master Electrical Component List
Exterior Lighting Systems Description and Operation
Trailer Wiring
SEO 1, SEO 2, and AUX PWR Fuses
Roof Beacon Switch
SEO 1, SEO 2, and AUX PWR Fuses
G203 - 1 of 4
G203 - 3 of 4
G305

Exterior Lights Schematics Escalade EXT

Figure 1:

Hazard Flasher, Turn Signal, and Stop Lamp Control


Object Number: 744986  Size: FS
Master Electrical Component List
Exterior Lighting Systems Description and Operation
Park/Turn Signal Lamps
STOP, TURN, and HAZARD Bus Bars
STOP, TURN, and HAZARD Bus Bars
STOP, TURN, and HAZARD Bus Bars
Rear Lamps
G203 - 1 of 4
G203 - 1 of 4
Park/Turn Signal Lamps
Park/Turn Signal Lamps
STOP, TURN, and HAZARD Bus Bars
Figure 2:

Park/Turn Signal Lamps


Object Number: 815587  Size: FS
Master Electrical Component List
Exterior Lighting Systems Description and Operation
Park Lamp Control
Hazard FLasher, Turn Signal, and Stop Lamp Control
Hazard FLasher, Turn Signal, and Stop Lamp Control
Hazard FLasher, Turn Signal, and Stop Lamp Control
Park Lamp Control
Park Lamp Control
Rear Lamps
Rear Lamps
G100 and G110
Figure 3:

Park Lamp Control


Object Number: 815520  Size: FS
Master Electrical Component List
Exterior Lighting Systems Description and Operation
Park Lamp Supply and CHMSL
Park/Turn Signal Lamps
ABS, HAZ LP, STUD 1, STUD 2, CTSY LP, and PARK LP Fuses
Power, Ground and Dimming Control
FR PRK, TRL PRK, HORN Fuses, FOG LAMP and HORN Relays
Park/Turn Signal Lamps
Park/Turn Signal Lamps
Park Lamp Supply and CHMSL
Park Lamp Supply and CHMSL
Rear Lamps
Rear Lamps
Figure 4:

Park Lamp Supply and CHMSL


Object Number: 815597  Size: FS
Master Electrical Component List
Exterior Lighting Systems Description and Operation
Rear Lamps
Park Lamp Control
Park Lamp Control
Park Lamp Control
INT PRK Fuse - 1 of 2
INT PRK Fuse - 2 of 2
TRL L TRN, TRL R TURN, VEH STOP - 1 of 2, and CHMSL Fuses
G306
Figure 5:

Rear Lamps


Object Number: 815603  Size: FS
Master Electrical Component List
Exterior Lighting Systems Description and Operation
Backup Lamps
Park Lamp Supply and CHMSL
Park Lamp Control
Park Lamp Control
Hazard FLasher, Turn Signal, and Stop Lamp Control
Park/Turn Signal Lamps
Park/Turn Signal Lamps
G401 - Avalanche Built Before July 16, 2001 and 4WD Escalade
G401 - Avalanche Built Before July 16, 2001 and 4WD Escalade
Figure 6:

Backup Lamps


Object Number: 815630  Size: FS
Master Electrical Component List
Exterior Lighting Systems Description and Operation
Trailer Wiring
Rear Lamps
B/U LP, BTSI, VEH B/U - 1 of 2, and TRL B/U Fuses
2002 Shift Lock Control
G401 - Avalanche Built Before July 16, 2001 and 4WD Escalade
G401 - Avalanche Built Before July 16, 2001 and 4WD Escalade
B/U LP, BTSI, VEH B/U - 1 of 2, and TRL B/U Fuses
Figure 7:

Trailer Wiring


Object Number: 744991  Size: FS
Master Electrical Component List
Exterior Lighting Systems Description and Operation
Exterior Illumination Control
Backup Lamps
ABS, HAZ LP, STUD 1, STUD 2, CTSY LP, and PARK LP Fuses
G203 - 3 of 4
G203 - 1 of 4
G401 - Avalanche Built Before July 16, 2001 and 4WD Escalade
Figure 8:

Exterior Illumination Control


Object Number: 815526  Size: FS
Master Electrical Component List
Exterior Lighting Systems Description and Operation
Trailer Wiring
SEO 1, SEO 2, and AUX PWR Fuses
SEO 1, SEO 2, and AUX PWR Fuses
Outside Rearview Mirror Heater Control
Outside Rearview Mirror Heater Control
SEO 1, SEO 2, and AUX PWR Fuses
G203 - 2 of 4
Window Switches and Motors-Front Doors
G203 - 1 of 4
Window Switches and Motors-Front Doors
G200 - 1 of 2
G200 - 1 of 2

Exterior Lights Schematics Escalade - 4WD

Figure 1:

Hazard FLasher, Turn Signal, and Stop Lamp Control


Object Number: 744986  Size: FS
Master Electrical Component List
Exterior Lighting Systems Description and Operation
Park/Turn Signal Lamps
STOP, TURN, and HAZARD Bus Bars
STOP, TURN, and HAZARD Bus Bars
STOP, TURN, and HAZARD Bus Bars
Rear Lamps - Left
G203 - 1 of 4
G203 - 1 of 4
Park/Turn Signal Lamps
Park/Turn Signal Lamps
STOP, TURN, and HAZARD Bus Bars
Figure 2:

Park/Turn Signal Lamps


Object Number: 815588  Size: FS
Master Electrical Component List
Exterior Lighting Systems Description and Operation
Park Lamp Control
Hazard Flasher, Turn Signal, and Stop Lamp Control
Hazard Flasher, Turn Signal, and Stop Lamp Control
Hazard Flasher, Turn Signal, and Stop Lamp Control
Park Lamp Control
Park Lamp Control
Rear Lamps - Left
Rear Lamps - Right
G100 and G110
Figure 3:

Park Lamp Control


Object Number: 815520  Size: FS
Master Electrical Component List
Exterior Lighting Systems Description and Operation
Park Lamp Supply and CHMSL
Park/Turn Signal Lamps
ABS, HAZ LP, STUD 1, STUD 2, CTSY LP, and PARK LP Fuses
Power, Ground and Dimming Control
FR PRK, TRL PRK, HORN Fuses, FOG LAMP and HORN Relays
Park/Turn Signal Lamps
Park/Turn Signal Lamps
Rear Lamps - Right
Rear Lamps - Left
Figure 4:

Park Lamp Supply and CHMSL


Object Number: 815521  Size: FS
Master Electrical Component List
Exterior Lighting Systems Description and Operation
Rear Lamps - Left
Park Lamp Control
Park Lamp Control
Park Lamp Control
TRL L TRN, TRL R TURN, VEH STOP - 1 of 2, and CHMSL Fuses
INT PRK Fuse - 1 of 2
INT PRK Fuse - 2 of 2
G410 - 1 of 2
Figure 5:

Rear Lamps - Left


Object Number: 815522  Size: FS
Master Electrical Component List
Exterior Lighting Systems Description and Operation
Rear Lamps - Right
Park Lamp Supply and CHMSL
Park/Turn Signal Lamps
Hazard Flasher, Turn Signal, and Stop Lamp Control
Park Lamp Control
Rear Lamps - Right
G401 - Avalanche Built Before July, 16 2001 and 4WD Escalade
Figure 6:

Rear Lamps - Right


Object Number: 815523  Size: FS
Master Electrical Component List
Exterior Lighting Systems Description and Operation
Backup Lamps
Rear Lamps - Left
Park Lamp Control
Park/Turn Signal Lamps
Rear Lamps - Left
G401 - Avalanche Built Before July, 16 2001 and 4WD Escalade
Figure 7:

Backup Lamps


Object Number: 815524  Size: FS
Master Electrical Component List
Exterior Lighting Systems Description and Operation
Trailer Wiring
Rear Lamps - Right
B/U LP, BTSI, VEH B/U - 1 of 2, and TRL B/U Fuses
B/U LP, BTSI, VEH B/U - 1 of 2, and TRL B/U Fuses
2002 Shift Lock Control
G401 - Avalanche Built Before July, 16 2001 and 4WD Escalade
G401 - Avalanche Built Before July, 16 2001 and 4WD Escalade
Figure 8:

Trailer Wiring


Object Number: 744991  Size: FS
Master Electrical Component List
Exterior Lighting Systems Description and Operation
Exterior Illumination Control
Backup Lamps
ABS, HAZ LP, STUD 1, STUD 2, CTSY LP, and PARK LP Fuses
G203 - 3 of 4
G203 - 1 of 4
G401 - Avalanche Built Before July, 16 2001 and 4WD Escalade
Figure 9:

Exterior Illumination Control


Object Number: 815526  Size: FS
Master Electrical Component List
Exterior Lighting Systems Description and Operation
Trailer Wiring
SEO 1, SEO 2, and AUX PWR Fuses
SEO 1, SEO 2, and AUX PWR Fuses
Outside Rearview Mirror Heater Control
Outside Rearview Mirror Heater Control
SEO 1, SEO 2, and AUX PWR Fuses
G203 - 2 of 4
Window Switches and Motors-Front Doors
G203 - 1 of 4
Window Switches and Motors-Front Doors
G200 - 1 of 2
G200 - 1 of 2

Exterior Lights Schematics Escalade - 2WD

Figure 1:

Hazard Flasher, Turn Signal, and Stop Lamp Control


Object Number: 744986  Size: FS
Master Electrical Component List
Exterior Lighting Systems Description and Operation
Park/Turn Signal Lamps
STOP, TURN, and HAZARD Bus Bars
STOP, TURN, and HAZARD Bus Bars
STOP, TURN, and HAZARD Bus Bars
Rear Lamps - 2 of 2
G203 - 1 of 4
G203 - 1 of 4
Park/Turn Signal Lamps
Park/Turn Signal Lamps
STOP, TURN, and HAZARD Bus Bars
Figure 2:

Park/Turn Signal Lamps


Object Number: 815516  Size: FS
Master Electrical Component List
Exterior Lighting Systems Description and Operation
Park Lamp Control
Hazard Flasher, Turn Signal, and Stop Lamp Control
Hazard Flasher, Turn Signal, and Stop Lamp Control
Hazard Flasher, Turn Signal, and Stop Lamp Control
Park Lamp Control
Rear Lamps - 1 of 2
Rear Lamps - 2 of 2
Park Lamp Control
G100 and G110
Figure 3:

Park Lamp Control


Object Number: 815520  Size: FS
Master Electrical Component List
Exterior Lighting Systems Description and Operation
Park Lamp Supply and CHMSL
Park/Turn Signal Lamps
ABS, HAZ LP, STUD 1, STUD 2, CTSY LP, and PARK LP Fuses
Power, Ground and Dimming Control
FR PRK, TRL PRK, HORN Fuses, FOG LAMP and HORN Relays
Park/Turn Signal Lamps
Park/Turn Signal Lamps
Park Lamp Supply and CHMSL
Park Lamp Supply and CHMSL
Rear Lamps - 1 of 2
Rear Lamps - 1 of 2
Figure 4:

Park Lamp Supply and CHMSL


Object Number: 815521  Size: FS
Master Electrical Component List
Exterior Lighting Systems Description and Operation
Rear Lamps - 1 of 2
Park Lamp Control
Park Lamp Control
Park Lamp Control
INT PRK Fuse - 1 of 2
INT PRK Fuse - 2 of 2
TRL L TRN, TRL R TURN, VEH STOP - 1 of 2, and CHMSL Fuses
G410 - 1 of 2
Figure 5:

Rear Lamps - 1 of 2


Object Number: 815527  Size: FS
Master Electrical Component List
Exterior Lighting Systems Description and Operation
Rear Lamps - 2 of 2
Park Lamp Supply and CHMSL
Park Lamp Control
Park Lamp Control
Rear Lamps - 2 of 2
Rear Lamps - 2 of 2
Park/Turn Signal Lamps
G401 - Avalanche Built Before July 16, 2001 and 4WD Escalade
G401 - Avalanche Built Before July 16, 2001 and 4WD Escalade
Figure 6:

Rear Lamps - 2 of 2


Object Number: 815528  Size: FS
Master Electrical Component List
Exterior Lighting Systems Description and Operation
Backup Lamps
Rear Lamps - 1 of 2
Park/Turn Signal Lamps
Hazard Flasher, Turn Signal, and Stop Lamp Control
Rear Lamps - 1 of 2
Rear Lamps - 1 of 2
G401 - Avalanche Built Before July 16, 2001 and 4WD Escalade
G401 - Avalanche Built Before July 16, 2001 and 4WD Escalade
Figure 7:

Backup Lamps


Object Number: 744998  Size: FS
Master Electrical Component List
Exterior Lighting Systems Description and Operation
Trailer Wiring
Rear Lamps - 2 of 2
2002 Shift Lock Control
B/U LP, BTSI, VEH B/U - 1 of 2, and TRL B/U Fuses
Rear Lamps - 1 of 2
G401 - Avalanche Built Before July 16, 2001 and 4WD Escalade
Figure 8:

Trailer Wiring


Object Number: 744991  Size: FS
Master Electrical Component List
Exterior Lighting Systems Description and Operation
Exterior Illumination Control
Backup Lamps
ABS, HAZ LP, STUD 1, STUD 2, CTSY LP, and PARK LP Fuses
G203 - 3 of 4
G203 - 1 of 4
G401 - Avalanche Built Before July 16, 2001 and 4WD Escalade
Figure 9:

Exterior Illumination Control


Object Number: 815526  Size: FS
Master Electrical Component List
Exterior Lighting Systems Description and Operation
Trailer Wiring
SEO 1, SEO 2, and AUX PWR Fuses
SEO 1, SEO 2, and AUX PWR Fuses
Outside Rearview Mirror Heater Control
Outside Rearview Mirror Heater Control
SEO 1, SEO 2, and AUX PWR Fuses
G203 - 2 of 4
Window Switches and Motors-Front Doors
G203 - 1 of 4
Window Switches and Motors-Front Doors
G200 - 1 of 2
G200 - 1 of 2

Exterior Lights Schematics All Other Utility

Figure 1:

Hazard Flasher. Turn Signal, and Stop Lamp Control


Object Number: 744986  Size: FS
Master Electrical Component List
Exterior Lighting Systems Description and Operation
Park/Turn Signal Lamps
STOP, TURN, and HAZARD Bus Bars
STOP, TURN, and HAZARD Bus Bars
STOP, TURN, and HAZARD Bus Bars
Rear Lamps
G203 - 1 of 4
G203 - 1 of 4
Park/Turn Signal Lamps
Park/Turn Signal Lamps
STOP, TURN, and HAZARD Bus Bars
Figure 2:

Park/Turn Signal Lamps


Object Number: 815668  Size: FS
Master Electrical Component List
Exterior Lighting Systems Description and Operation
Park Lamp Control
Hazard Flasher, Turn Signal, and Stop Lamp Control
Hazard Flasher, Turn Signal, and Stop Lamp Control
Hazard Flasher, Turn Signal, and Stop Lamp Control
Park Lamp Control
Park Lamp Control
Park Lamp Control
Park Lamp Control
Rear Lamps
Rear Lamps
G100 and G110
Figure 3:

Park Lamp Control


Object Number: 744988  Size: FS
Master Electrical Component List
Exterior Lighting Systems Description and Operation
Park Lamp Supply and Clearance Lamps
Park/Turn Signal Lamps
ABS, HAZ LP, STUD 1, STUD 2, CTSY LP, and PARK LP Fuses
Power, Ground and Dimming Control
FR PRK, TRL PRK, HORN Fuses, FOG LAMP and HORN Relays
Park Lamp Supply and Clearance Lamps
Park Lamp Supply and Clearance Lamps
Park/Turn Signal Lamps
Park/Turn Signal Lamps
Park/Turn Signal Lamps
Park/Turn Signal Lamps
Rear Lamps
Rear Lamps
Figure 4:

Park Lamp Supply and Clearance Lamps


Object Number: 744990  Size: FS
Master Electrical Component List
Exterior Lighting Systems Description and Operation
CHMSL Control
Park Lamp Control
Park Lamp Control
Park Lamp Control
Parklamp Control, INT PRK and PARK LPS Fuses
Interior Parklamp Supply - 2 of 3
Interior Parklamp Supply - 3 of 3
Interior Parklamp Supply - 3 of 3
G200 - 1 of 2
G200 - 1 of 2
G200 - 1 of 2
Figure 5:

CHMSL Control


Object Number: 815671  Size: FS
Master Electrical Component List
Exterior Lighting Systems Description and Operation
CHMSL Control - Avalanche
Park Lamp Supply and Clearance Lamps
TRL L TRN, TRL R TURN, VEH STOP - 1 of 2, and CHMSL Fuses
G410 - 1 of 2
Figure 6:

CHMSL Control - Avalanche


Object Number: 813047  Size: FS
Master Electrical Component List
Exterior Lighting Systems Description and Operation
Rear Lamps
CHMSL Control
TRL L TRN, TRL R TURN, VEH STOP - 1 of 2, and CHMSL Fuses
G306
Figure 7:

Rear Lamps


Object Number: 815672  Size: FS
Master Electrical Component List
Exterior Lighting Systems Description and Operation
Backup Lamps
CHMSL Control - Avalanche
Park Lamp Control
Park Lamp Control
Hazard Flasher, Turn Signal, and Stop Lamp Control
Park/Turn Signal Lamps
Park/Turn Signal Lamps
G401 - Avalanche Built Before July 16, 2001 and 4WD Escalade
G401 - Avalanche Built Before July 16, 2001 and 4WD Escalade
Figure 8:

Backup Lamps


Object Number: 815673  Size: FS
Master Electrical Component List
Exterior Lighting Systems Description and Operation
Exterior Illumination Control
Rear Lamps
2002 Shift Lock Control
B/U LP, BTSI, VEH B/U - 1 of 2, and TRL B/U Fuses
B/U LP, BTSI, VEH B/U - 1 of 2, and TRL B/U Fuses
G401 - Avalanche Built Before July 16, 2001 and 4WD Escalade
G401 - Avalanche Built Before July 16, 2001 and 4WD Escalade
Figure 9:

Exterior Illumination Control


Object Number: 744993  Size: FS
Master Electrical Component List
Exterior Lighting Systems Description and Operation
Trailer Wiring
Backup Lamps
SEO 1, SEO 2, and AUX PWR Fuses
SEO 1, SEO 2, and AUX PWR Fuses
Outside Rearview Mirror Heater Control
Outside Rearview Mirror Heater Control
SEO 1, SEO 2, and AUX PWR Fuses
Window Switches and Motors-Front Doors
G203 - 1 of 4
Window Switches and Motors-Front Doors
G200 - 1 of 2
G200 - 1 of 2
Figure 10:

Trailer Wiring


Object Number: 744991  Size: FS
Master Electrical Component List
Exterior Lighting Systems Description and Operation
Roof Beacon
Exterior Illumination Control
G203 - 3 of 4
ABS, HAZ LP, STUD 1, STUD 2, CTSY LP, and PARK LP Fuses
G203 - 1 of 4
G401 - Avalanche Built Before July 16, 2001 and 4WD Escalade
Figure 11:

Roof Beacon


Object Number: 744995  Size: FS
Master Electrical Component List
Exterior Lighting Systems Description and Operation
Trailer Wiring
SEO 1, SEO 2, and AUX PWR Fuses
Roof Beacon Switch
SEO 1, SEO 2, and AUX PWR Fuses
G203 - 1 of 4
G203 - 1 of 4
G305