GM Service Manual Online
For 1990-2009 cars only

Interior Lights Schematics Base and Uplevel

Figure 1:

Courtesy Lamp Supply - 1 of 5


Object Number: 745005  Size: FS
Master Electrical Component List
Interior Lighting Systems Description and Operation
Courtesy Lamp Control
ABS, HAZ LP, STUD 1, STUD 2, CTSY LP, and PARK LP Fuses
ABS, HAZ LP, STUD 1, STUD 2, CTSY LP, and PARK LP Fuses
Courtesy Lamp Control
Cargo Lamps and Door Jamb Switch - LF - Uplevel
Courtesy Lamp Control
Figure 2:

Courtesy Lamp Supply - 2 of 5


Object Number: 744999  Size: FS
Master Electrical Component List
Interior Lighting Systems Description and Operation
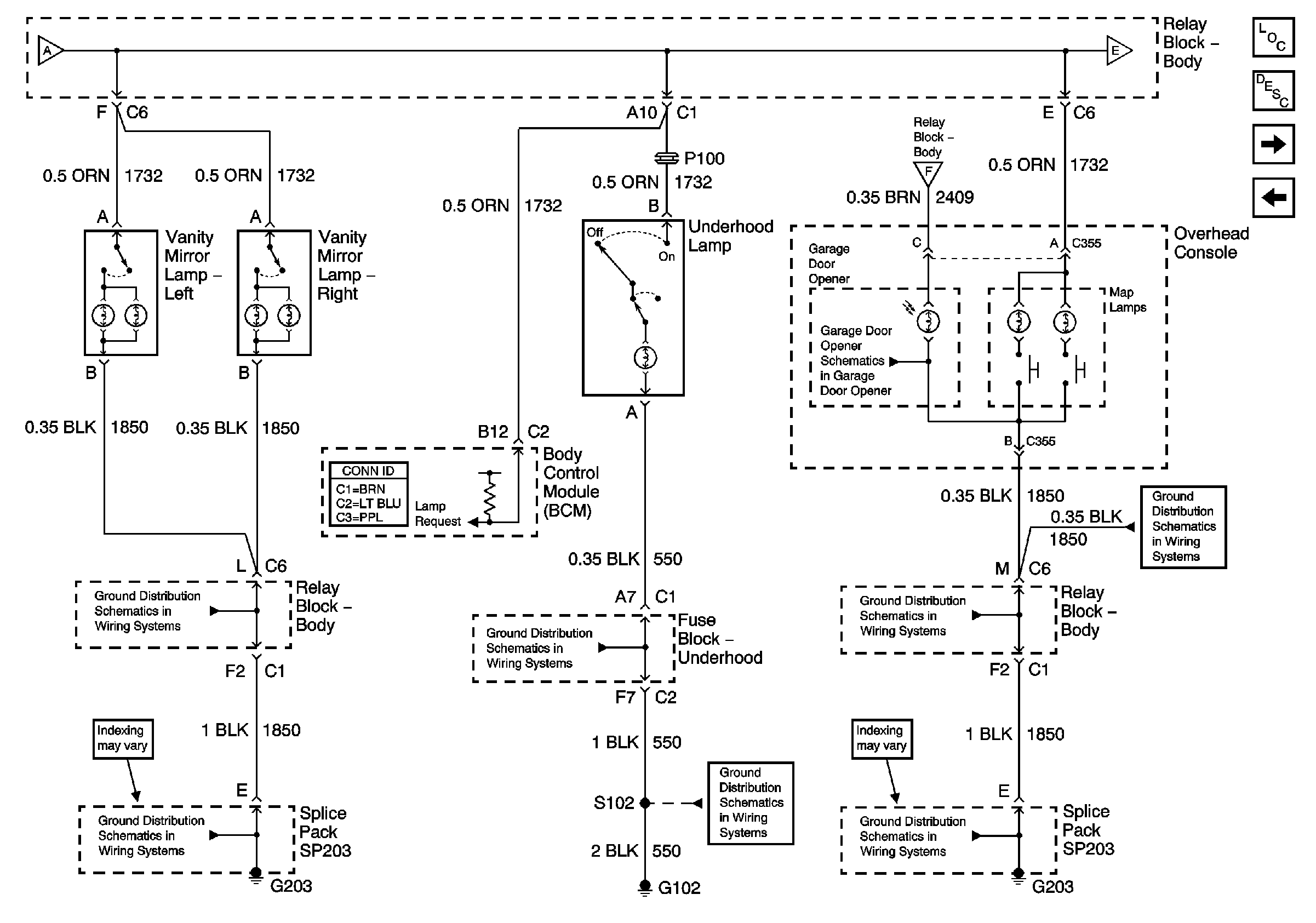
I/P Compartment, Underhood and Map Lamps
Courtesy Lamp Control (Uplevel)
Courtesy Lamp Control (Uplevel)
I/P Compartment, Underhood and Map Lamps
G203 - 3 of 4
Courtesy Lamp Control (Uplevel)
Vanity Mirror, Map and Courtesy Reading Lamps (Luxury)
Vanity Mirror, Map and Courtesy Reading Lamps (Uplevel)
G203 - 1 of 4
Figure 3:

Courtesy Lamp Supply - 3 of 5


Object Number: 745001  Size: FS
Master Electrical Component List
Interior Lighting Systems Description and Operation
Vanity Mirror, Map and Courtesy Reading Lamps (Uplevel)
Courtesy Lamp Control
Courtesy Lamp Control
Vanity Mirror, Map and Courtesy Reading Lamps (Uplevel)
Vanity Mirror, Map and Courtesy Reading Lamps (Luxury)
Interior Parklamp Supply - 2 of 3
G200 - 1 of 2
G200 - 1 of 2
G104
G104
Door Dimming
G203 - 4 of 4
G203 - 1 of 4
G203 - 4 of 4
Figure 4:

Courtesy Lamp Supply - 4 of 5 - Base


Object Number: 745006  Size: FS
Master Electrical Component List
Interior Lighting Systems Description and Operation
Vanity Mirror, Map and Courtesy Reading Lamps (Luxury)
I/P Compartment, Underhood and Map Lamps
I/P Compartment, Underhood and Map Lamps
G203 - 3 of 4
Courtesy Lamp Control
G203 - 1 of 4
Figure 5:

Courtesy Lamp Supply - 5 of 5 - Uplevel


Object Number: 767554  Size: FS
Master Electrical Component List
Interior Lighting Systems Description and Operation
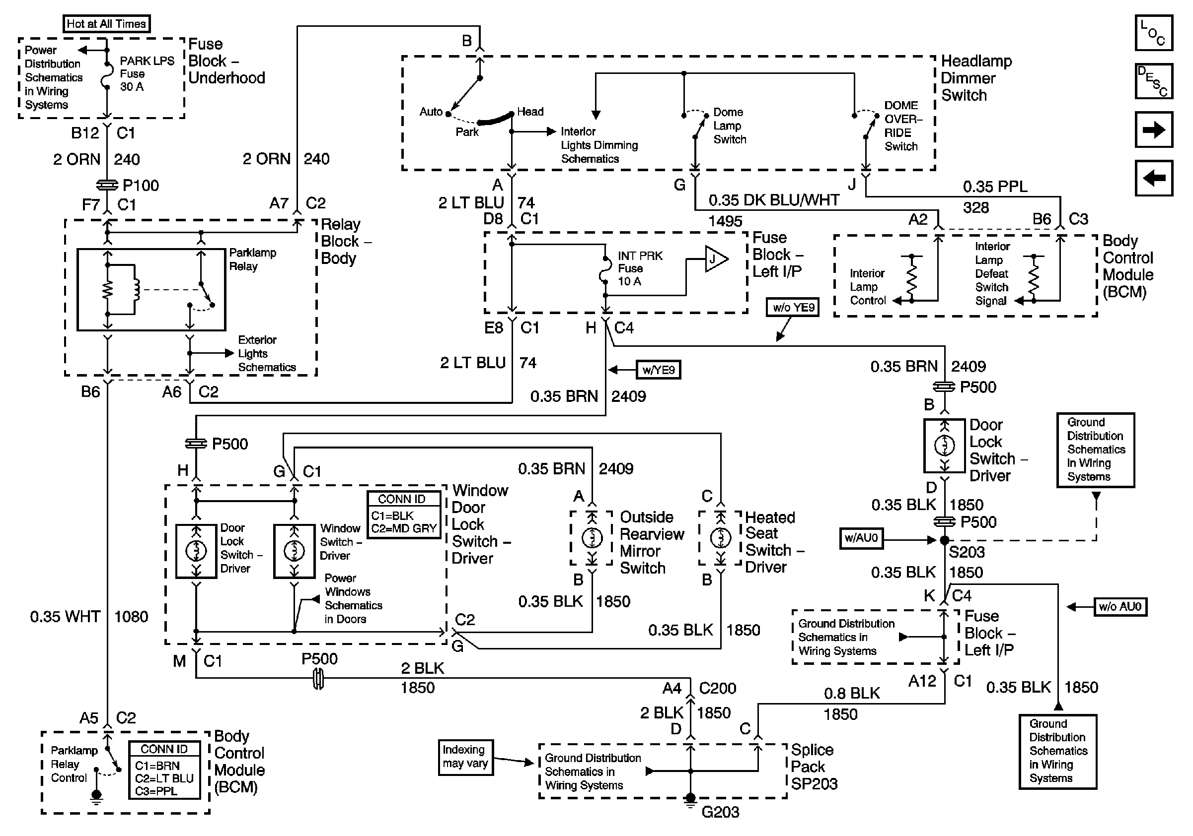
Parklamp Control, INT PRK and PARK LPS Fuses
Vanity Mirror, Map and Courtesy Reading Lamps (Uplevel)
I/P Compartment, Underhood and Map Lamps
G203 - 3 of 4
Courtesy Lamp Control
G203 - 3 of 4
G203 - 1 of 4
Figure 6:

Interior Parklamp Supply - 1 of 3


Object Number: 745002  Size: FS
Master Electrical Component List
Interior Lighting Systems Description and Operation
Interior Parklamp Supply - 2 of 3
Vanity Mirror, Map and Courtesy Reading Lamps (Luxury)
ABS, HAZ LP, STUD 1, STUD 2, CTSY LP, and PARK LP Fuses
Power, Ground and Dimming Control
Park Lamp Control
Interior Parklamp Supply - 2 of 3
Window Switches and Motors-Front Doors
G203 - 1 of 4
G203 - 2 of 4
G203 - 2 of 4
G203 - 2 of 4
Figure 7:

Interior Parklamp Supply - 2 of 3


Object Number: 822134  Size: FS
Master Electrical Component List
Interior Lighting Systems Description and Operation
Interior Parklamp Supply - 3 of 3
Parklamp Control, INT PRK and PARK LPS Fuses
Parklamp Control, INT PRK and PARK LPS Fuses
Interior Parklamp Supply - 3 of 3
I/P Compartment, Underhood and Map Lamps
Window Switches and Motor-LR
G305
G203 - 3 of 4
G203 - 1 of 4
G200 - 1 of 2
G200 - 1 of 2
Figure 8:

Interior Parklamp Supply - 3 of 3


Object Number: 822135  Size: FS
Master Electrical Component List
Interior Lighting Systems Description and Operation
Door Jamb Switches, Power Door Lock Switch-Front Passenger
Interior Parklamp Supply - 2 of 3
Interior Parklamp Supply - 2 of 3
Window Switches and Motors-Front Doors
G200 - 1 of 2
G200 - 1 of 2
G200 - 1 of 2
Park Lamp Supply and Clearance Lamps
2002 Power Sunroof
Window Switches and Motor-RR
G306
Figure 9:

Door Jamb Switches - Base


Object Number: 745004  Size: FS
Master Electrical Component List
Interior Lighting Systems Description and Operation
Cargo Lamps and Door Jamb Switch - LF - Uplevel
Interior Parklamp Supply - 3 of 3
G200 - 2 of 2
G200 - 1 of 2
G200 - 1 of 2
G203 - 2 of 4
G203 - 2 of 4
G305
G203 - 1 of 4
Figure 10:

Cargo Lamps and Door Jamb Switch - LF - Uplevel


Object Number: 822136  Size: FS
Master Electrical Component List
Interior Lighting Systems Description and Operation
Door Jamb Switches - RF, LR, RR - Uplevel
Door Jamb Switches, Power Door Lock Switch-Front Passenger
LED Dimming Control, IPC, Cargo/Fog Lamp Switch and DIC
G203 - 3 of 4
Courtesy Lamp Control (Uplevel)
G203 - 2 of 4
G203 - 2 of 4
G203 - 2 of 4
Figure 11:

Door Jamb Switchs - RF, LR, RR - Uplevel


Object Number: 822137  Size: FS
Master Electrical Component List
Interior Lighting Systems Description and Operation
Cargo Door and Liftgate Ajar Switches
Cargo Lamps and Door Jamb Switch - LF - Uplevel
G200 - 2 of 2
G200 - 1 of 2
G200 - 1 of 2
G200 - 2 of 2
G305
G306
Figure 12:

Cargo Door and Liftgate Ajar Switches


Object Number: 782728  Size: FS
Master Electrical Component List
Interior Lighting Systems Description and Operation
Door Jamb Switches - RF, LR, RR - Uplevel
G410 2 of 2
G410 2 of 2
G410 2 of 2

Interior Lights Schematics Luxury

Figure 1:

Courtesy Lamp Supply - 1 of 5


Object Number: 745009  Size: FS
Master Electrical Component List
Interior Lighting Systems Description and Operation
Courtesy Lamp Supply - 2 of 5
ABS, HAZ LP, STUD 1, STUD 2, CTSY LP, and PARK LP Fuses
ABS, HAZ LP, STUD 1, STUD 2, CTSY LP, and PARK LP Fuses
Courtesy Lamp Supply - 3 of 5
Courtesy Lamp Supply - 2 of 5
Park Lamp Control, INTPRK and PARK LPS Fuse
Figure 2:

Courtesy Lamp Supply - 2 of 5


Object Number: 759935  Size: FS
Master Electrical Component List
Interior Lighting Systems Description and Operation
Courtesy Lamp Supply - 3 of 5
Courtesy Lamp Supply - 1 of 5
Courtesy Lamp Supply - 1 of 5
Courtesy Lamp Supply - 5 of 5
G203 - 3 of 4
G203 - 1 of 4
G203 - 3 of 4
Figure 3:

Courtesy Lamp Supply - 3 of 5


Object Number: 745007  Size: FS
Master Electrical Component List
Interior Lighting Systems Description and Operation
Courtesy Lamp Supply - 4 of 5
Courtesy Lamp Supply - 2 of 5
Courtesy Lamp Supply - 1 of 5
Courtesy Lamp Supply - 4 of 5
Park Lamp Control, INTPRK and PARK LPS Fuse
Door Dimming
G203 - 3 of 4
G203 - 1 of 4
G104
G104
G203 - 4 of 4
G203 - 1 of 4
G203 - 4 of 4
Figure 4:

Courtesy Lamp Supply - 4 of 5


Object Number: 745013  Size: FS
Master Electrical Component List
Interior Lighting Systems Description and Operation
Courtesy Lamp Supply - 5 of 5
Courtesy Lamp Supply - 3 of 5
Courtesy Lamp Supply - 3 of 5
Courtesy Lamp Supply - 5 of 5
G200 - 1 of 2
G200 - 1 of 2
LED Dimming Control, IPC, Cargo/Fog Lamp Switch and DIC
G203 - 3 of 4
G203 - 1 of 4
Figure 5:

Courtesy Lamp Supply - 5 of 5


Object Number: 822157  Size: FS
Master Electrical Component List
Interior Lighting Systems Description and Operation
Park Lamp Control, INTPRK and PARK LPS Fuse
Courtesy Lamp Supply - 4 of 5
Courtesy Lamp Supply - 4 of 5
G203 - 3 of 4
Courtesy Lamp Supply - 2 of 5
G203 - 3 of 4
G203 - 1 of 4
Figure 6:

Interior Parklamp Supply - 1 of 2


Object Number: 745010  Size: FS
Master Electrical Component List
Interior Lighting Systems Description and Operation
Interior Park Lamps Supply - 2 of 2
Courtesy Lamp Supply - 5 of 5
ABS, HAZ LP, STUD 1, STUD 2, CTSY LP, and PARK LP Fuses
Power, Ground and Dimming Control
Courtesy Lamp Supply - 3 of 5
Interior Park Lamps Supply - 2 of 2
Park Lamp Control
Window Switches and Motors-Front Doors
G203 - 1 of 4
Courtesy Lamp Supply - 1 of 5
Heated Seat - LR
Heated Seat - RR
Figure 7:

Interior Parklamp Supply - 2 of 2


Object Number: 745011  Size: FS
Master Electrical Component List
Interior Lighting Systems Description and Operation
Bezel Lamp and Door Jamb Switch - LF
Park Lamp Control, INTPRK and PARK LPS Fuse
Park Lamp Control, INTPRK and PARK LPS Fuse
Bezel Lamp and Door Jamb Switch - LF
Window Switches and Motor-LR
G305
Window Switches and Motors-Front Doors
G200 - 1 of 2
G200 - 1 of 2
G200 - 1 of 2
Park Lamp Supply and Clearance Lamps
2002 Power Sunroof
Window Switches and Motor-RR
G306
Figure 8:

Bezel Lamp and Door Jamb Switch - LF


Object Number: 759936  Size: FS
Master Electrical Component List
Interior Lighting Systems Description and Operation
Door Jamb Switches - RF, LR, RR
Interior Park Lamps Supply - 2 of 2
Interior Park Lamps Supply - 2 of 2
G203 - 2 of 4
G203 - 2 of 4
G203 - 1 of 4
G203 - 4 of 4
Luxury Only
G203 - 3 of 4
Figure 9:

Door Jamb Switches - RF, LR, RR


Object Number: 759937  Size: FS
Master Electrical Component List
Interior Lighting Systems Description and Operation
Cargo and Liftgate Ajar Switches
Bezel Lamp and Door Jamb Switch - LF
G200 - 2 of 2
G200 - 1 of 2
G200 - 1 of 2
G200 - 2 of 2
G305
G306
Figure 10:

Cargo and Liftgate Ajar Switches


Object Number: 782728  Size: FS
Master Electrical Component List
Interior Lighting Systems Description and Operation
Door Jamb Switches - RF, LR, RR
G410 2 of 2
G410 2 of 2
G410 2 of 2