GM Service Manual Online
For 1990-2009 cars only

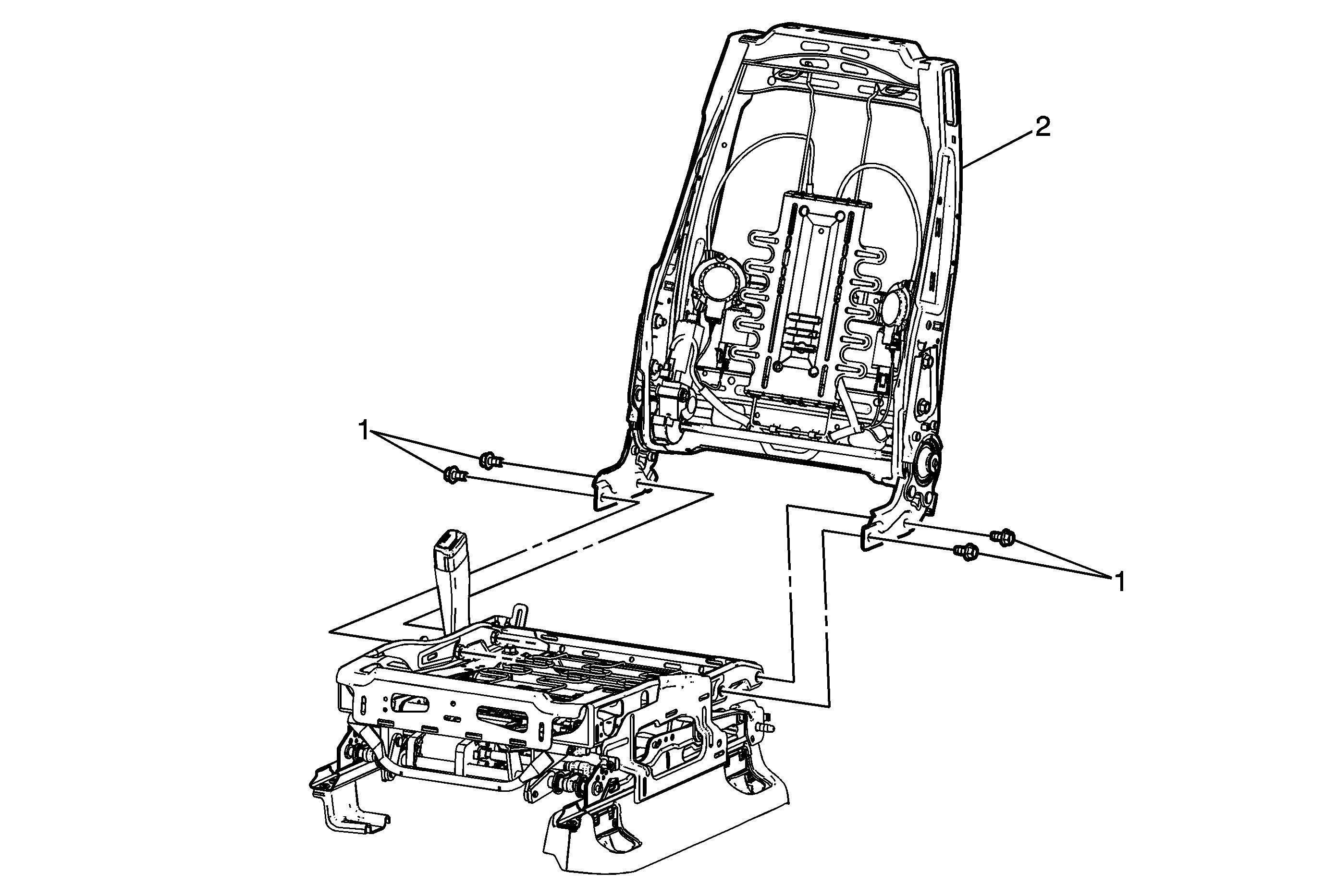
Driver or Passenger Seat Back Cushion Frame Replacement with HP2


Object Number: 1966909  Size: MF

Callout

Component Name

Preliminary Procedure

  1. Remove the front seat back cushion cover and pad. Refer to Front Seat Back Cushion Cover and Cushion Pad Replacement .
  2. Remove the front seat cushion cover and pad. Refer to Seat Cushion Trim Cover and Pad Replacement .

1

Front Seat Back Frame Bolt (Qty: 4)

Notice: Refer to Fastener Notice in the Preface section.

Tighten
50 N·m (37 lb ft)

2

Front Seat Back Frame

Procedure

  1. Disconnect the lumbar actuator assembly from the seat back frame and lumbar support.
  2. When replacing the seat back frame transfer components as necessary.

Driver or Passenger Seat Back Cushion Frame Replacement except HP2


Object Number: 1950027  Size: MF

Callout

Component Name

Preliminary Procedure

  1. Remove the front seat back cushion cover and pad. Refer to Front Seat Back Cushion Cover and Cushion Pad Replacement .
  2. Remove the front seat cushion cover and pad. Refer to Seat Cushion Trim Cover and Pad Replacement .

1

Front Seat Back Frame Bolt (Qty: 4)

Notice: Refer to Fastener Notice in the Preface section.

Tighten
50 N·m (37 lb ft)

2

Front Seat Back Frame

Procedure

  1. Disconnect the electrical connector, if equipped.
  2. When replacing the seat back frame transfer components as necessary.