GM Service Manual Online
For 1990-2009 cars only
Figure 1:

Powers and Dome Lamps


Object Number: 784160  Size: FS
Master Electrical Component List
Interior Lighting Systems Description and Operation
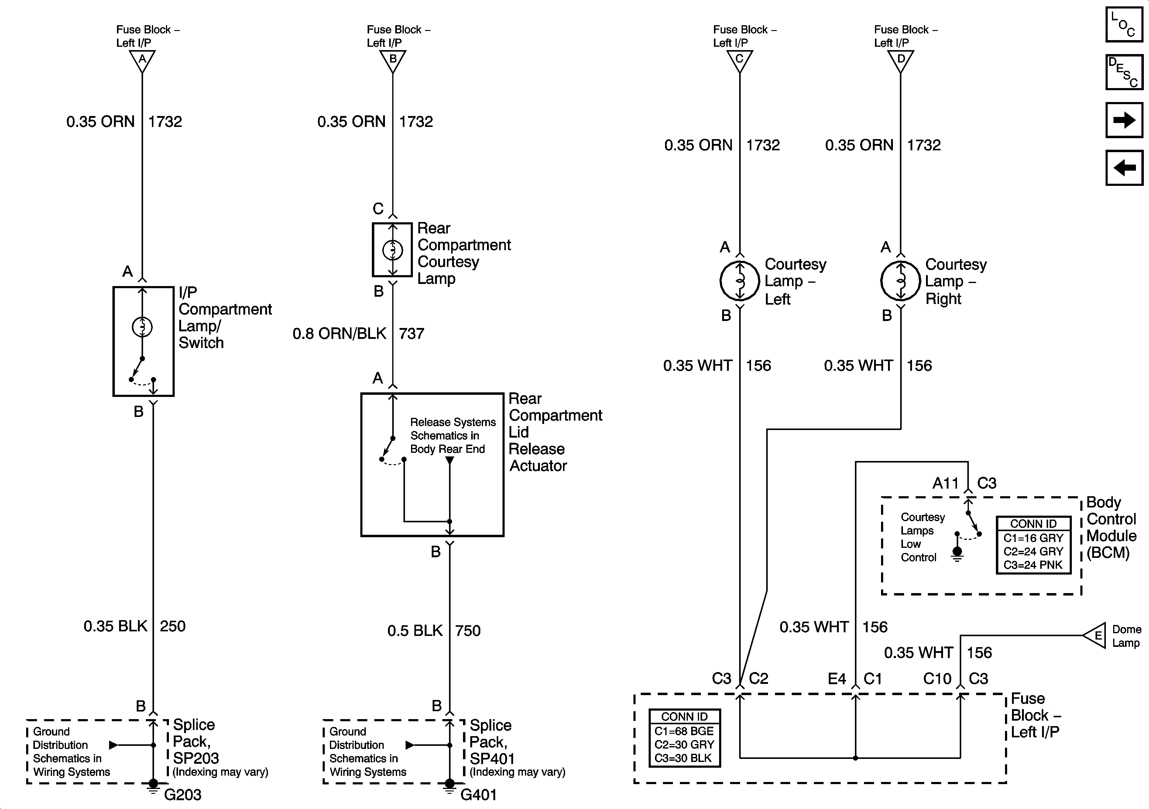
Instrument Panel and Rear Compartment Lamps
RR DEFOG, HORN, HI BLO MOT, RH BEC BATT, COOL FANS, and ABS Fuses
Instrument Panel and Rear Compartment Lamps
Instrument Panel and Rear Compartment Lamps
Instrument Panel and Rear Compartment Lamps
Instrument Panel and Rear Compartment Lamps
Instrument Panel and Rear Compartment Lamps
SP401
Figure 2:

Instrument Panel and Rear Compartment Lamps


Object Number: 784161  Size: FS
Master Electrical Component List
Interior Lighting Systems Description and Operation
Door Ajar Lamps
Power and Dome Lamps
Power and Dome Lamps
Power and Dome Lamps
Power and Dome Lamps
Power and Dome Lamps
Body Rear End Schematics
Power and Dome Lamps
Figure 3:

Door Ajar Lamps


Object Number: 784162  Size: FS
Master Electrical Component List
Interior Lighting Systems Description and Operation
Instrument Panel and Rear Compartment Lamps
SP302
SP302