GM Service Manual Online
For 1990-2009 cars only
Makes
🢒
Chevrolet
🢒
2005
🢒
Cobalt
🢒
Engine
🢒
Engine Electrical
🢒 Starting and Charging Schematics
Figure
1:
Starting
Master Electrical Component List
Charging System Description and Operation w/RVC
Control Module References
Charging
RUN/CRANK Relay, HVAC Relay, I/P IGN Fuse, BCM3 Fuse, WIPER Fuse, RESTRAINTS Fuse, EPS Fuse
RUN/CRANK Relay, I/P IGN Fuse, PRK/NEUT Fuse, BACKUP Fuse, ABS Fuses, ECM TRANS Fuse, LIGHTER Fuse, CAN VENT Fuse, EPS Fuse, BCM2 and 3 Fuses, HEATED SEAT Fuse, S-BAND/ONSTAR Fuse, MIRROR Fuse
Backup Lamps
Ignition Switch, BCM2 Fuse, IGN SW Fuse, STOP LPS Fuse, AUDIO AMPLIFIER Fuse, CLUSTER Fuse, HVAC/PK3 Fuse
Underhood Fuse Block B+ Bus
Underhood Fuse Block B+ Bus
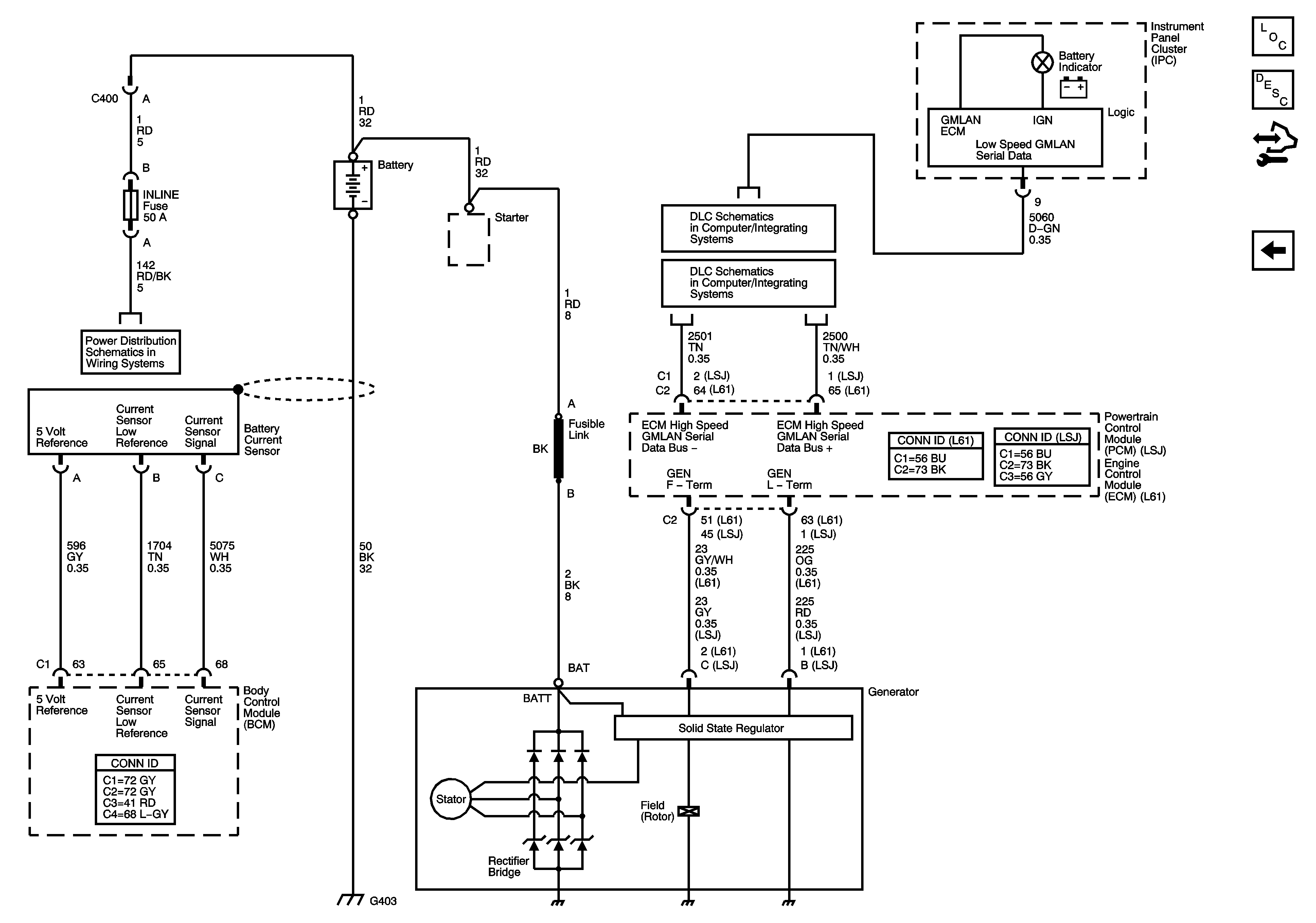
Figure
2:
Charging
Master Electrical Component List
Charging System Description and Operation w/RVC
Control Module References
Starting
DLC Power, Ground, and Low Speed GMLAN
DLC High Speed, Serial Data, Class 2
Underhood Fuse Block B+ Bus