GM Service Manual Online
For 1990-2009 cars only
Figure 1:

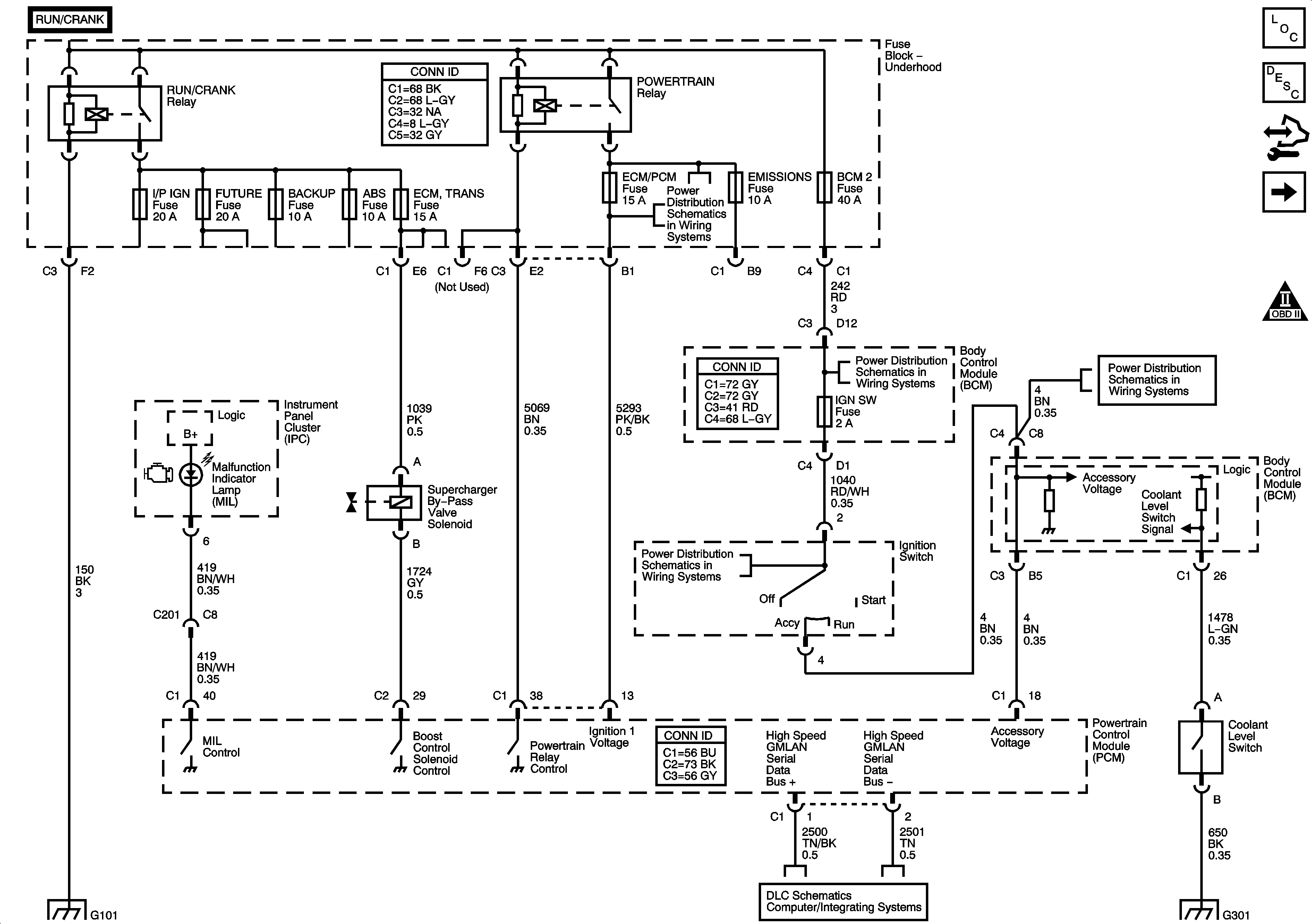
Power, Ground, MIL and DLC


Object Number: 1509175  Size: FS
Master Electrical Component List
Boost Control System Description
Control Module References
Engine Data Sensors - 5-Volt and Low Reference Bussing
Engine Controls Schematic Icons
FUEL FUMP Relay, POWERTRAIN Relay, FUEL PMP Fuse, EMISSION Fuse, INJECTORS Fuse, PCM/ECM Fuse
Ignition Switch, BCM2 Fuse, IGN SW Fuse, STOP LPS Fuse, AUDIO AMPLIFIER Fuse, CLUSTER Fuse, HVAC/PK3 Fuse
Ignition Switch, BCM2 Fuse, IGN SW Fuse, STOP LPS Fuse, AUDIO AMPLIFIER Fuse, CLUSTER Fuse, HVAC/PK3 Fuse
Ignition Switch, BCM2 Fuse, IGN SW Fuse, STOP LPS Fuse, AUDIO AMPLIFIER Fuse, CLUSTER Fuse, HVAC/PK3 Fuse
G101 and G102
DLC High Speed, Serial Data, Class 2
G301 - 1 of 2
Figure 2:

Engine Data Sensors - 5-Volt and Low Reference Bussing


Object Number: 1509185  Size: FS
Master Electrical Component List
Powertrain Control Module Description
Control Module References
Engine Data Sensors - Pressure and Temperature
Power, Ground, MIL and DLC
Engine Controls Schematic Icons
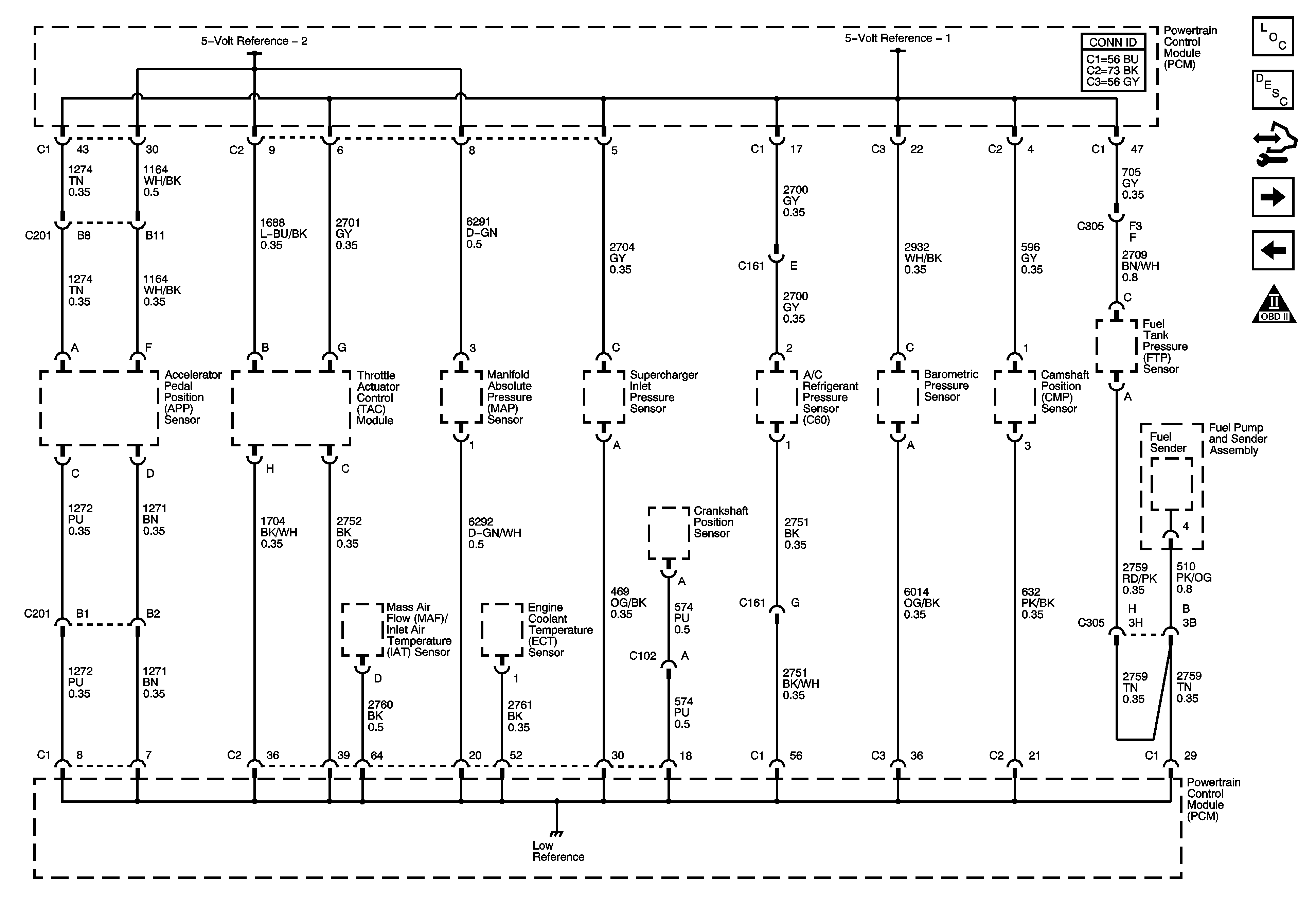
Figure 3:

Engine Data Sensors - Pressure and Temperature


Object Number: 1509189  Size: FS
Master Electrical Component List
Supercharger Description and Operation
Control Module References
Engine Data Sensors - MAF/IAT, CKP, KS, CMP
Engine Data Sensors - 5-Volt and Low Reference Bussing
Engine Controls Schematic Icons
Ambient Air Temperature Sensor, EOP Sensor, Fuel Level Sensor, and Indicators
Figure 4:

Engine Data Sensors - MAF/IAT, CKP, KS, and CMP


Object Number: 1509192  Size: FS
Master Electrical Component List
Powertrain Control Module Description
Control Module References
Engine Data Controls - HO2S
Engine Data Sensors - Pressure and Temperature
Engine Controls Schematic Icons
FUEL FUMP Relay, POWERTRAIN Relay, FUEL PMP Fuse, EMISSION Fuse, INJECTORS Fuse, PCM/ECM Fuse
RUN/CRANK Relay, HVAC Relay, I/P IGN Fuse, BCM3 Fuse, WIPER Fuse, RESTRAINTS Fuse, EPS Fuse
Power, Ground and Blower Motor Controls
Engine Controls Schematic Icons
Engine Controls Schematic Icons
G103 and G105
Figure 5:

Engine Data Sensors - HO2S


Object Number: 1509194  Size: FS
Master Electrical Component List
Powertrain Control Module Description
Control Module References
Engine Data Sensors - APP and TAC
Engine Data Sensors - MAF/IAT, CKP, KS, CMP
Engine Controls Schematic Icons
FUEL FUMP Relay, POWERTRAIN Relay, FUEL PMP Fuse, EMISSION Fuse, INJECTORS Fuse, PCM/ECM Fuse
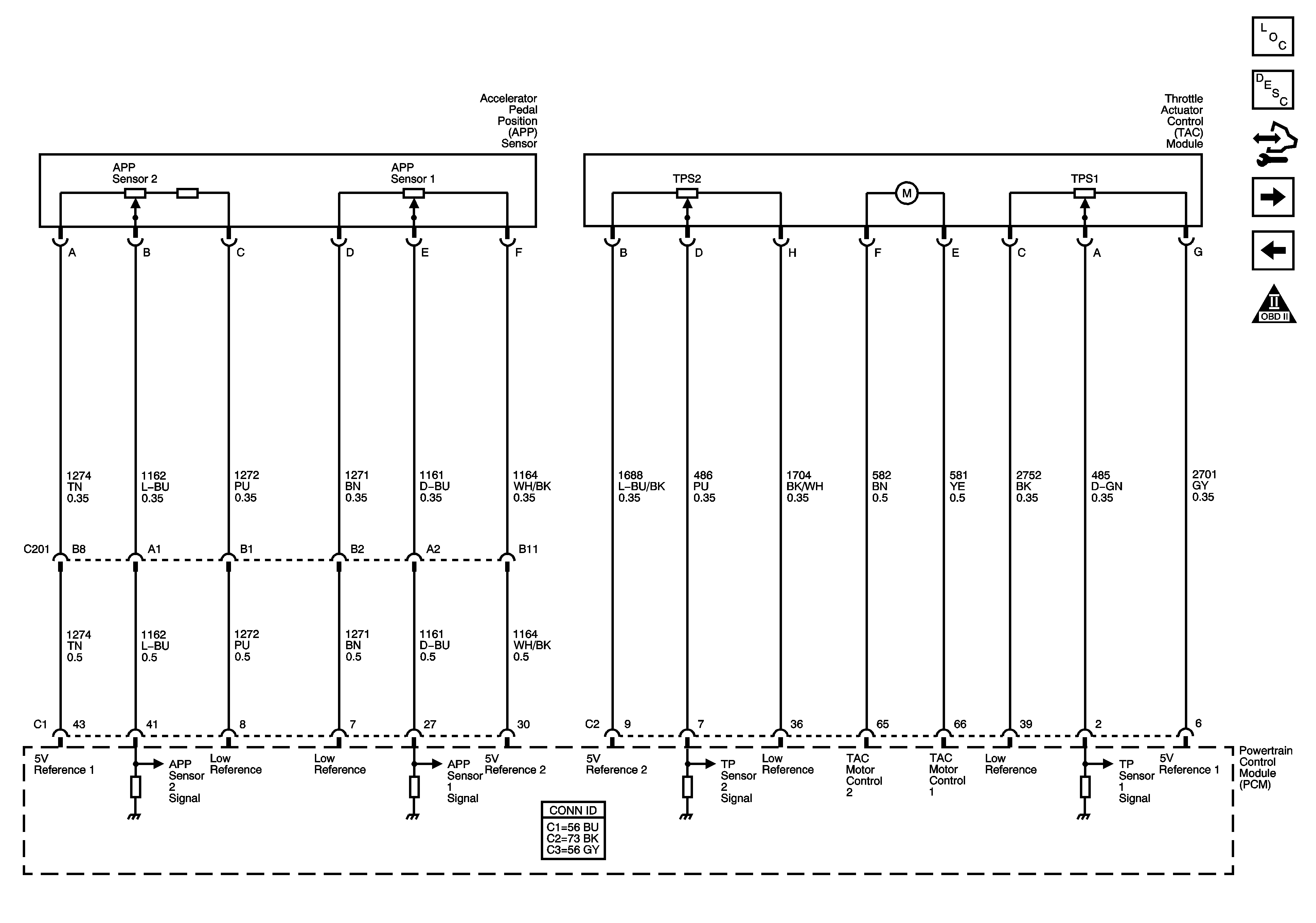
Figure 6:

Engine Data Sensors - APP and TAC


Object Number: 1509195  Size: FS
Master Electrical Component List
Throttle Actuator Control (TAC) System Description
Control Module References
Ignition Controls
Engine Data Controls - HO2S
Engine Controls Schematic Icons
Figure 7:

Ignition Controls


Object Number: 1509197  Size: FS
Master Electrical Component List
Electronic Ignition (EI) System Description
Control Module References
Fuel Controls
Engine Data Sensors - APP and TAC
Engine Controls Schematic Icons
FUEL FUMP Relay, POWERTRAIN Relay, FUEL PMP Fuse, EMISSION Fuse, INJECTORS Fuse, PCM/ECM Fuse
G103 and G105
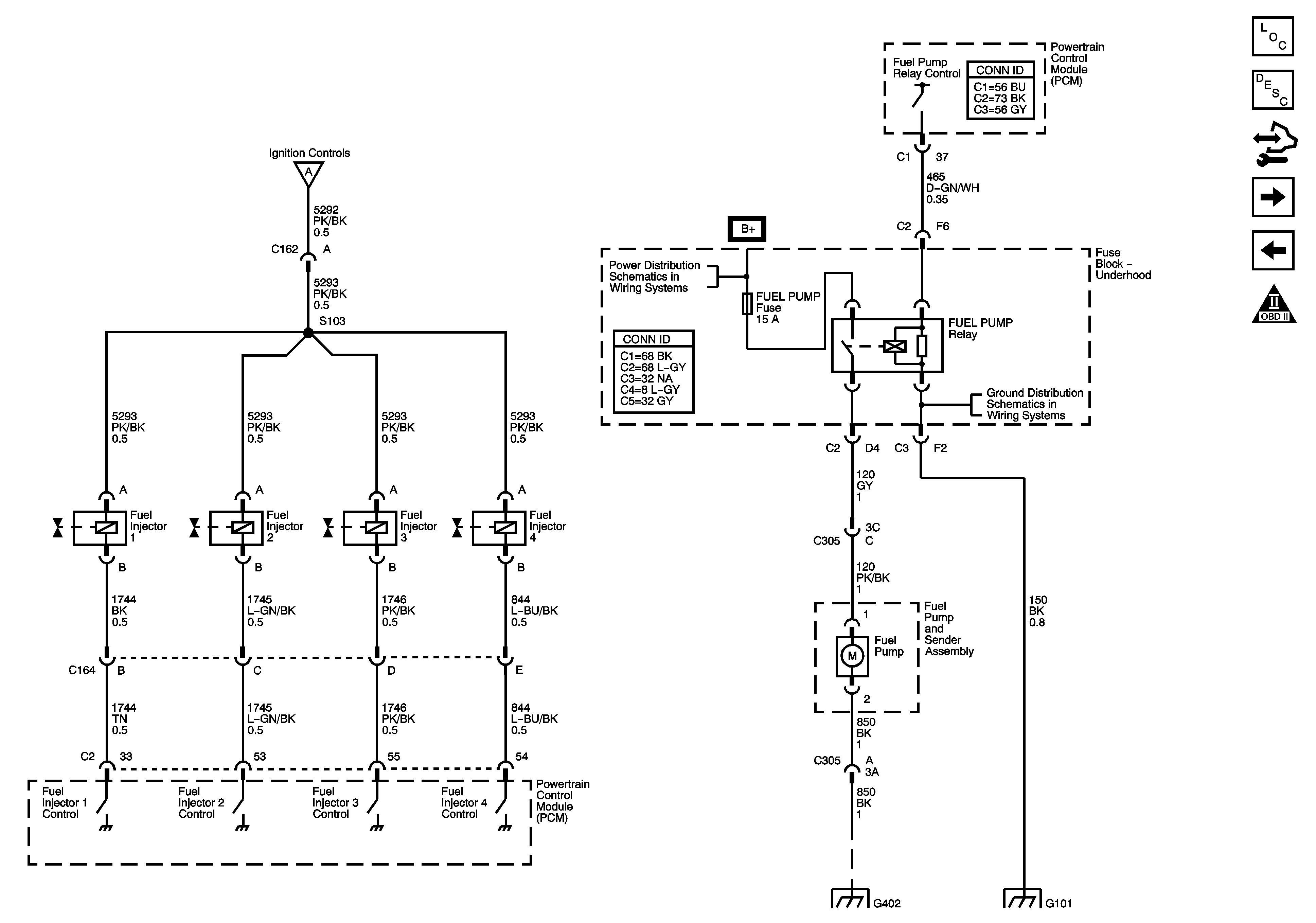
Figure 8:

Fuel Controls


Object Number: 1509199  Size: FS
Master Electrical Component List
Fuel System Description
Control Module References
Engine Data Sensors - EVAP, After Cooler Pump and Supercharger By-Pass Valve Solenoid
Ignition Controls
Engine Controls Schematic Icons
FUEL FUMP Relay, POWERTRAIN Relay, FUEL PMP Fuse, EMISSION Fuse, INJECTORS Fuse, PCM/ECM Fuse
G101 and G102
G402 and G403
G101 and G102
Figure 9:

Engine Data Sensors - EVAP, After Cooler Pump and Supercharger By-Pass Valve Solenoid


Object Number: 1509200  Size: FS
Master Electrical Component List
Evaporative Emission Control System Description
Control Module References
Controlled/Monitored Subsystem Reference
Fuel Controls
Engine Controls Schematic Icons
AFTERCOOL Relay, AFTERCOOL Fuse, A/C CLUTCH Relay, A/C Fuse, HORN PCB Relay, HORN Fuse, FOG LAMP PCB Relay, FOG LAMP Fuse, TRUNK/OUTLET Relay, TRUNK RELEASE PCB Relay
RUN/CRANK Relay, I/P IGN Fuse, PRK/NEUT Fuse, BACKUP Fuse, ABS Fuses, ECM TRANS Fuse, LIGHTER Fuse, CAN VENT Fuse, EPS Fuse, BCM2 and 3 Fuses, HEATED SEAT Fuse, S-BAND/ONSTAR Fuse, MIRROR Fuse
RUN/CRANK Relay, I/P IGN Fuse, PRK/NEUT Fuse, BACKUP Fuse, ABS Fuses, ECM TRANS Fuse, LIGHTER Fuse, CAN VENT Fuse, EPS Fuse, BCM2 and 3 Fuses, HEATED SEAT Fuse, S-BAND/ONSTAR Fuse, MIRROR Fuse
G103 and G105
Figure 10:

Controlled/Monitored Subsystem Reference


Object Number: 1509202  Size: FS
Master Electrical Component List
Evaporative Emission Control System Description
Control Module References
Engine Data Sensors - EVAP, After Cooler Pump and Supercharger By-Pass Valve Solenoid
Engine Controls Schematic Icons
Ambient Air Temperature Sensor, EOP Sensor, Fuel Level Sensor, and Indicators
Clutch Pedal Position Switch and Stop Lamp Switch
Cooling Fan and Indicator - 2.0L
Compressor Controls
Charging
Starting
Manual Transmission (LSJ)