GM Service Manual Online
For 1990-2009 cars only

Removal Procedure

    Notice: Allow sufficient clearance around the transaxle oil cooler pipes and around the hoses to prevent damage or wear which may cause fluid loss.

  1. Raise and support the vehicle. Refer to Lifting and Jacking the Vehicle in General Information.
  2. Position a drain pan under the transaxle cooler pipes.

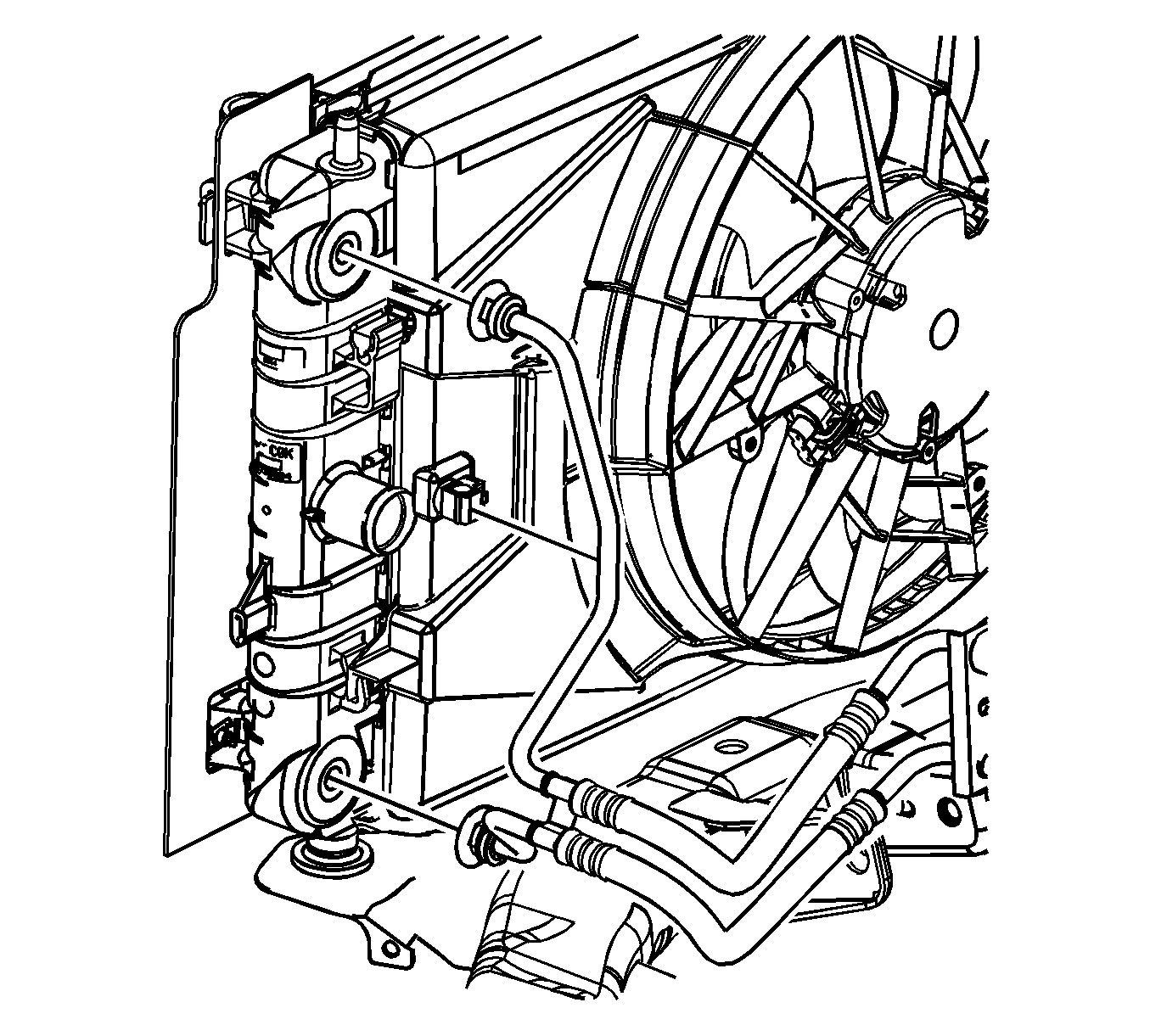
  3. Object Number: 1523657  Size: SH
  4. Remove the transaxle oil cooler pipes retaining nut from the transaxle.
  5. Remove the transaxle oil cooler pipes from the transaxle.

  6. Object Number: 1523656  Size: SH
  7. Using J 41623-B remove the transaxle oil cooler pipes from the fittings at the radiator.
  8. Remove the transaxle oil cooler pipe from the retaining clip at the radiator.
  9. Remove the transaxle oil cooler pipes from the vehicle.

Installation Procedure


    Object Number: 1523656  Size: SH
  1. Install the transaxle oil cooler pipes to the vehicle.
  2. Install the transaxle oil cooler pipes to the fittings at the radiator.
  3. Install the transaxle oil cooler pipe to the retaining clip at the radiator.

  4. Object Number: 1523657  Size: SH
  5. Install the transaxle oil cooler pipes to the transaxle.
  6. Notice: Refer to Fastener Notice in the Preface section.

  7. Install the transaxle oil cooler pipe retaining nut.
  8. Tighten
    Tighten the nut to 7 N·m (62 lb in).

  9. Remove the drain pan.
  10. Lower the vehicle.
  11. Notice: Do NOT overfill the transaxle. The overfilling of the transaxle causes foaming, loss of fluid, shift complaints, and possible damage to the transaxle.

  12. Adjust the transmission fluid level. Refer to Transmission Fluid Check .
  13. Inspect for fluid leaks.