GM Service Manual Online
For 1990-2009 cars only
Makes
🢒
Chevrolet
🢒
2006
🢒
Cobalt
🢒
Body
🢒
Wipers/Washer Systems
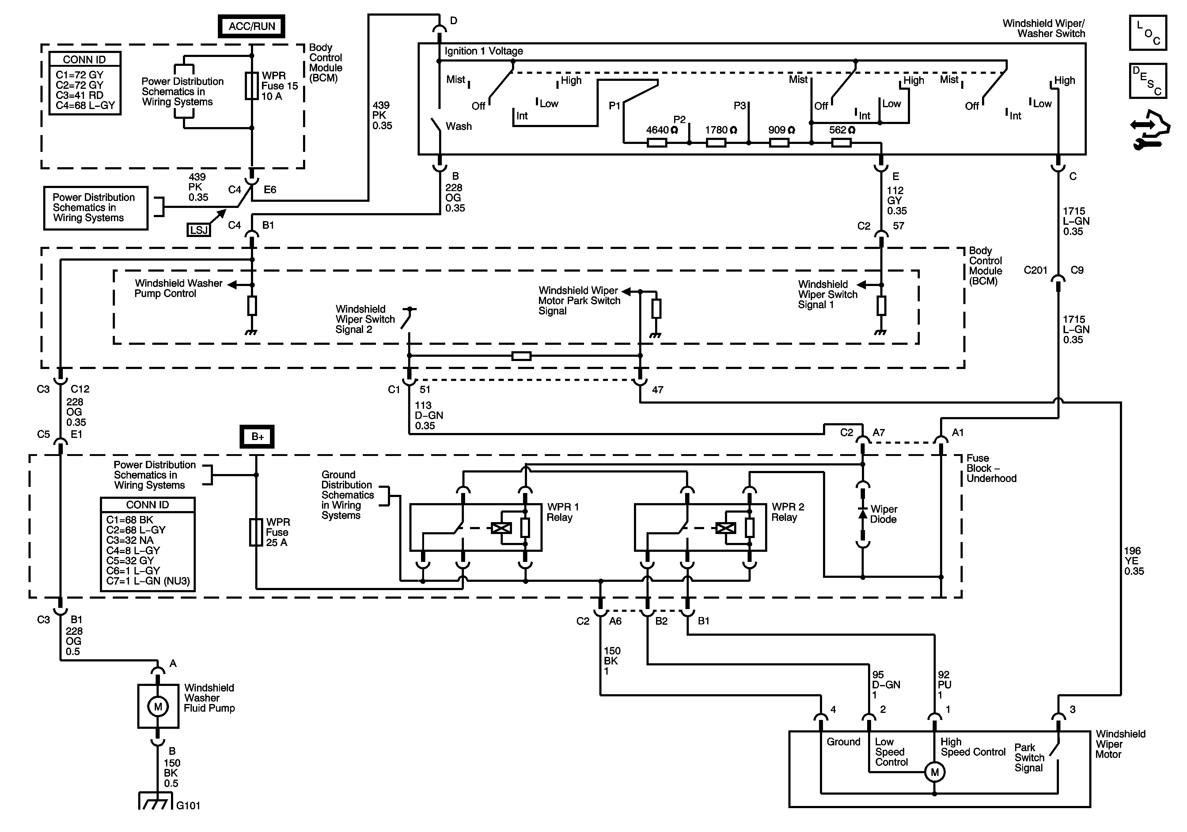
🢒 Wiper/Washer Schematics
Master Electrical Component List
Wiper/Washer System Description and Operation (Front)
Control Module References
RUN/CRANK, HVAC Relays, I/P, IGN, BCM3, WIPER, I/P IGN Fuses
Underhood Fuse Block, B+ Bus
G101, G102
G101, G102