GM Service Manual Online
For 1990-2009 cars only
Makes
🢒
Chevrolet
🢒
2006
🢒
Cobalt
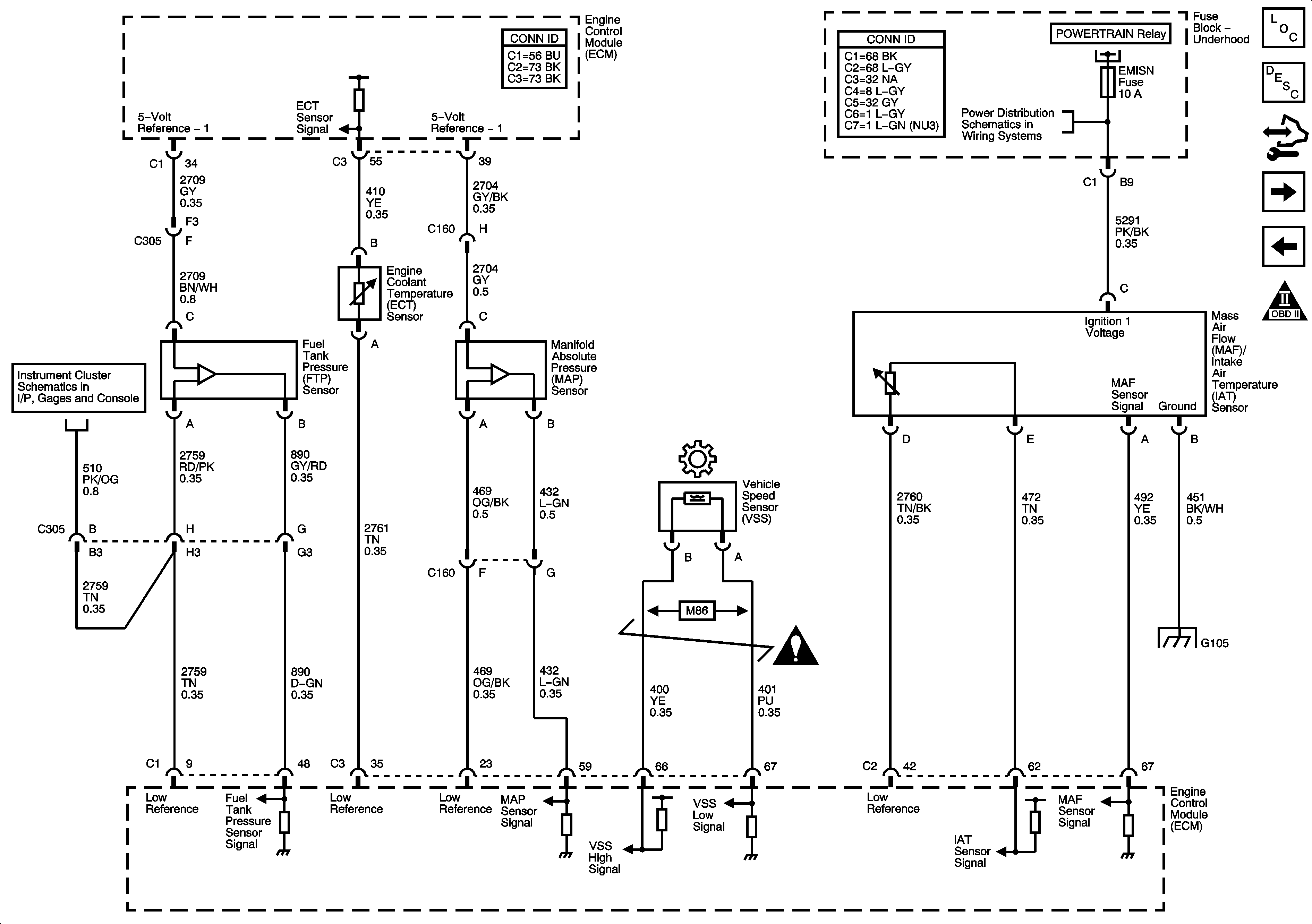
🢒 Engine Data Sensors - Pressure, Temperature, MAF, and VSS
Engine Data Sensors - Pressure, Temperature, MAF, and VSS
Engine Data Sensors - Pressure, Temperature, MAF, and VSS
Master Electrical Component List
Engine Control Module Description
Control Module References
Engine Data Sensors - Oxygen Sensors
Engine Data Sensors - 5-Volt and Low Reference
Engine Controls Schematic Icons
Ambient Air Temperature Sensor, EOP Sensor, Fuel Level Sensor and Indicator
Engine Controls Schematic Icons
G103, G105