GM Service Manual Online
For 1990-2009 cars only
Figure 1:

Dimmer Switch Inputs


Object Number: 1784598  Size: FS
Master Electrical Component List
Interior Lighting Systems Description and Operation
Control Module References
I/P and Seat Lighting
Lighting Systems Schematic Icons
I/P and Seat Lighting
Park Lamps
Sensors, Indicators
G201 (1 of 2)
G109, G111, G203, G306
G201 (1 of 2)
G109, G111, G203, G306
G201 (1 of 2)
G109, G111, G203, G306
G201 (1 of 2)
Figure 2:

I/P and Seat Lighting


Object Number: 1784600  Size: FS
Master Electrical Component List
Interior Lighting Systems Description and Operation
Control Module References
Door and Seat Lighting
Dimmer Switch Inputs
Dimmer Switch Inputs
Door and Seat Lighting
Lighting Systems Schematic Icons
G201 (2 of 2)
G109, G111, G203, G306
G201 (2 of 2)
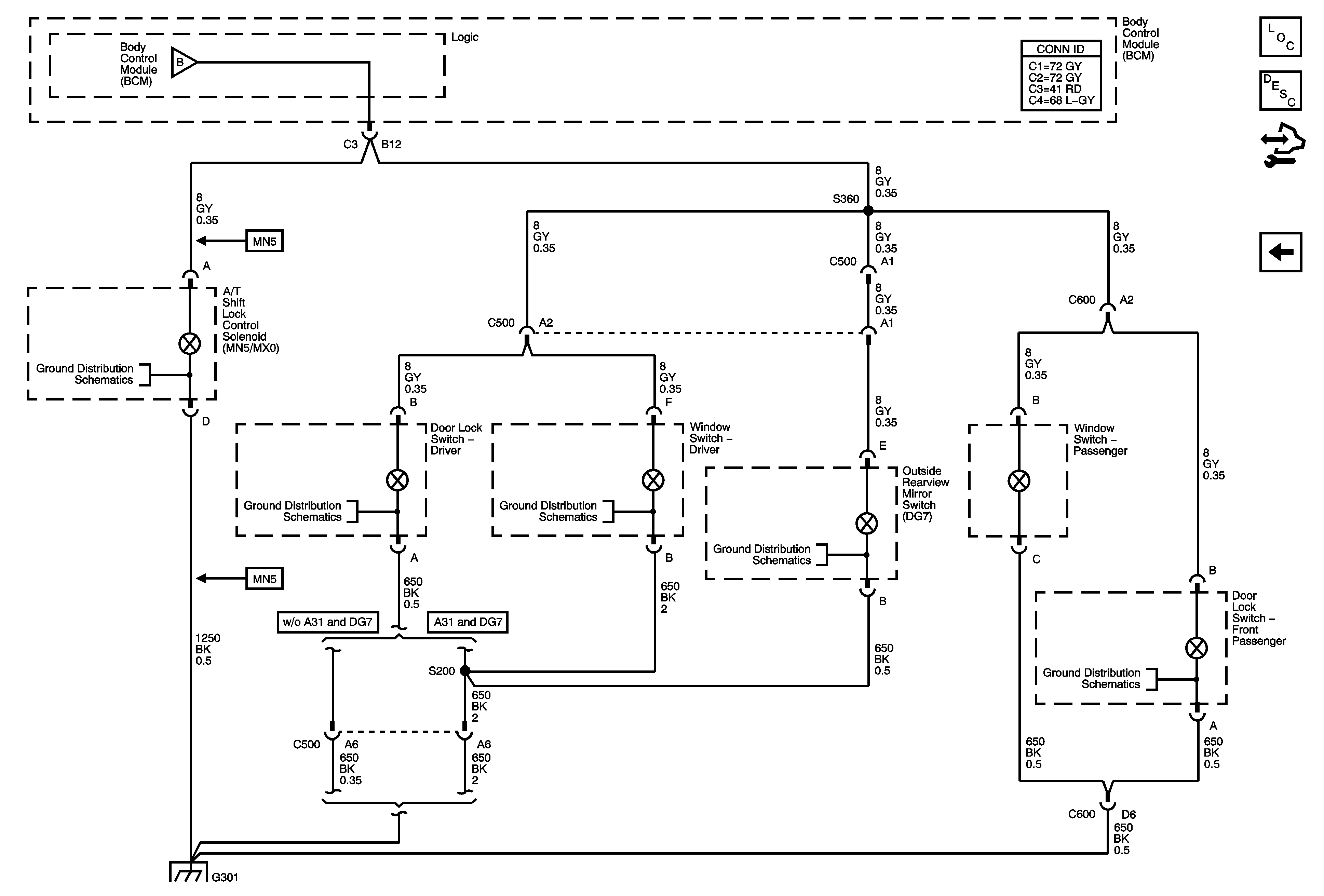
Figure 3:

Door and Console Lighting


Object Number: 1784603  Size: FS
Master Electrical Component List
Interior Lighting Systems Description and Operation
Control Module References
I/P and Seat Lighting
I/P and Seat Lighting
G301 (1 of 2)
G301 (2 of 2)
G301 (2 of 2)
G301 (2 of 2)
G301 (2 of 2)
G301 (2 of 2)