GM Service Manual Online
For 1990-2009 cars only
Makes
🢒
Chevrolet
🢒
2007
🢒
Cobalt
🢒
Power and Signal Distribution
🢒
Wiring Systems and Power Management
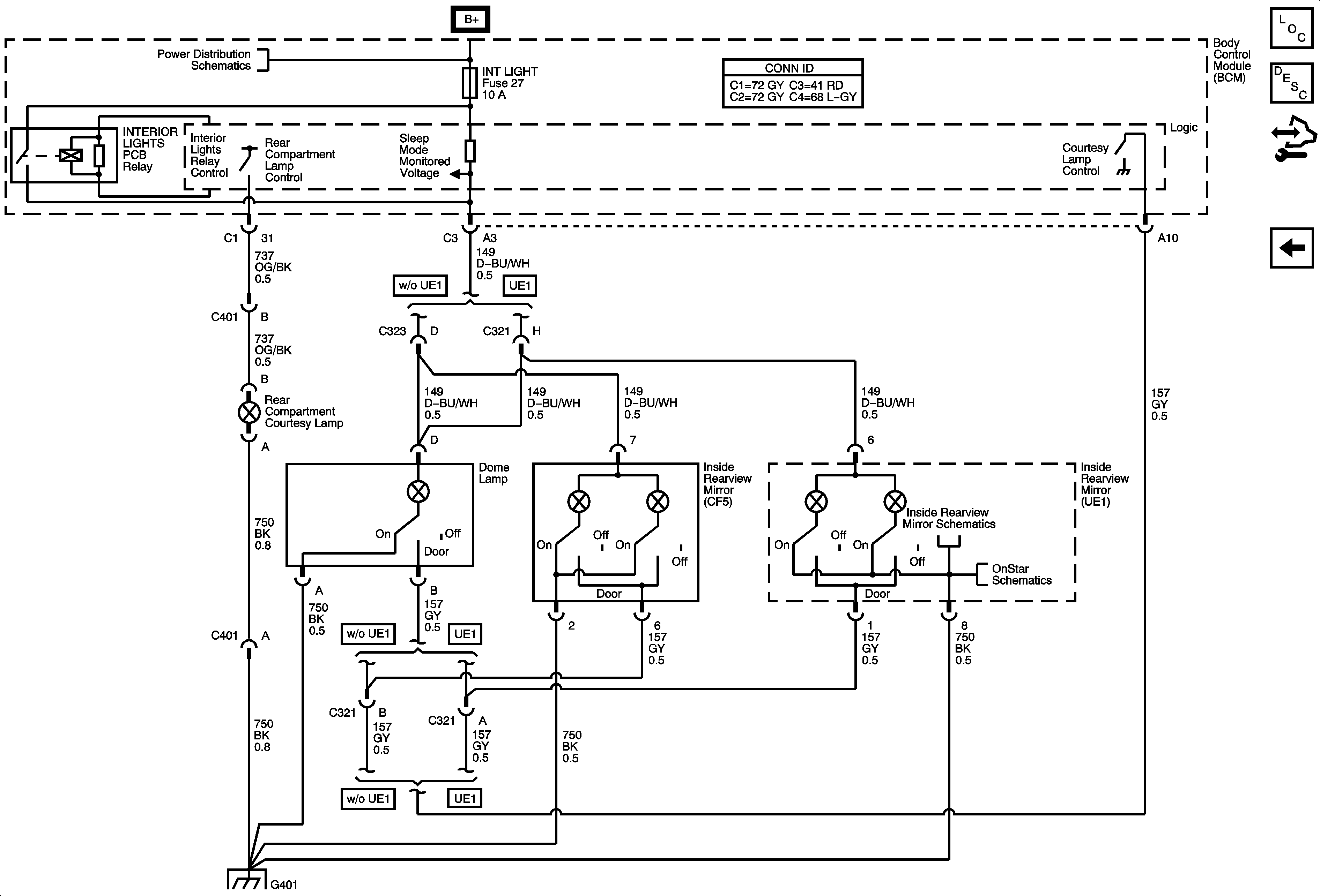
🢒 Interior Lights Schematics
Figure
1:
Inputs
Master Electrical Component List
Exterior Lighting Systems Description and Operation
Control Module References
Outputs
Rear Compartment Lid Release
Door Switches
G401
G301 (2 of 2)
Figure
2:
Outputs
Master Electrical Component List
Exterior Lighting Systems Description and Operation
Control Module References
Inputs
BCM Fuses - DR LCK, ECM/TCM, INT LIGHT, PWR WNDW, RDO, SDM, S ROOF
Inside Rearview Mirror Schematic
Onstar Schematics
G401