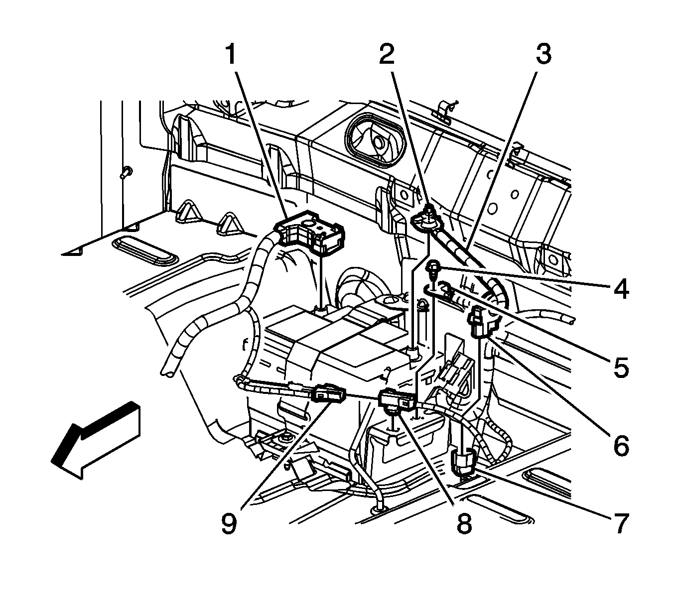
Removal Procedure
Caution: Refer to SIR Caution in the Preface section.
- Remove the rear compartment floor mat.
- Record all of the vehicle preset radio stations.
- Ensure that all lamps and accessories are OFF.
- Ensure that the ignition switch is in the OFF position.
Caution: Refer to Battery Disconnect Caution in the Preface section.
- Loosen the negative battery cable (2) bolt.
- Remove the negative battery cable (3) from the battery.
Installation Procedure
Important: Clean any existing oxidation from the contact face of the battery terminal and battery cable using a wire brush before installing the battery cable to the battery terminal.
- Position the negative battery cable (3) to the battery.
Notice: Refer to Fastener Notice in the Preface section.
- Tighten the negative battery cable bolt (2).
Tighten
Tighten the bolt to 17 N·m (13 lb ft).
- Install the rear compartment floor mat.
- Reset the radio stations and the clock.