GM Service Manual Online
For 1990-2009 cars only
Figure 1:

Radio (UQ4)


Object Number: 1963479  Size: FS
Master Electrical Component List
Radio/Audio System Description and Operation
Control Module References
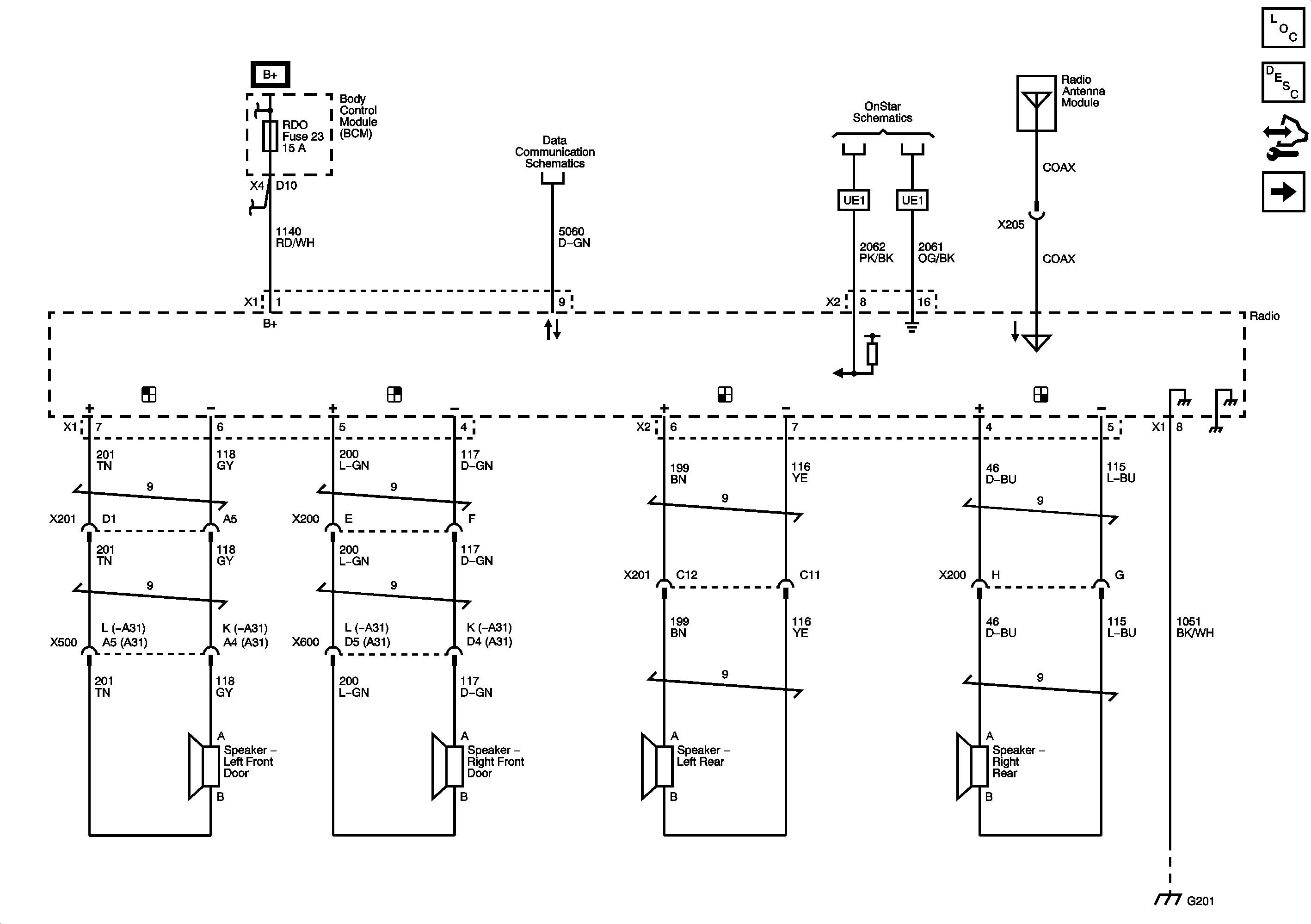
Power, Ground, Communication (UQ3)
Figure 2:

Power, Ground, Communication (UQ3)


Object Number: 1963481  Size: FS
Master Electrical Component List
Radio/Audio System Description and Operation
Control Module References
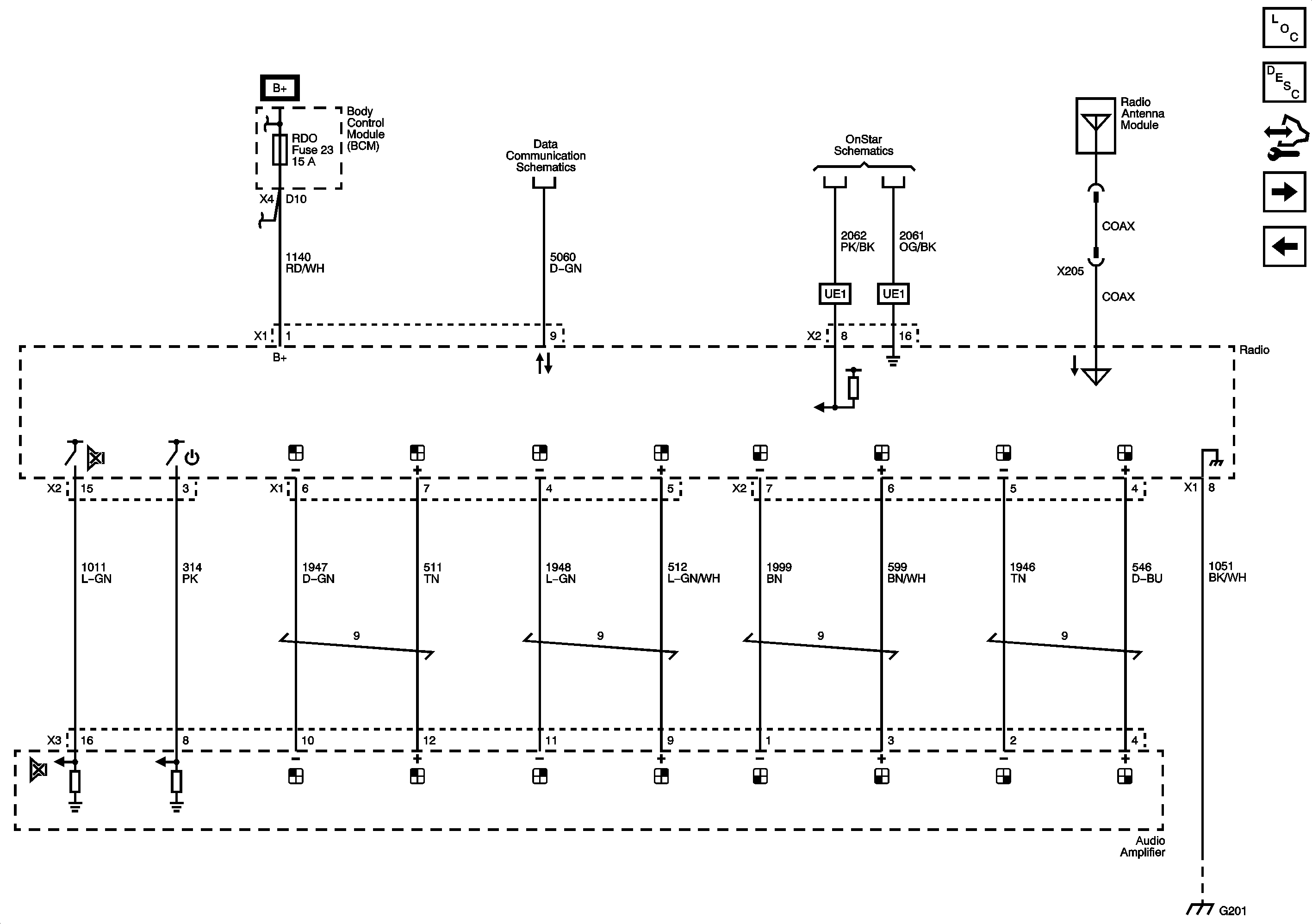
Amplifier, Speakers
Radio (UQ4)
Figure 3:

Amplifier, Speakers (UQ3)


Object Number: 1963483  Size: FS
Master Electrical Component List
Radio/Audio System Description and Operation
Control Module References
Digital Radio Receiver (U2K)
Power, Ground, Communication (UQ3)
Figure 4:

Digital Radio Receiver (U2K)


Object Number: 1963485  Size: FS
Master Electrical Component List
Radio/Audio System Description and Operation
Control Module References
Redundant Radio Controls
Amplifier, Speakers
Figure 5:

Redundant Radio Controls


Object Number: 1963488  Size: FS
Master Electrical Component List
Radio/Audio System Description and Operation
Control Module References
Digital Radio Receiver (U2K)