GM Service Manual Online
For 1990-2009 cars only
Figure 1:

Inputs


Object Number: 1963418  Size: FS
Master Electrical Component List
Exterior Lighting Systems Description and Operation
Control Module References
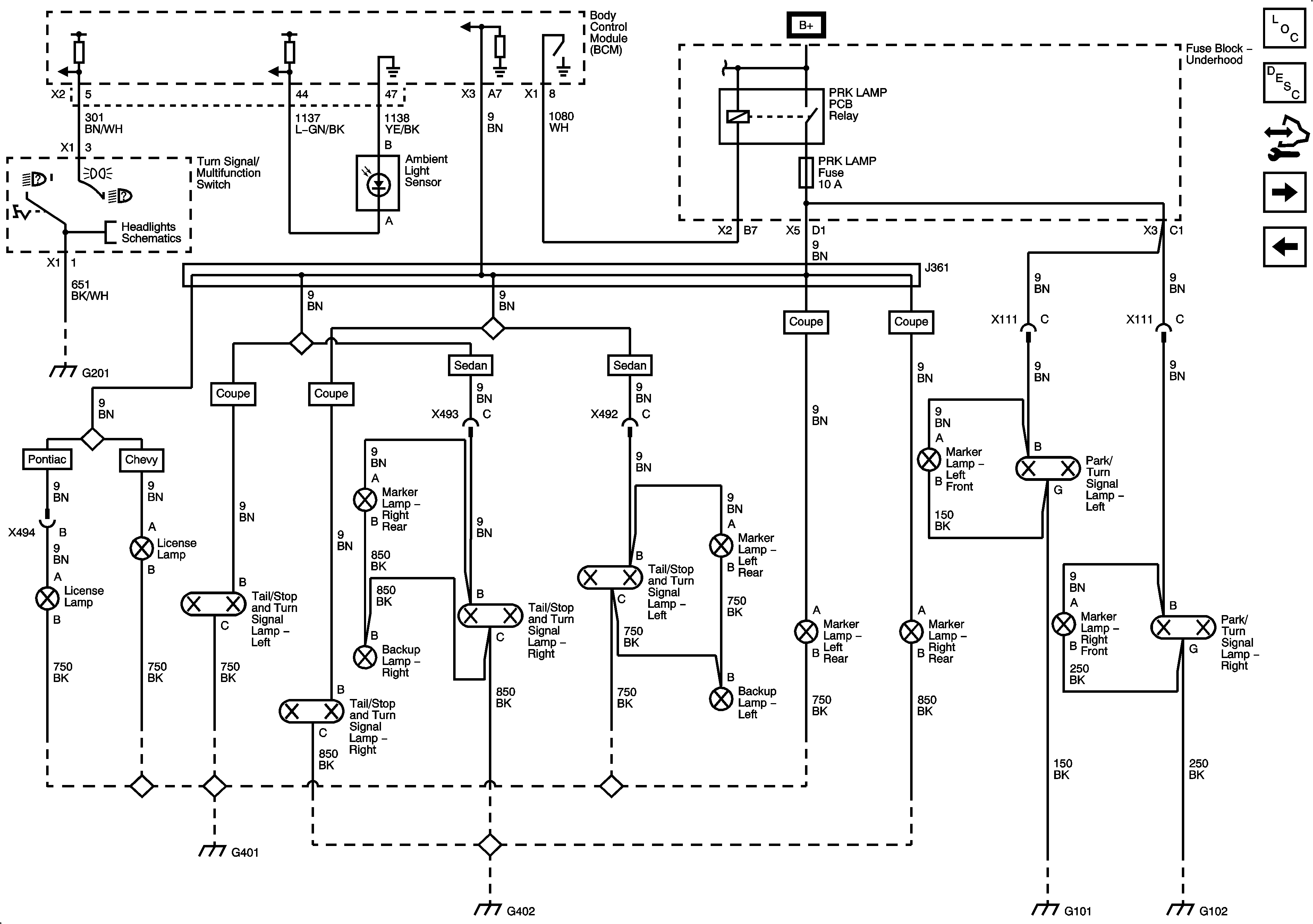
Park Lamps
Figure 2:

Park Lamps


Object Number: 1963420  Size: FS
Master Electrical Component List
Exterior Lighting Systems Description and Operation
Control Module References
Hazards, Turn Signals
Inputs
Figure 3:

Hazards, Turn Signals


Object Number: 1963422  Size: FS
Master Electrical Component List
Exterior Lighting Systems Description and Operation
Control Module References
Stop Lamps
Park Lamps
Figure 4:

Stop Lamps


Object Number: 1963424  Size: FS
Master Electrical Component List
Exterior Lighting Systems Description and Operation
Control Module References
Backup Lamps
Hazards, Turn Signals
Figure 5:

Backup Lamps


Object Number: 1963426  Size: FS
Master Electrical Component List
Exterior Lighting Systems Description and Operation
Control Module References
Stop Lamps