GM Service Manual Online
For 1990-2009 cars only
Makes
🢒
Chevrolet
🢒
2008
🢒
Cobalt
🢒
Diagnostic Navigation
🢒
Vehicle Diagnostic Information
🢒 Antilock Brake System Schematics
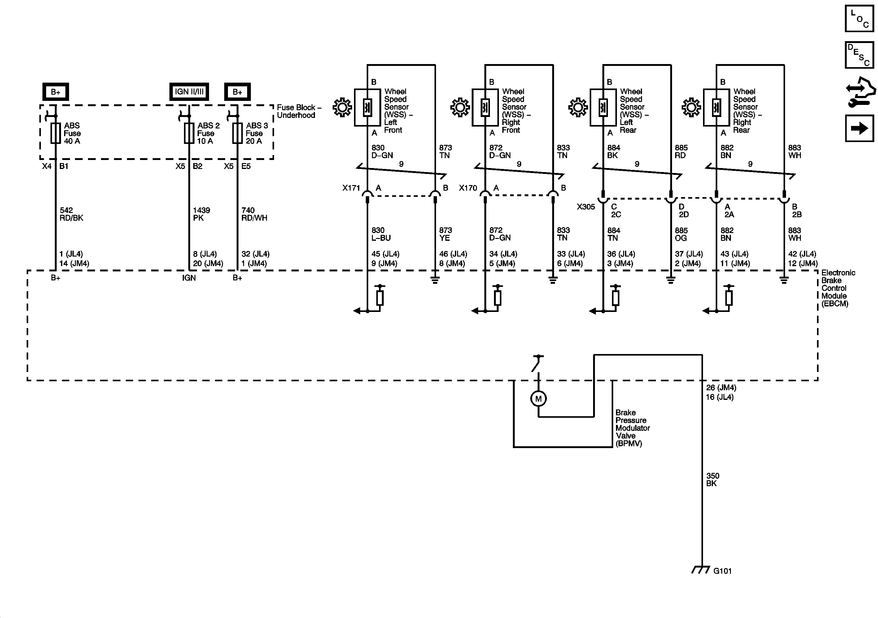
Figure
1:
Power, Ground, Wheel Speed Sensors
Master Electrical Component List
ABS Description and Operation
Control Module References
Indicators
Figure
2:
Indicators
Master Electrical Component List
ABS Description and Operation
Control Module References
Power, Ground, Wheel Speed Sensors