GM Service Manual Online
For 1990-2009 cars only
Makes
🢒
Chevrolet
🢒
2008
🢒
Cobalt
🢒
Body Systems
🢒
Vehicle Access
🢒 Door Lock/Indicator Schematics
Figure
1:
Door Latches
Master Electrical Component List
Power Door Locks Description and Operation
Control Module References
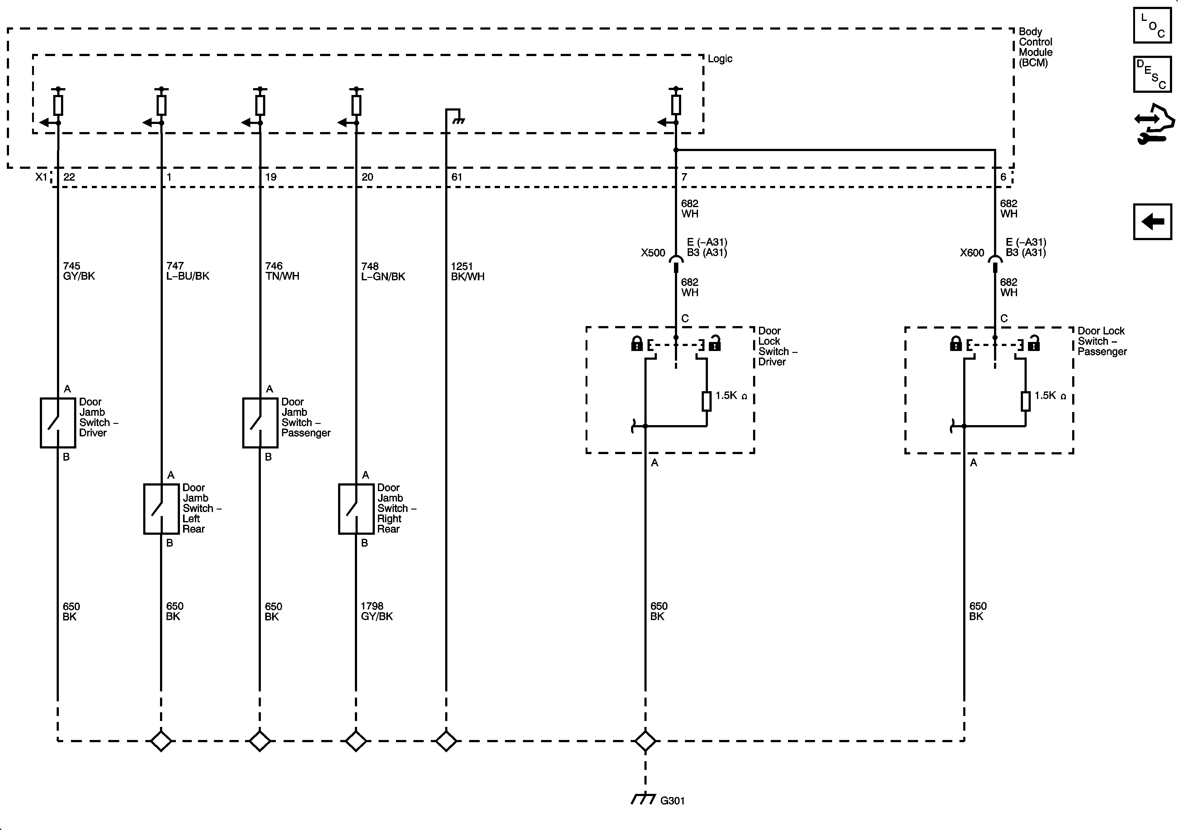
Door Switches
Figure
2:
Door Switches
Master Electrical Component List
Power Door Locks Description and Operation
Control Module References
Door Latches