GM Service Manual Online
For 1990-2009 cars only
Makes
🢒
Chevrolet
🢒
2008
🢒
Cobalt
🢒
Power and Signal Distribution
🢒
Data Communications
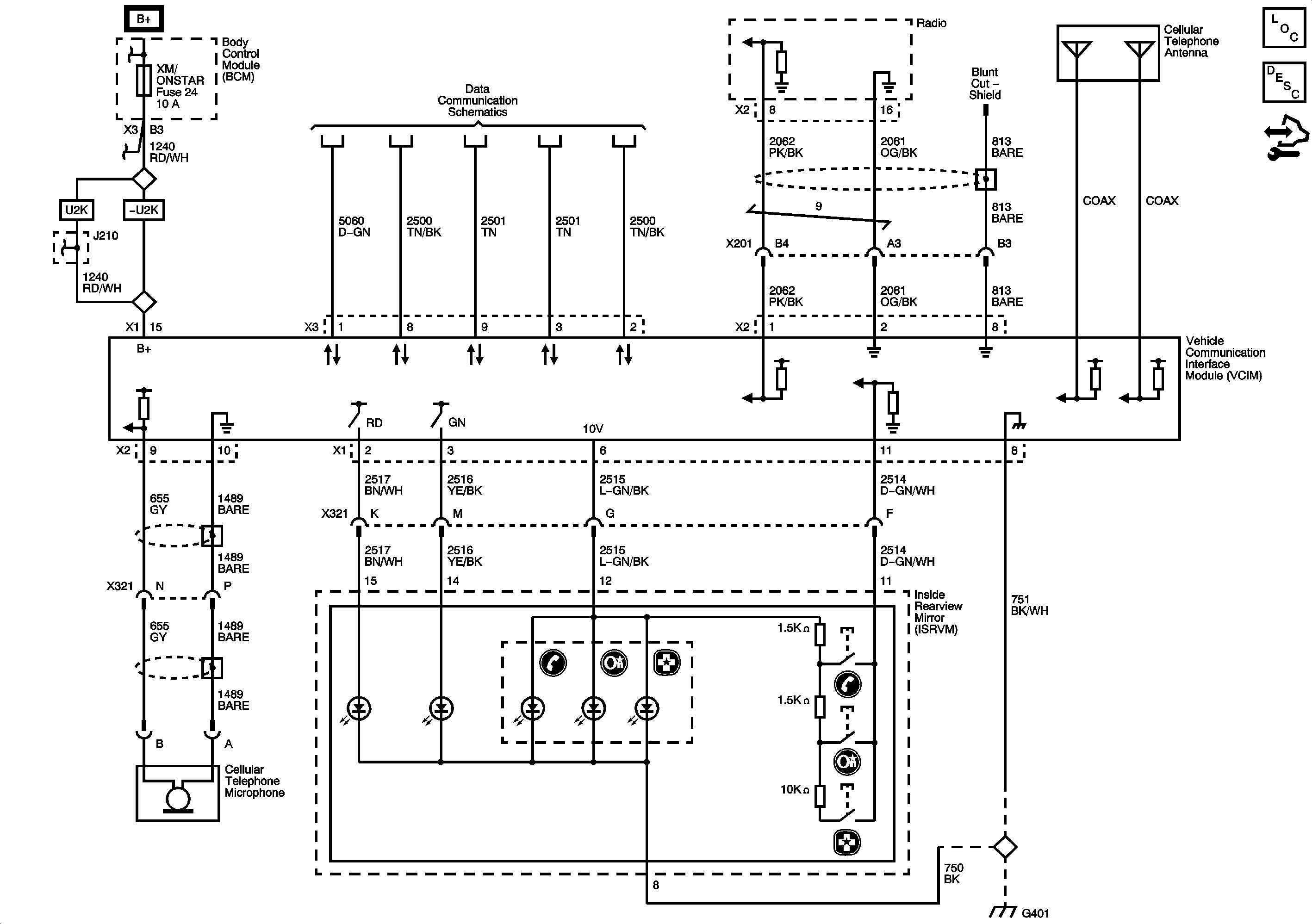
🢒 OnStar Schematics
Master Electrical Component List
OnStar Description and Operation
Control Module References