GM Service Manual Online
For 1990-2009 cars only
Figure 1:

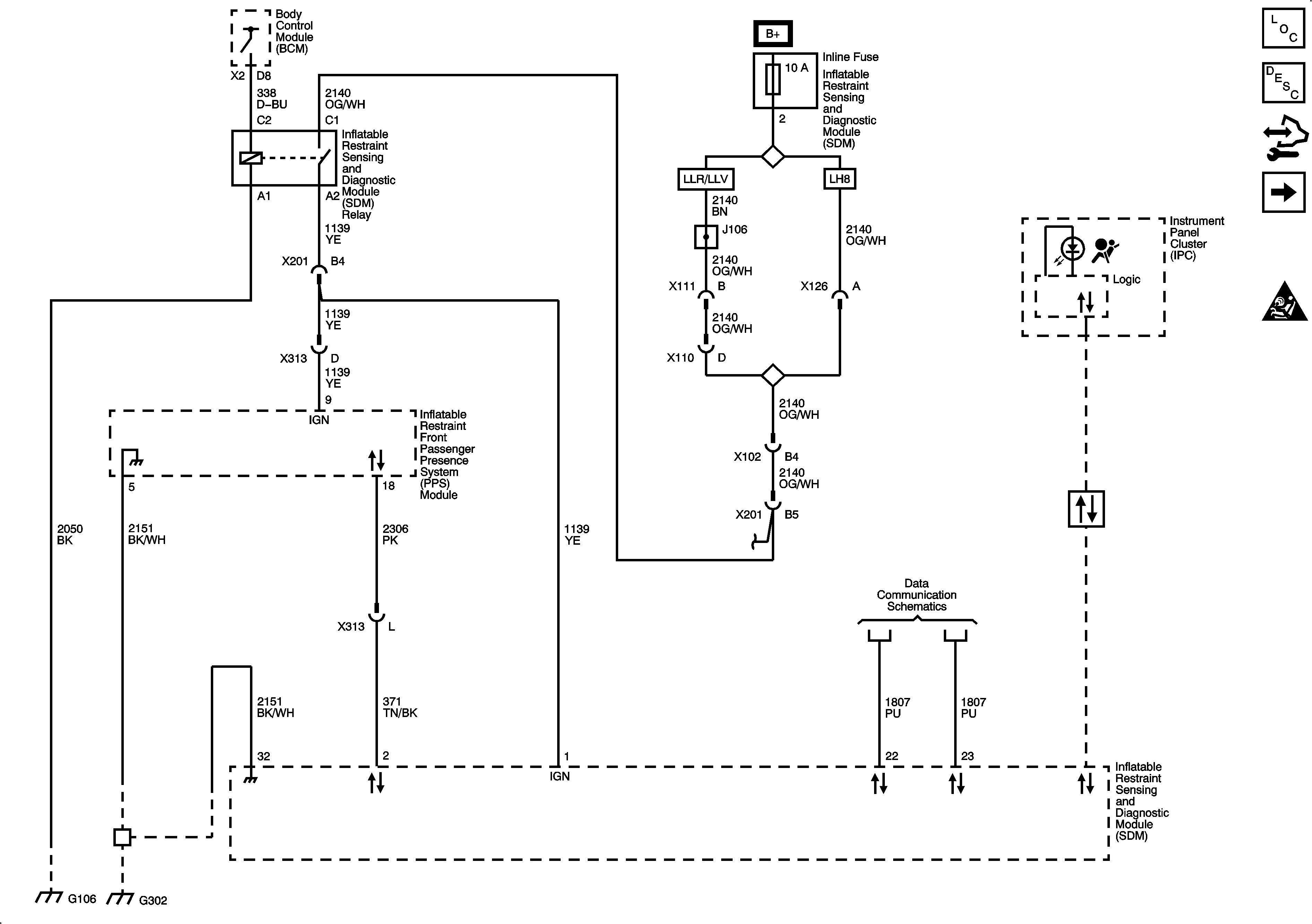
Power, Ground, and Serial Data


Object Number: 2082769  Size: FS
Figure 2:

Impact Sensors and Modules


Object Number: 2082773  Size: FS
Figure 3:

Passenger Presence


Object Number: 2082776  Size: FS
Figure 4:

Seat Position Sensors and Seat Belt Pretensioners


Object Number: 2082782  Size: FS