GM Service Manual Online
For 1990-2009 cars only
Makes
🢒
Chevrolet
🢒
2004
🢒
Colorado Pickup - 4WD
🢒
Accessories
🢒
Cellular Communication
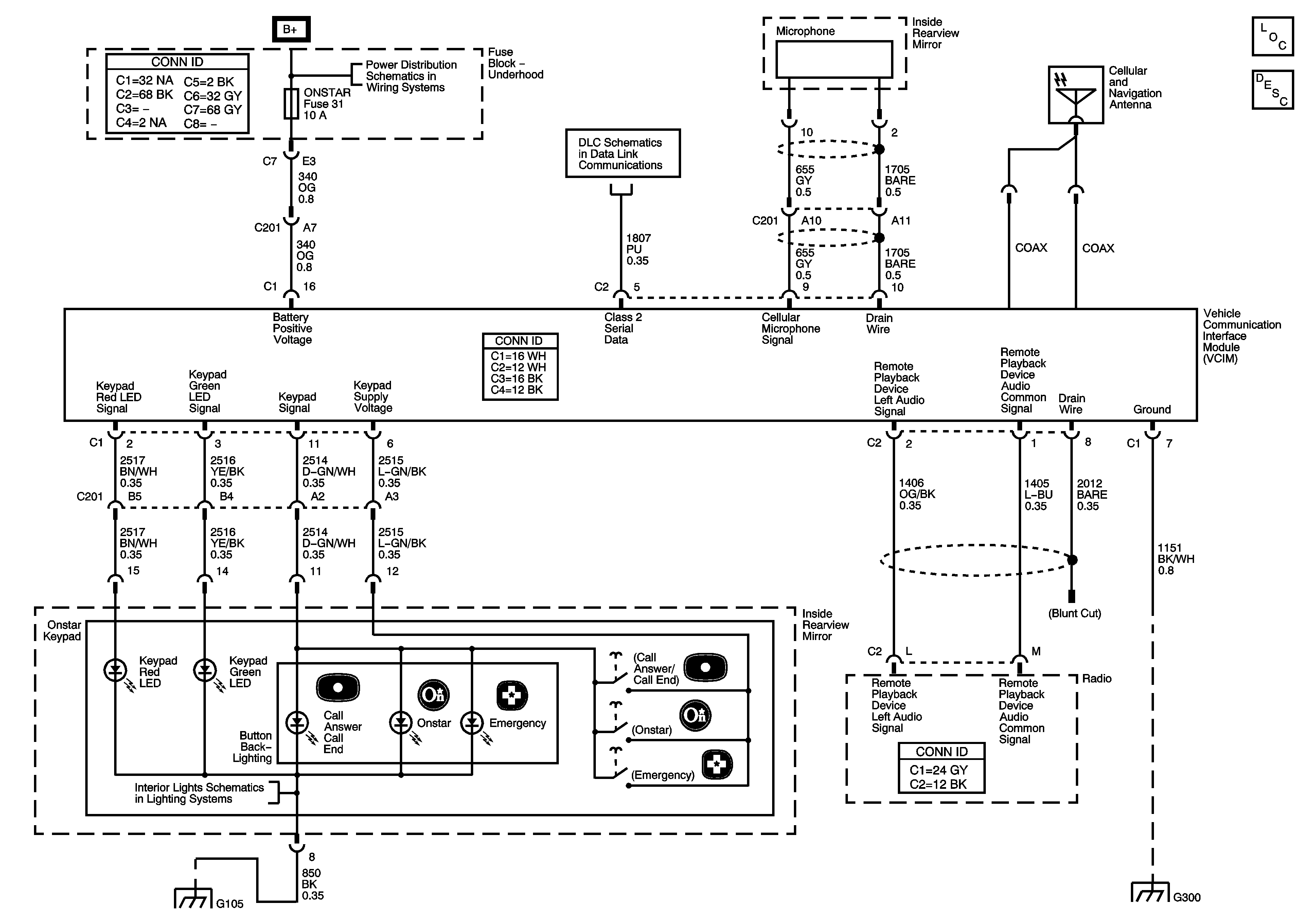
🢒 OnStar Schematics
Master Electrical Component List
OnStar Description and Operation
B+ Bus - Underhood Fuse Block
Data Link Connector (DLC) Schematics
Inside Rearview Mirror, Dome Lamp, Footwell Lamps, and Cargo Lamp
Splice Pack SP105 and G105 - 1 of 2
G300, G301, and G302