GM Service Manual Online
For 1990-2009 cars only
Makes
🢒
Chevrolet
🢒
2005
🢒
Colorado Pickup - 4WD
🢒
Engine
🢒
Engine Electrical
🢒 Starting and Charging Schematics
Figure
1:
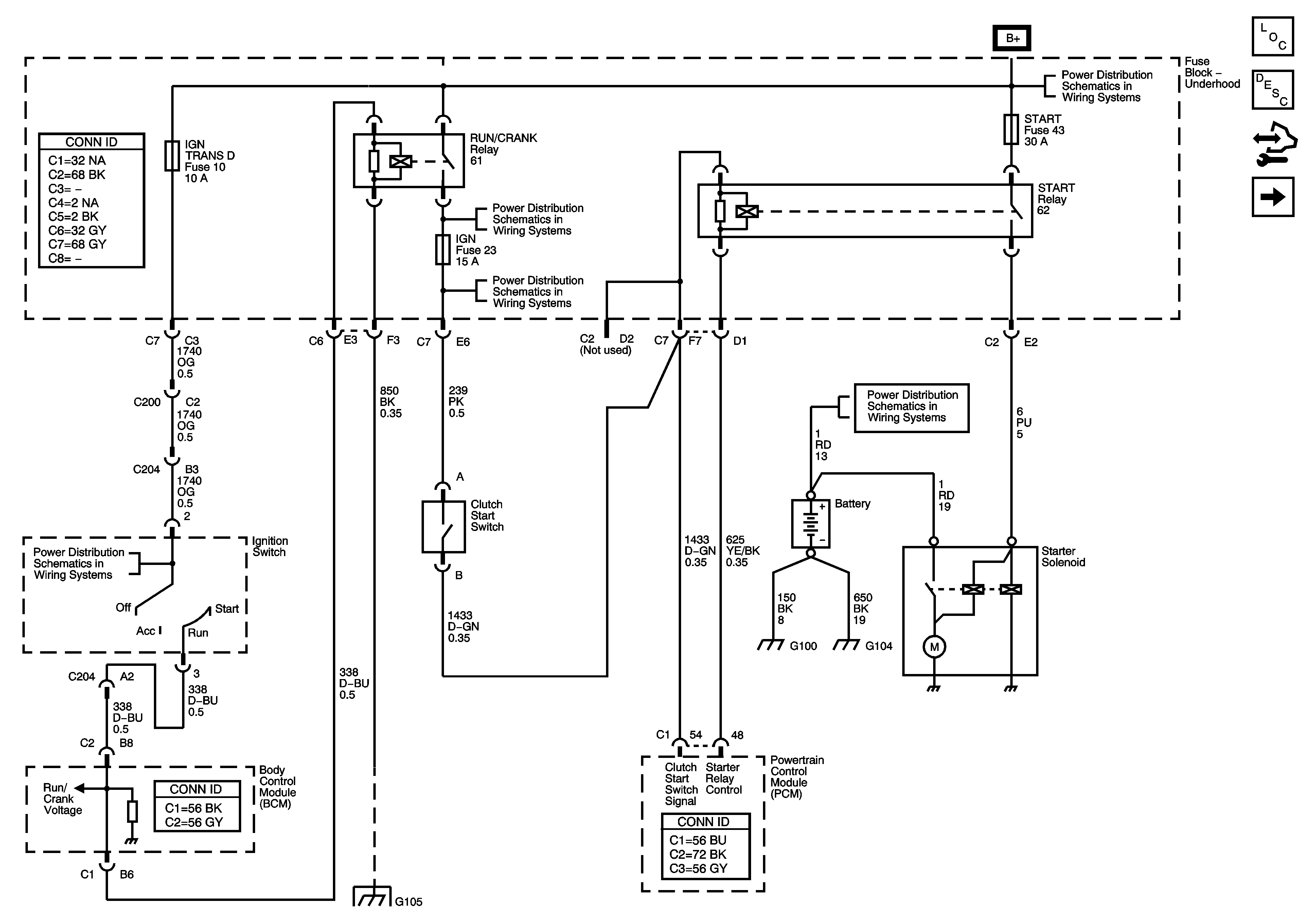
Starting System - MA5
Master Electrical Component List
Starting System Description and Operation
Body Control Module (BCM) Programming/RPO Configuration
Starting System - M30
B+ Bus - Underhood Fuse Block
B+ Bus - Underhood Fuse Block
B+ Bus - Underhood Fuse Block
B+ Bus - Underhood Fuse Block
Ignition Switch and IGN TRANS D Fuse
Splice Pack SP105 and G105 - 1 of 2
Figure
2:
Starting System - M30
Master Electrical Component List
Starting System Description and Operation
Body Control Module (BCM) Programming/RPO Configuration
Charging System
Starting and Charging - MA5
B+ Bus - Underhood Fuse Block
B+ Bus - Underhood Fuse Block
B+ Bus - Underhood Fuse Block
RUN/CRANK Relay Bus - 2 of 3, ABS, BACKUP, and IGN Fuses
B+ Bus - Underhood Fuse Block
Ignition Switch and IGN TRANS D Fuse
Splice Pack SP105 and G105 - 1 of 2
Figure
3:
Charging System
Master Electrical Component List
Charging System Description and Operation
Body Control Module (BCM) Programming/RPO Configuration
Starting System - M30
B+ Bus - Underhood Fuse Block
B+ Bus - Underhood Fuse Block