GM Service Manual Online
For 1990-2009 cars only

Removal Procedure

  1. Disconnect the negative battery cable from the battery. Refer to

    Caution: Unless directed otherwise, the ignition and start switch must be in the OFF or LOCK position, and all electrical loads must be OFF before servicing any electrical component. Disconnect the negative battery cable to prevent an electrical spark should a tool or equipment come in contact with an exposed electrical terminal. Failure to follow these precautions may result in personal injury and/or damage to the vehicle or its components.

    in General Information.
  2. Remove the battery heatshield.
  3. Discharge the A/C system. Refer to Refrigerant Recovery and Recharging .

  4. Object Number: 82076  Size: SH
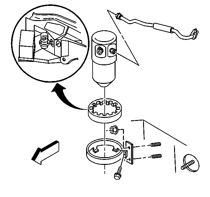
  5. Remove the accumulator hose assembly at the accumulator. Refer to Evaporator and Accumulator Hose Assembly .

  6. Object Number: 95632  Size: SH
  7. Remove the compressor hose from the accumulator.

  8. Object Number: 82076  Size: SH
  9. Remove the accumulator bracket from the dash panel.
  10. Remove the bolt/screw from the accumulator bracket.
  11. Remove the accumulator and insulator from the accumulator bracket.
  12. Remove the insulator from the accumulator.

Installation Procedure


    Object Number: 82076  Size: SH
  1. Install the insulator onto the accumulator.
  2. Install the accumulator and insulator into the accumulator bracket.
  3. Install the bolt into the accumulator bracket.
  4. Tighten
    Tighten the accumulator bracket bolt to 10 N·m (89 lb in).

    Notice: Use the correct fastener in the correct location. Replacement fasteners must be the correct part number for that application. Fasteners requiring replacement or fasteners requiring the use of thread locking compound or sealant are identified in the service procedure. Do not use paints, lubricants, or corrosion inhibitors on fasteners or fastener joint surfaces unless specified. These coatings affect fastener torque and joint clamping force and may damage the fastener. Use the correct tightening sequence and specifications when installing fasteners in order to avoid damage to parts and systems.

  5. Install the accumulator and bracket assembly onto the dash panel.
  6. Tighten
    Tighten the accumulator bracket nut to 10 N·m (89 lb in).

  7. Install the accumulator hose onto the accumulator.
  8. Tighten
    Tighten the accumulator hose to accumulator to 41 N·m (30 lb ft).


    Object Number: 95632  Size: SH
  9. Install the compressor hose onto the accumulator.
  10. Tighten
    Tighten the compressor hose bolt to accumulator to 20 N·m (15 lb ft).

  11. Install the battery heat shield.
  12. Connect the negative battery cable. Refer to

    Caution: Unless directed otherwise, the ignition and start switch must be in the OFF or LOCK position, and all electrical loads must be OFF before servicing any electrical component. Disconnect the negative battery cable to prevent an electrical spark should a tool or equipment come in contact with an exposed electrical terminal. Failure to follow these precautions may result in personal injury and/or damage to the vehicle or its components.

    in General Information.
  13. Evacuate and charge the air conditioning system. Refer to Evacuation and Air Conditioning (A/C) Charging Using ACR4 .