GM Service Manual Online
For 1990-2009 cars only

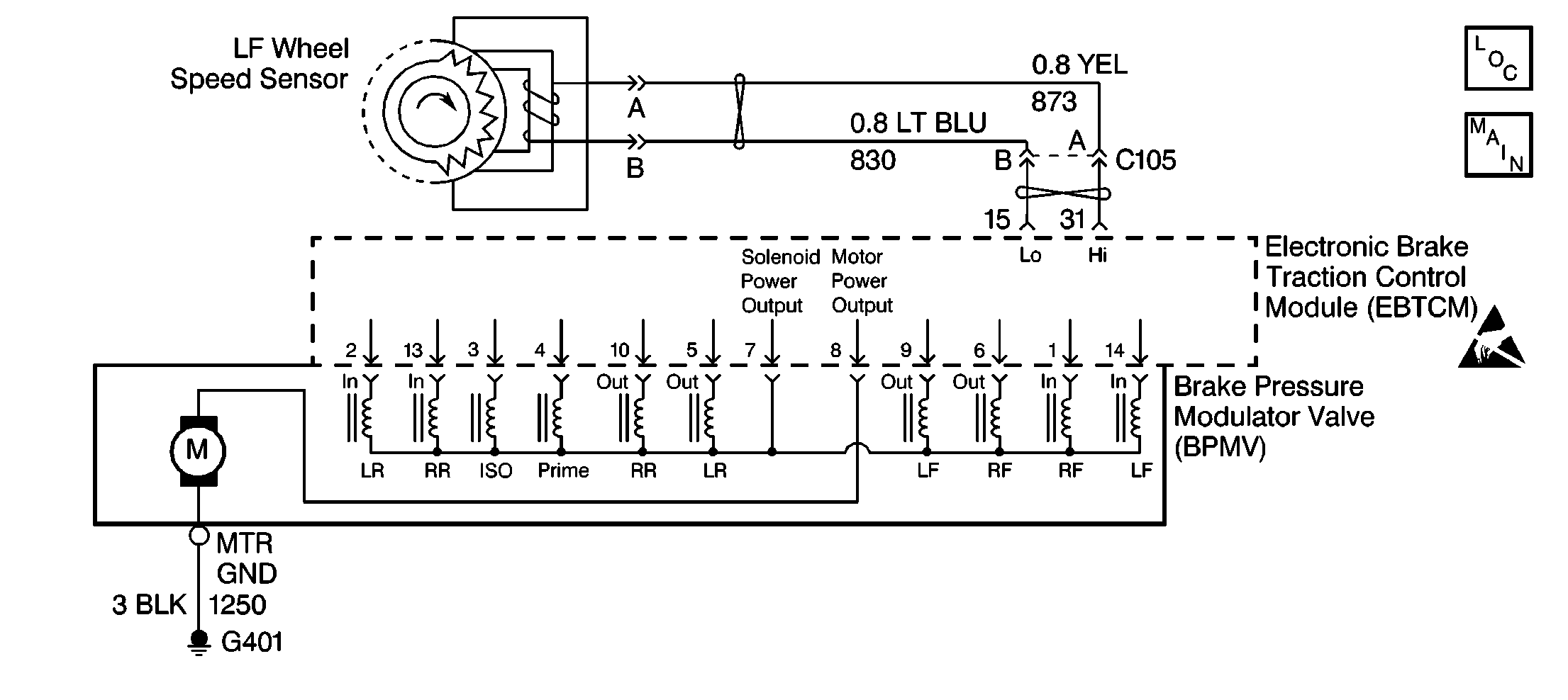
Object Number: 95908  Size: SF
ABS Components
ABS/TCS Schematics

Circuit Description

The speed sensor used on this vehicle is a single point magnetic pickup. This sensor produces an AC signal that the EBTCM uses the frequency from to calculate the wheel speed.

Conditions for Setting the DTC

The DTC can be set anytime the brake is not depressed and no wheel speed sensor hardware DTC(s) are present, and the EBTCM sees a wheel speed variation of more than 14 Km/h (9 mph) for 2.5 seconds.

Action Taken When the DTC Sets

A malfunction DTC is stored, ABS/TCS is disabled and the ABS and Traction Control Indicators are turned ON.

Conditions for Clearing the DTC

    • Condition for DTC is no longer present and scan tool clear DTC function is used.
    • Fifty ignition cycles have passed with no DTC(s) detected.

Diagnostic Aids

    • It is very important that a thorough inspection of the wiring and connectors be performed. Failure to carefully and fully inspect wiring and connectors may result in misdiagnosis, causing part replacement with reappearance of the malfunction.
    • An intermittent malfunction can be caused by poor connections, broken insulation, or a wire that is broken inside the insulation.
    • If an intermittent malfunction exists refer to General Electrical Diagnosis in Wiring Systems.

Test Description

The numbers below refer to step numbers on the diagnostic table.

  1. Checks the resistance of the WSS.

  2. Checks if the WSS CKTs are shorted together.

DTC C1225 LF Wheel Speed Sensor Input is 0

Step

Action

Value(s)

Yes

No

1

Was the Diagnostic System Check performed?

--

Go to Step 2

Go to Diagnostic System Check

2

  1. Inspect the WSS wiring and connectors for damage.
  2. Inspect WSS for looseness or damage.

Is physical damage of sensor evident?

--

Go to Step 7

Go to Step 3

3

  1. Disconnect the WSS at the sensor pigtail.
  2. Using J 39200 DMM, measure the resistance between terminals A and B of the WSS.

Is the resistance within the range specified in the value(s) column?

850-1350ohms

Go to Step 4

Go to Step 7

4

  1. With J 39200 DMM still connected, select the mV AC scale.
  2. Spin the wheel as fast as you can by hand while monitoring the AC output.

Is the AC voltage within the range specified in the value(s) column?

Above 100 mV

Go to Step 5

Go to Step 7

5

  1. Disconnect the EBTCM harness connector.
  2. Install J 39700 Universal Pinout Box using the J 39700-25 cable adapter to the EBTCM harness connector only.
  3. Using J 39200 DMM, measure resistance between terminals 15 and 31 of the J 39700 .

Is the resistance within the range specified in the value(s) column?

OL (Infinite)

Go to Step 6

Go to Step 8

6

  1. Reconnect all connectors.
  2. Carefully test drive vehicle above 24 Km/h (15 mph) for at least 30 seconds while monitoring a scan tool.

Does DTC reset as a current DTC?

--

Go to Step 9

Go to Diagnostic System Check

7

Replace wheel speed sensor. Refer to Wheel Hub/Speed Sensor Assembly in Front Suspension.

Is the repair complete?

--

Go to Step 10

--

8

Repair short between CKT(s) 873 and 830. Refer to Wiring Repairs in Wiring Systems.

Is the repair complete?

--

Go to Step 10

--

9

Replace EBTCM. Refer to Electronic Brake and Traction Control Module .

Is the replacement complete?

--

Go to Step 10

--

10

Carefully test drive vehicle above 24 Km/h (15 mph) while monitoring a scan tool for at least 30 seconds.

Does the DTC set as a current DTC?

--

Go to Step 2

Go to Diagnostic System Check