GM Service Manual Online
For 1990-2009 cars only
Figure 1:

Cell 110: Domestic and Export - Front Lamp DRL Control


Object Number: 82402  Size: FS
Figure 2:

Cell 110: Canada - Front Lamp DRL Control


Object Number: 82415  Size: FS
Figure 3:

Cell 110: Canada - S209 and S211


Object Number: 82416  Size: FS
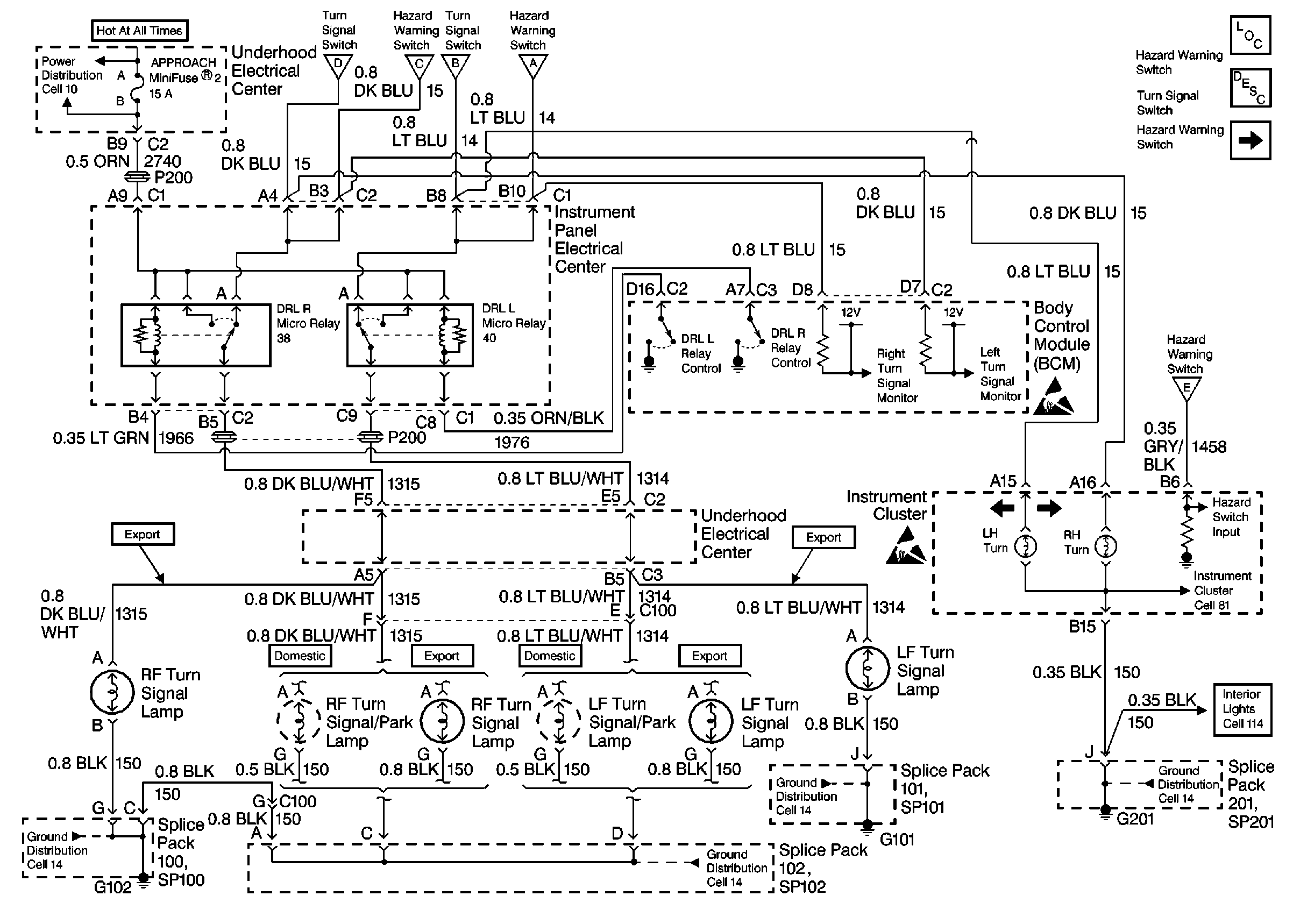
Figure 4:

Cell 110: Hazard Warning and Turn Signal Switches


Object Number: 82408  Size: FS
Figure 5:

Cell 110: Rear Turn Lamps


Object Number: 82412  Size: FS
Figure 6:

Cell 110: Rear Stop Lamps


Object Number: 82409  Size: FS
Figure 7:

Cell 110: Front Park Lamps


Object Number: 82418  Size: FS
Figure 8:

Cell 110: Domestic and Canada - Rear Park Lamps


Object Number: 82421  Size: FS
Figure 9:

Cell 110: Export - Rear Park Lamps


Object Number: 82422  Size: FS