GM Service Manual Online
For 1990-2009 cars only
Makes
🢒
Chevrolet
🢒
1998
🢒
Corvette
🢒
Body and Accessories
🢒
Entertainment
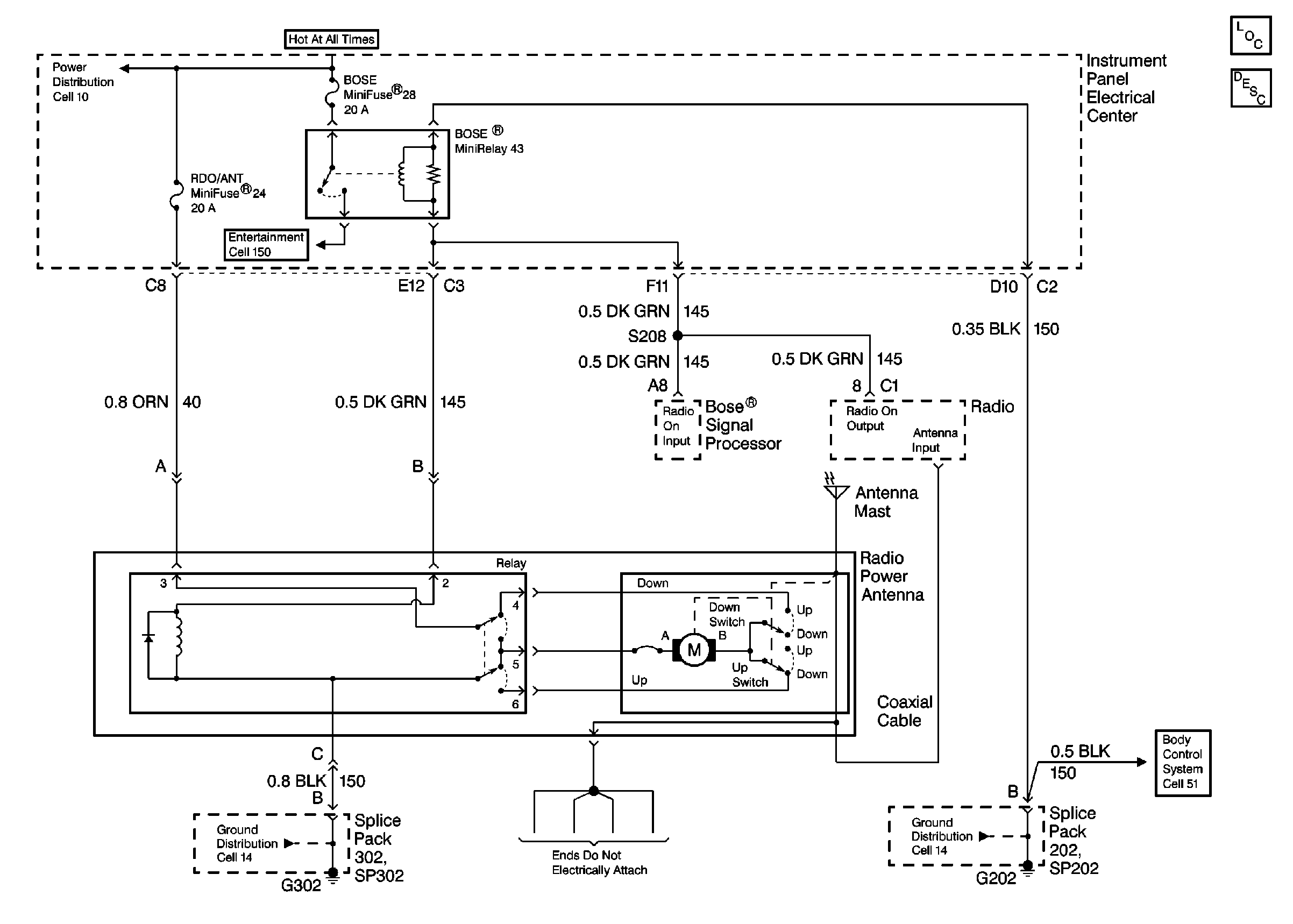
🢒 Power Antenna Schematics
Cell 151: Power Antenna