GM Service Manual Online
For 1990-2009 cars only
Figure 1:

Cell 81: Power, Ground and DLC


Object Number: 431259  Size: FS
Instrument Cluster Components
Gauge Description
Cell 81: Indicators
Class 2 Serial Data Cell 50
Class 2 Serial Data Cell 50
Handling ESD Sensitive Parts Notice
Handling ESD Sensitive Parts Notice
Powertrain Control Module Connector End Views
Cell 43: Suspension Control Switch Input
Cell 51: Power, Ground and DLC
Cell 10: I/P Fuses 25, 23, 29, Relay 42
Figure 2:

Cell 81: Indicators


Object Number: 431264  Size: FS
Instrument Cluster Components
Indicator Description
Cell 81: Miscellaneous Switch Inputs
Cell 81: Power, Ground and DLC
Handling ESD Sensitive Parts Notice
Cell 14: SP101, SP100, G101, G102
Cell 110: DRL Control
Cell 102: Headlamp Switch and Ambient Light Sensor
Cell 47: LH Seat Belt Switch and DLC
Cell 14: SP201, SP203, G201
Cell 14: SP201, SP203, G201
Handling ESD Sensitive Parts Notice
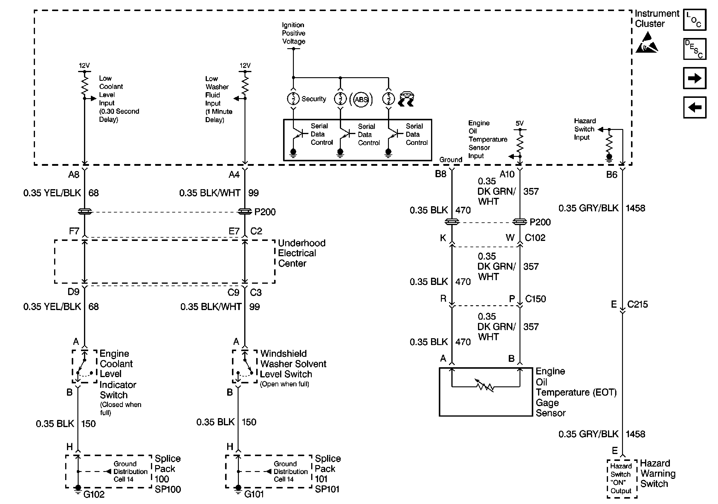
Figure 3:

Cell 81: Miscellaneous Switch Inputs


Object Number: 431268  Size: FS
Instrument Cluster Components
Instrument Cluster Description
Cell 81: Driver Information Center and Dimmer Switch
Cell 81: Indicators
Handling ESD Sensitive Parts Notice
Cell 14: SP101, SP100, G101, G102
Cell 14: SP101, SP100, G101, G102
Figure 4:

Cell 81: Driver Information Center and Dimmer Switch


Object Number: 431269  Size: FS
Instrument Cluster Components
Instrument Cluster Description
Cell 81: Miscellaneous Switch Inputs
Handling ESD Sensitive Parts Notice
Cell 117: ALC PRK LP Relay
Cell 104: Power and Ground
Cell 117: Door and Radio Dimming Control