GM Service Manual Online
For 1990-2009 cars only
Makes
🢒
Chevrolet
🢒
1999
🢒
Corvette
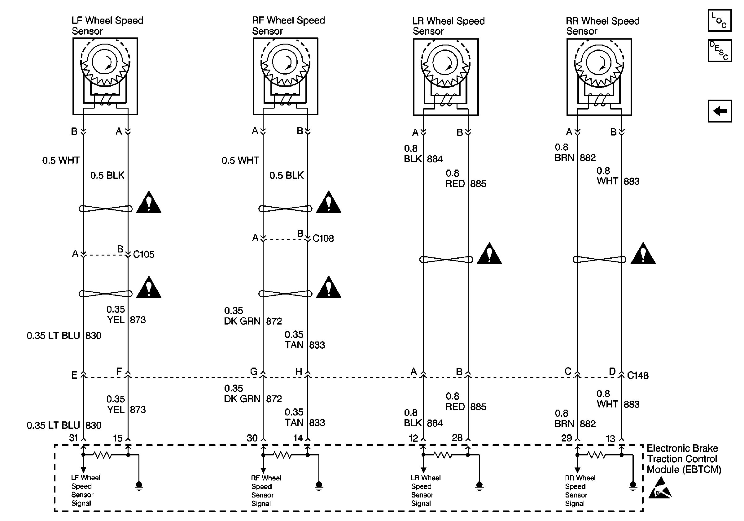
🢒 Cell 44: Wheel Speed Sensors
Cell 44: Wheel Speed Sensors
Cell 44: Wheel Speed Sensors
ABS Components
ABS Description
Cell 44: Data Link Connector (DLC)
Handling ESD Sensitive Parts Notice