GM Service Manual Online
For 1990-2009 cars only
Makes
🢒
Chevrolet
🢒
2000
🢒
Corvette
🢒
Transmission/Transaxle
🢒
Manual Transmission - MM6
🢒 Manual Transmission Schematics
Figure
1:
Stoplamp Switch and Miscellaneous Solenoids
Power and Grounding Components
Clutch Pedal Position Switch and Transmission Fluid Temperature (TFT)Sensor
OBD II Symbol Description Notice
Handling ESD Sensitive Parts Notice
Power Distribution Schematics
Power Distribution Schematics
Ground Distribution Schematics
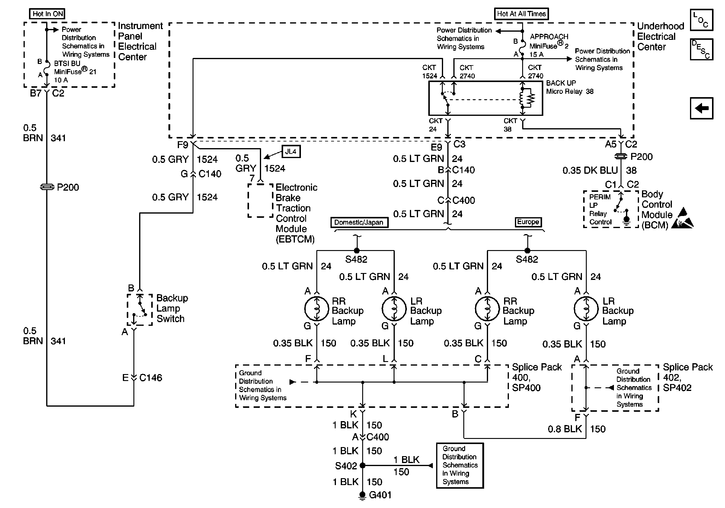
Figure
2:
Clutch Pedal Position Switch and Transmission Fluid Temperature (TFT) Sensor
Power and Grounding Components
Backup Lamps
Stoplamp Switch and Miscellaneous Solenoids
OBD II Symbol Description Notice
Handling ESD Sensitive Parts Notice
Handling ESD Sensitive Parts Notice
Starting and Charging Schematics
Figure
3:
Backup Lamps
Power and Grounding Components
Clutch Pedal Position Switch and Transmission Fluid Temperature (TFT)Sensor
Handling ESD Sensitive Parts Notice
Power Distribution Schematics
Power Distribution Schematics
Power Distribution Schematics
Ground Distribution Schematics
Ground Distribution Schematics
Ground Distribution Schematics