GM Service Manual Online
For 1990-2009 cars only
Makes
🢒
Chevrolet
🢒
2000
🢒
Corvette
🢒
Body and Accessories
🢒
Lighting Systems
🢒 Interior Lights Schematics
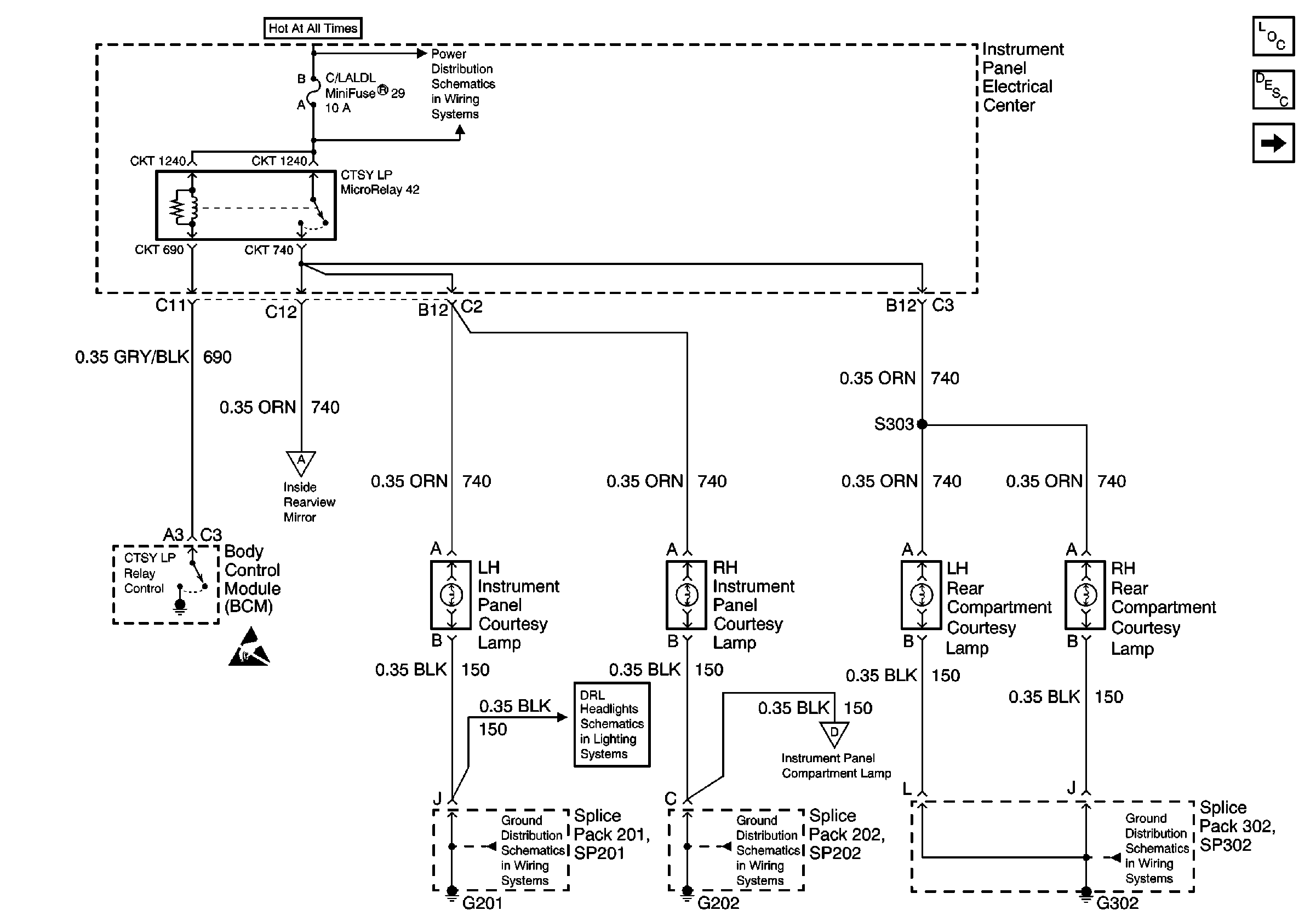
Figure
1:
CTSY LP Relay Control
Lighting Systems Components
Interior Lights Circuit Description
MONITORED LD Relay Control
Power Distribution Schematics
Ground Distribution Schematics
Ground Distribution Schematics
Ground Distribution Schematics
Headlights/Daytime Running Lights (DRL) Schematics
Handling ESD Sensitive Parts Notice
Inside Rearview Mirror
MONITORED LD Relay Control
Figure
2:
MONITORED LD Relay Control
Lighting Systems Components
Interior Lights Circuit Description
Inside Rearview Mirror
CTSY LP Relay Control
Power Distribution Schematics
Ground Distribution Schematics
Ground Distribution Schematics
Handling ESD Sensitive Parts Notice
Inside Rearview Mirror
Inside Rearview Mirror
CTSY LP Relay Control
Figure
3:
Inside Rearview Mirror
Lighting Systems Components
Interior Lights Circuit Description
MONITORED LD Relay Control
Power Distribution Schematics
Interior Lights Dimming Schematics
Interior Lights Dimming Schematics
Exterior Lights Schematics
MONITORED LD Relay Control
MONITORED LD Relay Control
CTSY LP Relay Control