GM Service Manual Online
For 1990-2009 cars only
Makes
🢒
Chevrolet
🢒
2000
🢒
Corvette
🢒
Body and Accessories
🢒
Seats
🢒 Lumbar Support Schematics
Figure
1:
LH Seat Pump
Power Seat Systems Components
Power Seats Description
RH Seat Pump
Power Distribution Schematics
Ground Distribution Schematics
Memory Seats Schematics
Power Seats Schematics
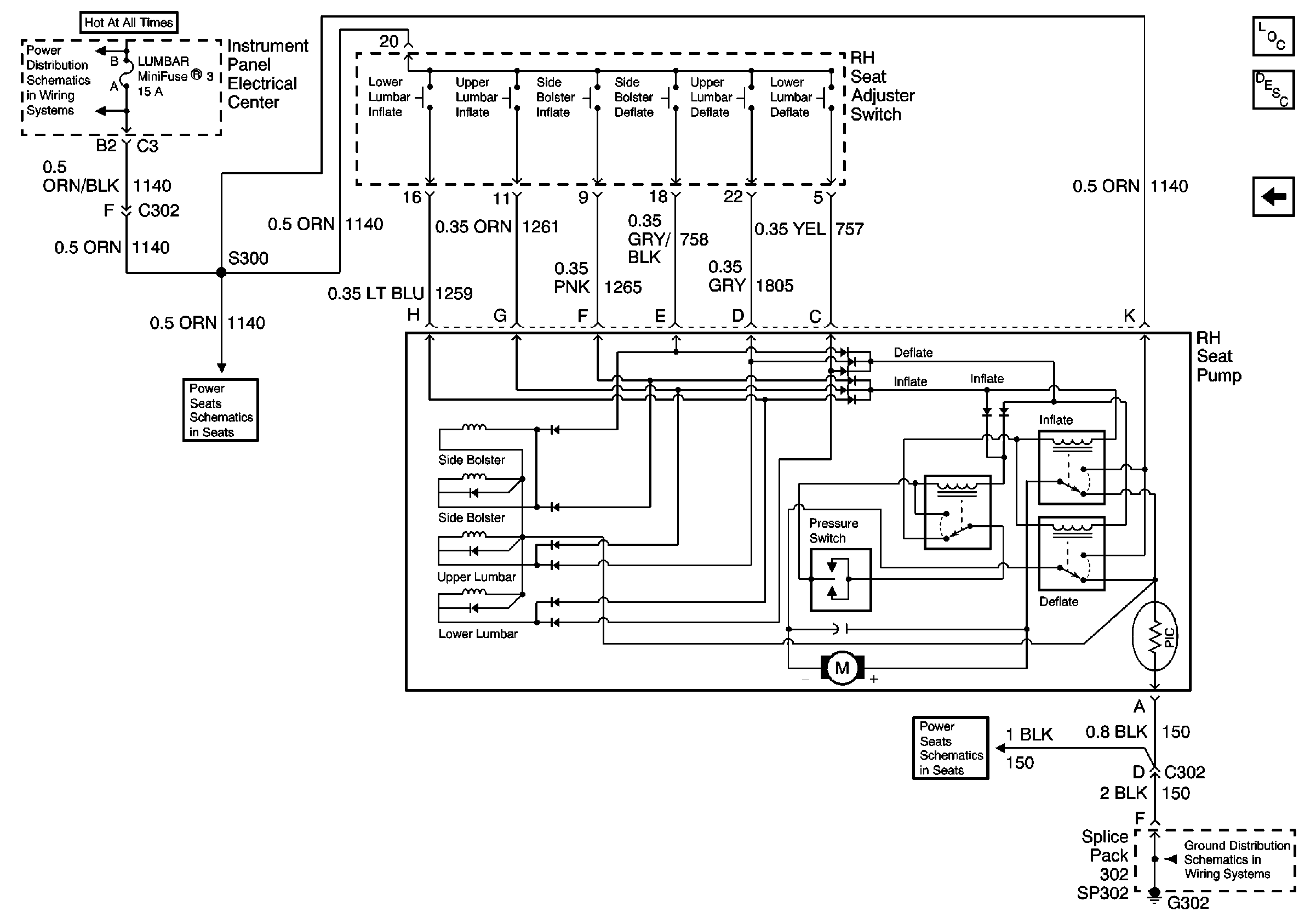
Figure
2:
RH Seat Pump
Power Seat Systems Components
Power Seats Description
LH Seat Pump
Power Distribution Schematics
Ground Distribution Schematics
Power Seats Schematics
Power Seats Schematics