GM Service Manual Online
For 1990-2009 cars only
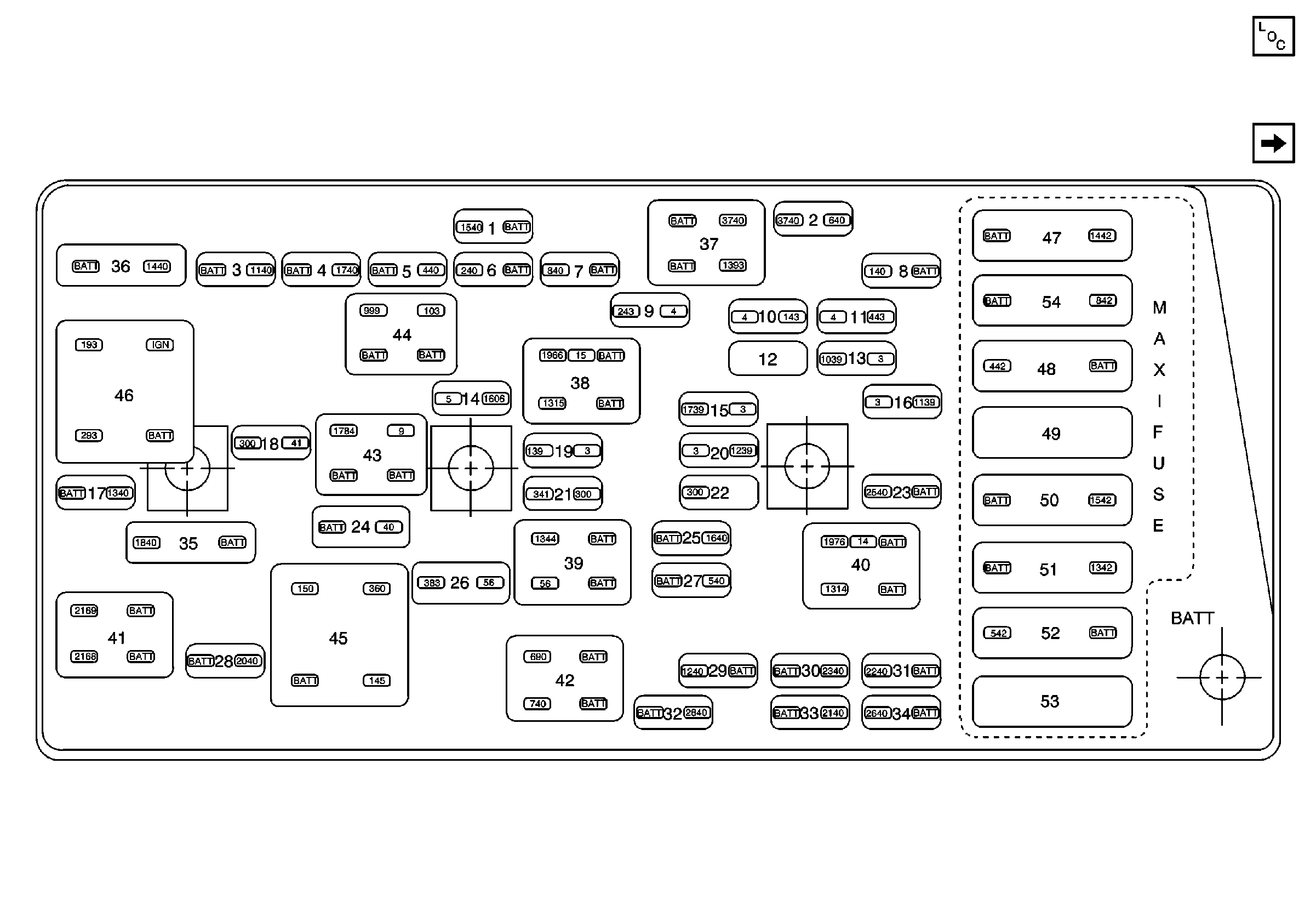
Figure 1:

I/P Electrical Center


Object Number: 586005  Size: FS
Power and Grounding Components
Underhood Electrical Center
Figure 2:

Underhood Electrical Center


Object Number: 586015  Size: FS
Power and Grounding Components
U/H Fuses 52, 53, 4, 3, 23
I/P Electrical Center
Figure 3:

U/H Fuses 52, 53, 4, 3, 23


Object Number: 586018  Size: FS
Power and Grounding Components
U/H Fuses 49, 11, 6, 2, Relays 45, 36, 39, 38
Underhood Electrical Center
I/P Fuses 33, 34, 30, 31, 4, Circuit Breaker 35
U/H Fuses 49, 11, 6, 2, Relays 45, 36, 39, 38
Figure 4:

U/H Fuses 49, 11, 6, 2, Relays 45, 36, 39, 38


Object Number: 586024  Size: FS
Power and Grounding Components
U/H Fuses 1, 15, 5, Relay 37
U/H Fuses 52, 53, 4, 3, 23
Backup Lamp Schematics
U/H Fuses 52, 53, 4, 3, 23
U/H Fuses 1, 15, 5, Relay 37
I/P Relays 40, 38
Figure 5:

U/H Fuses 1, 15, 5, Relay 37


Object Number: 586027  Size: FS
Power and Grounding Components
U/H Fuses 7, 46, 14, 13, Relays 41, 43, 44, 35
U/H Fuses 49, 11, 6, 2, Relays 45, 36, 39, 38
U/H Fuses 49, 11, 6, 2, Relays 45, 36, 39, 38
U/H Fuses 7, 46, 14, 13, Relays 41, 43, 44, 35
I/P Fuses 21, 18, 48, Relay 44
Figure 6:

U/H Fuses 7, 46, 14, 13, Relays 41, 43, 44, 35


Object Number: 586029  Size: FS
Power and Grounding Components
U/H Fuses 16, 19, Relay 42
U/H Fuses 1, 15, 5, Relay 37
Ground Distribution Schematics
Ground Distribution Schematics
Engine Controls Schematics
Cooling Fan Schematics
U/H Fuses 1, 15, 5, Relay 37
U/H Fuses 16, 19, Relay 42
I/P Fuses 15, 16, 13, 20, 19
U/H Fuses 16, 19, Relay 42
Figure 7:

U/H Fuses 16, 19, Relay 42


Object Number: 586033  Size: FS
Power and Grounding Components
U/H Fuses 51, 50, Relay 33
U/H Fuses 7, 46, 14, 13, Relays 41, 43, 44, 35
Ground Distribution Schematics
U/H Fuses 7, 46, 14, 13, Relays 41, 43, 44, 35
U/H Fuses 7, 46, 14, 13, Relays 41, 43, 44, 35
U/H Fuses 51, 50, Relay 33
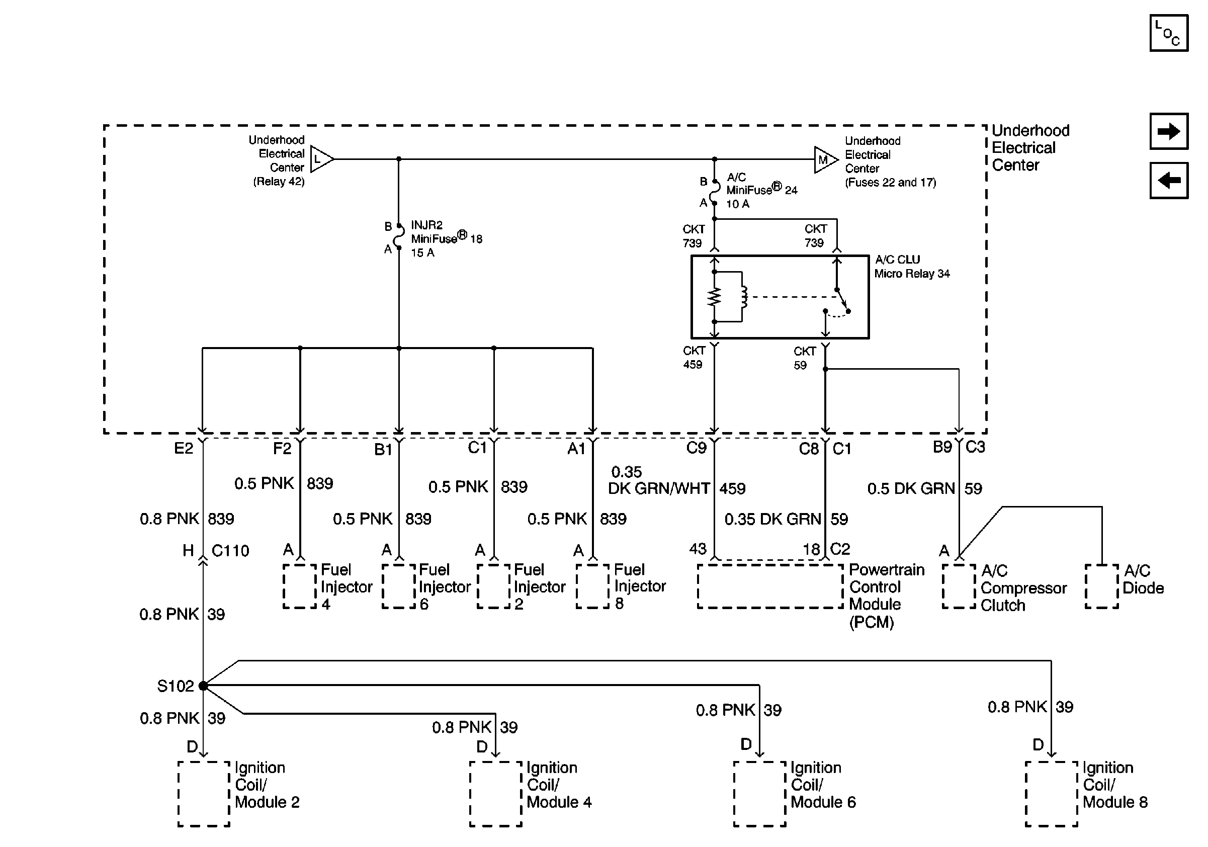
U/H Fuses 18, 24, Relay 34
U/H Fuses 51, 50, Relay 33
Figure 8:

U/H Fuses 51, 50, Relay 33


Object Number: 586036  Size: FS
Power and Grounding Components
U/H Fuses 18, 24, Relay 34
U/H Fuses 16, 19, Relay 42
U/H Fuses 16, 19, Relay 42
U/H Fuses 16, 19, Relay 42
Figure 9:

U/H Fuses 18, 24, Relay 34


Object Number: 586040  Size: FS
Power and Grounding Components
U/H Fuses 22, 17
U/H Fuses 51, 50, Relay 33
U/H Fuses 16, 19, Relay 42
U/H Fuses 22, 17
Figure 10:

U/H Fuses 22, 17


Object Number: 586044  Size: FS
Power and Grounding Components
U/H Fuses 10, 12, 9, 8
U/H Fuses 18, 24, Relay 34
U/H Fuses 18, 24, Relay 34
Figure 11:

U/H Fuses 10, 12, 9, 8


Object Number: 586046  Size: FS
Power and Grounding Components
I/P Fuses 33, 34, 30, 31, 4, Circuit Breaker 35
U/H Fuses 22, 17
Headlights/Daytime Running Lights (DRL) Schematics
Figure 12:

I/P Fuses 33, 34, 30, 31, 4, Circuit Breaker 35


Object Number: 586050  Size: FS
Power and Grounding Components
I/P Fuses 3, 5, 24, Circuit Breaker 36
U/H Fuses 10, 12, 9, 8
U/H Fuses 52, 53, 4, 3, 23
I/P Fuses 3, 5, 24, Circuit Breaker 36
Figure 13:

I/P Fuses 3, 5, 24, Circuit Breaker 36


Object Number: 586164  Size: FS
Power and Grounding Components
I/P Fuses 28, 8, 1, 7, Relay 45
I/P Fuses 33, 34, 30, 31, 4, Circuit Breaker 35
I/P Fuses 33, 34, 30, 31, 4, Circuit Breaker 35
I/P Fuses 28, 8, 1, 7, Relay 45
Figure 14:

I/P Fuses 28, 8, 1, 7, Relay 45


Object Number: 586167  Size: FS
Power and Grounding Components
I/P Fuses 51, 27, 17, Relay 41
I/P Fuses 3, 5, 24, Circuit Breaker 36
Radio/Audio System Schematics
I/P Fuses 3, 5, 24, Circuit Breaker 36
I/P Fuses 51, 27, 17, Relay 41
Figure 15:

I/P Fuses 51, 27, 17, Relay 41


Object Number: 586169  Size: FS
Power and Grounding Components
I/P Fuses 32, 26, Relay 39
I/P Fuses 28, 8, 1, 7, Relay 45
Handling ESD Sensitive Parts Notice
I/P Fuses 28, 8, 1, 7, Relay 45
I/P Fuses 32, 26, Relay 39
Figure 16:

I/P Fuses 32, 26, Relay 39


Object Number: 586170  Size: FS
Power and Grounding Components
I/P Fuse 2, Relay 37
I/P Fuses 51, 27, 17, Relay 41
I/P Fuses 51, 27, 17, Relay 41
I/P Fuse 2, Relay 37
Figure 17:

I/P Fuse 2, Relay 37


Object Number: 586173  Size: FS
Power and Grounding Components
I/P Fuses 52, 6, Relays 43, 44, Circuit Breaker 54
I/P Fuses 32, 26, Relay 39
I/P Fuses 32, 26, Relay 39
I/P Fuses 52, 6, Relays 43, 44, Circuit Breaker 54
Figure 18:

I/P Fuses 52, 6, Relays 43, 44, Circuit Breaker 54


Object Number: 586192  Size: FS
Power and Grounding Components
I/P Fuses 25, 23, 29, Relay 42
I/P Fuse 2, Relay 37
Interior Lights Dimming Schematics
I/P Fuse 2, Relay 37
I/P Fuses 25, 23, 29, Relay 42
Figure 19:

I/P Fuses 25, 23, 29, Relay 42


Object Number: 586189  Size: FS
Power and Grounding Components
I/P Fuses 50, 47, Ignition Switch
I/P Fuses 52, 6, Relays 43, 44, Circuit Breaker 54
I/P Fuses 52, 6, Relays 43, 44, Circuit Breaker 54
I/P Fuses 50, 47, Ignition Switch
Figure 20:

I/P Fuses 50, 47, Ignition Switch


Object Number: 586186  Size: FS
Power and Grounding Components
I/P Fuses 21, 18, 48, Relay 44
I/P Fuses 25, 23, 29, Relay 42
I/P Fuses 25, 23, 29, Relay 42
I/P Fuses 21, 18, 48, Relay 44
I/P Fuses 22, 14
I/P Fuses 21, 18, 48, Relay 44
I/P Fuses 15, 16, 13, 20, 19
I/P Fuses 10, 9, 11
Figure 21:

I/P Fuses 21, 18, 48, Relay 44


Object Number: 586185  Size: FS
Power and Grounding Components
I/P Fuses 10, 9, 11
I/P Fuses 50, 47, Ignition Switch
I/P Fuses 50, 47, Ignition Switch
U/H Fuses 1, 15, 5, Relay 37
I/P Fuses 22, 14
I/P Fuses 50, 47, Ignition Switch
Figure 22:

I/P Fuses 10, 9, 11


Object Number: 586183  Size: FS
Power and Grounding Components
I/P Fuses 15, 16, 13, 20, 19
I/P Fuses 21, 18, 48, Relay 44
I/P Fuses 50, 47, Ignition Switch
Figure 23:

I/P Fuses 15, 16, 13, 20, 19


Object Number: 586180  Size: FS
Power and Grounding Components
I/P Fuses 22, 14
I/P Fuses 10, 9, 11
U/H Fuses 7, 46, 14, 13, Relays 41, 43, 44, 35
I/P Fuses 50, 47, Ignition Switch
Figure 24:

I/P Fuses 22, 14


Object Number: 586177  Size: FS
Power and Grounding Components
I/P Relays 40, 38
I/P Fuses 15, 16, 13, 20, 19
I/P Fuses 21, 18, 48, Relay 44
I/P Fuses 50, 47, Ignition Switch
Figure 25:

I/P Relays 40, 38


Object Number: 586175  Size: FS
Power and Grounding Components
I/P Fuses 22, 14
U/H Fuses 49, 11, 6, 2, Relays 45, 36, 39, 38
Exterior Lights Schematics