GM Service Manual Online
For 1990-2009 cars only
Makes
🢒
Chevrolet
🢒
2000
🢒
Corvette
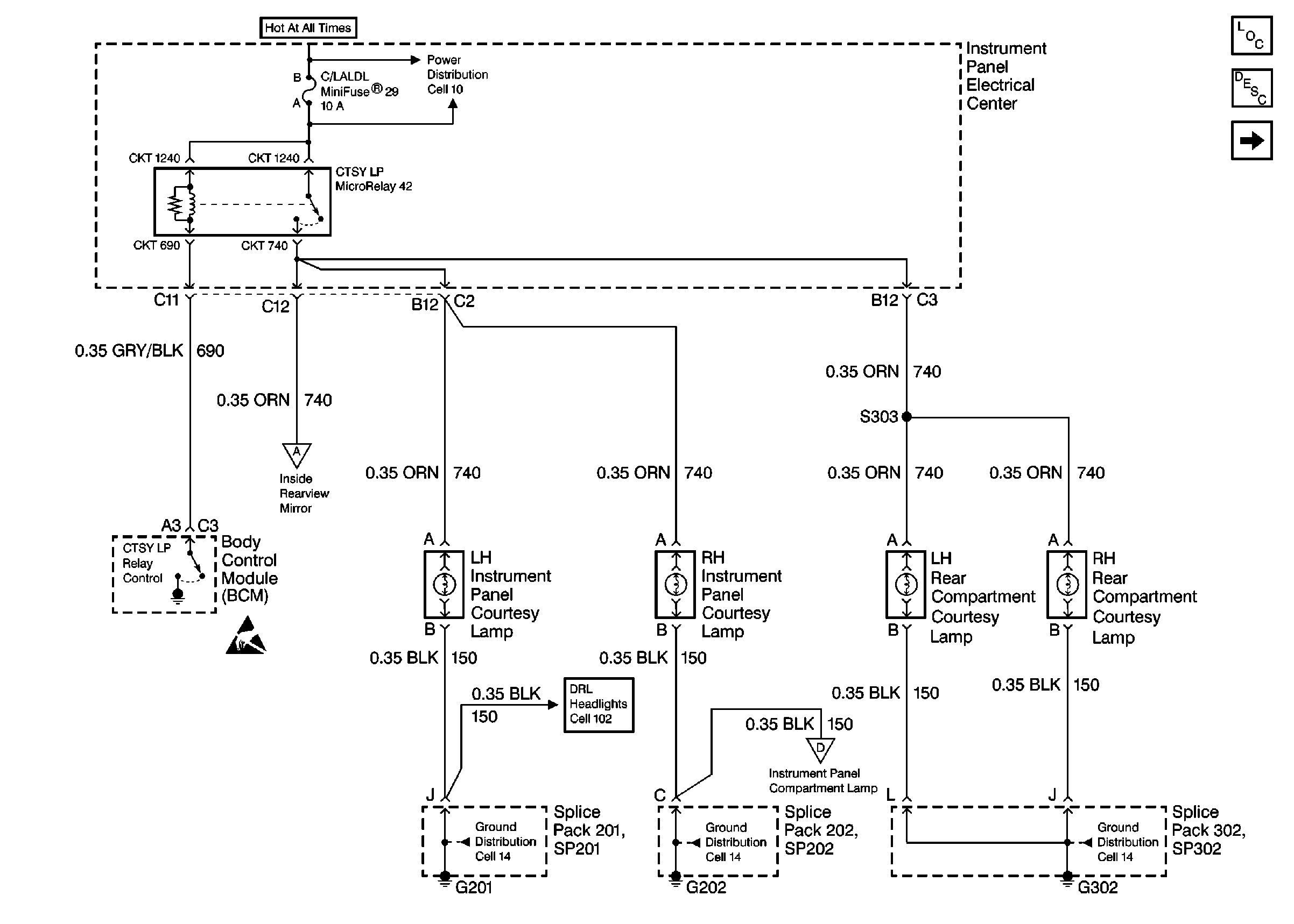
🢒 Cell 114: CTSY LP Relay Control
Cell 114: CTSY LP Relay Control
Cell 114: CTSY LP Relay Control
Lighting Systems Components
Interior Lights Circuit Description
Cell 114: MONITORED LD Relay Control
Cell 14: SP302, G302
Cell 114: MONITORED LD Relay Control
Cell 14: SP202, G202
Cell 14: SP201, SP203, G201
Cell 102: Headlamp Switch and Ambient Light Sensor
Handling ESD Sensitive Parts Notice
Cell 114: Inside Rearview Mirror
Cell 10: I/P Fuses 25, 23, 29, Relay 42