GM Service Manual Online
For 1990-2009 cars only
Figure 1:

Hazard Warning Switch and Turn Signal Switch


Object Number: 688350  Size: FS
Master Electrical Component List
Exterior Lighting Systems Description and Operation
Ambient Light Sensor and RF Turn Signal Indicators
Stoplamp Switch and Center High Mount Stoplamp (CHMSL)
RR Turn Signal Indicators
LR Turn Signal Indicators
LF Turn Signal Indicators
Ambient Light Sensor and RF Turn Signal Indicators
Instrument Panel Electrical Center Fuses 15, 16, 13, 20 and 19
LF Turn Signal Indicators
Ambient Light Sensor and RF Turn Signal Indicators
Instrument Panel Electrical Center Fuses 51, 27, 8, 1 and 7
G201
Figure 2:

Ambient Light Sensor and RF Turn Signal Indicators


Object Number: 688358  Size: FS
Master Electrical Component List
Exterior Lighting Systems Description and Operation
LF Turn Signal Indicators
Hazard Warning Switch and Turn Signal Switch
Underhood Electrical Center Bussing (1 of 2)
LF Turn Signal Indicators
G101 and G102
G104
Hazard Warning Switch and Turn Signal Switch
Hazard Warning Switch and Turn Signal Switch
G201
G201
Figure 3:

LF Turn Signal Indicators


Object Number: 688372  Size: FS
Master Electrical Component List
Exterior Lighting Systems Description and Operation
RR Turn Signal Indicators
Ambient Light Sensor and RF Turn Signal Indicators
Ambient Light Sensor and RF Turn Signal Indicators
G101 and G102
G104
G101 and G102
Hazard Warning Switch and Turn Signal Switch
Hazard Warning Switch and Turn Signal Switch
G201
G201
Figure 4:

RR Turn Signal Indicators


Object Number: 688384  Size: FS
Master Electrical Component List
Exterior Lighting Systems Description and Operation
LR Turn Signal Indicators
LF Turn Signal Indicators
Lighting Systems Schematic Icons
Hazard Warning Switch and Turn Signal Switch
SP402 (Japan)
G401
G401
Figure 5:

LR Turn Signal Indicators


Object Number: 688389  Size: FS
Master Electrical Component List
Exterior Lighting Systems Description and Operation
Stoplamp Switch and Center High Mount Stoplamp (CHMSL)
RR Turn Signal Indicators
Hazard Warning Switch and Turn Signal Switch
G401
G401
Lighting Systems Schematic Icons
SP402 (Japan)
Figure 6:

Stoplamp Switch and Center High Mount Stoplamp (CHMSL)


Object Number: 688394  Size: FS
Master Electrical Component List
Exterior Lighting Systems Description and Operation
Stoplamps (Export)
LR Turn Signal Indicators
Instrument Panel Electrical Center Bussing (1 of 2)
Instrument Panel Electrical Center Fuses 51, 27, 8, 1 and 7
Hazard Warning Switch and Turn Signal Switch
Stoplamps (Export)
G401
G401
Figure 7:

Stoplamps - Export


Object Number: 688404  Size: FS
Master Electrical Component List
Exterior Lighting Systems Description and Operation
Parklamps Control
Stoplamp Switch and Center High Mount Stoplamp (CHMSL)
Stoplamp Switch and Center High Mount Stoplamp (CHMSL)
SP402 (Japan)
G401
G401
Figure 8:

Park Lamp Control


Object Number: 688406  Size: FS
Master Electrical Component List
Exterior Lighting Systems Description and Operation
Front Parklamps
Stoplamps (Export)
Fog Lamp Switch
Front Parklamps
Fog Lamp Switch
Figure 9:

Front Park Lamps


Object Number: 688414  Size: FS
Master Electrical Component List
Exterior Lighting Systems Description and Operation
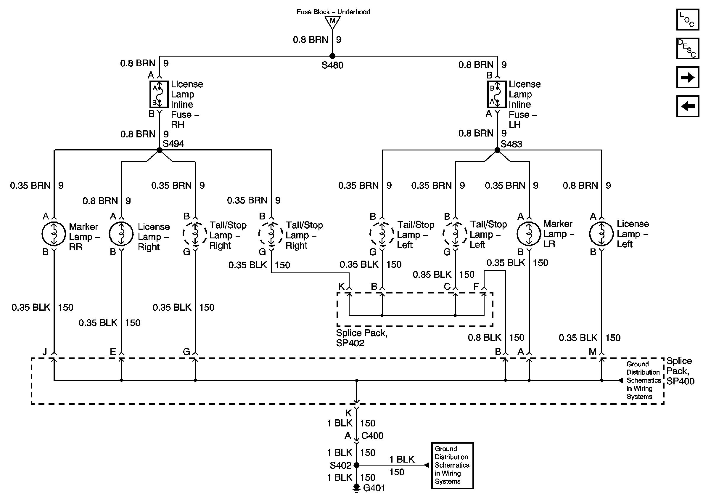
Rear Parklamps (Domestic)
Parklamps Control
Fog Lamp Switch
Rear Parklamps (Export)
Rear Parklamps (Domestic)
G101 and G102
Parklamps Control
Figure 10:

Rear Park Lamps - Domestic


Object Number: 688417  Size: FS
Master Electrical Component List
Exterior Lighting Systems Description and Operation
Rear Parklamps (Export)
Front Parklamps
Front Parklamps
G401
G401
Figure 11:

Rear Park Lamps - Export


Object Number: 688419  Size: FS
Master Electrical Component List
Exterior Lighting Systems Description and Operation
Backuplamp Control
Rear Parklamps (Domestic)
Front Parklamps
G401
G401
Figure 12:

Backup Lamp Control


Object Number: 688421  Size: FS
Master Electrical Component List
Exterior Lighting Systems Description and Operation
Backuplamps (Domestic/Japan)
Rear Parklamps (Export)
Backuplamps (Domestic/Japan)
Backuplamps (Europe)
Backup Lamp Signal
Instrument Panel Electrical Center Fuses 50, 14, 21, 22, 18, Relay 44, and the Ignition Switch (2 of 2)
Instrument Panel Electrical Center Fuses 50, 14, 21, 22, 18, Relay 44, and the Ignition Switch (2 of 2)
Underhood Electrical Center Bussing (1 of 2)
Figure 13:

Backup Lamps - Domestic/Japan


Object Number: 688423  Size: FS
Master Electrical Component List
Exterior Lighting Systems Description and Operation
Backuplamps (Europe)
Backuplamp Control
Backuplamp Control
G401
G401
Figure 14:

Backup Lamps - Europe


Object Number: 688426  Size: FS
Master Electrical Component List
Exterior Lighting Systems Description and Operation
Backuplamps (Domestic/Japan)
G401
G401
Backuplamp Control
SP402 (Europe)