GM Service Manual Online
For 1990-2009 cars only
Figure 1:

Left Door Power, Ground and DLC


Object Number: 690759  Size: FS
Master Electrical Component List
Power Door Locks Description and Operation
Driver Door Switch Signals
Fuse Block-I/P Bussing (1 of 2)
G201
Star Connectors
Figure 2:

Left Door Switch Signals


Object Number: 690766  Size: FS
Master Electrical Component List
Power Windows Description and Operation
Outside Rearview Mirror-Driver Control
Driver Door Module (DDM) Power, Ground and DLC
Figure 3:

Left Door Mirror Control


Object Number: 690770  Size: FS
Master Electrical Component List
Outside Mirror Description and Operation
Passenger Door Module (PDM) Power, Ground and DLC
Driver Door Switch Signals
Headlight and Photo Sensors
Figure 4:

Right Door Power, Ground and DLC


Object Number: 690772  Size: FS
Master Electrical Component List
Power Door Locks Description and Operation
Outside Rearview Mirror and Window Motor - Passenger Control
Outside Rearview Mirror-Driver Control
Fuse Block-I/P Bussing (1 of 2)
Star Connectors
G202
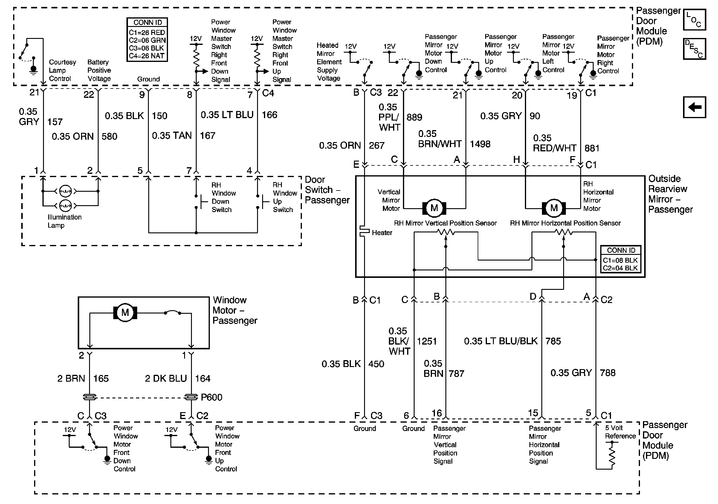
Figure 5:

Right Door Mirror and Window Control


Object Number: 690777  Size: FS
Master Electrical Component List
Power Windows Description and Operation
Passenger Door Module (PDM) Power, Ground and DLC