GM Service Manual Online
For 1990-2009 cars only
Figure 1:

Fuse Block -- Underhood Bussing (1 of 2)


Object Number: 689171  Size: FS
Master Electrical Component List
Fuse Block-Underhood Bussing (2 of 2)
Fuse Block-I/P Bussing (1 of 2)
Fuse Block-Underhood Bussing (2 of 2)
Figure 2:

Fuse Block -- Underhood Bussing (2 of 2)


Object Number: 689174  Size: FS
Master Electrical Component List
Fuse Block-I/P Bussing (1 of 2)
Fuse Block-Underhood Bussing 1 of 2
Fuse Block-Underhood Bussing 1 of 2
Figure 3:

Fuse Block -- I/P Bussing (1 of 2)


Object Number: 689178  Size: FS
Master Electrical Component List
Fuse Block-I/P Bussing (2 of 2)
Fuse Block-Underhood Bussing (2 of 2)
Fuse Block-Underhood Bussing 1 of 2
Fuse Block-I/P Bussing (2 of 2)
Figure 4:

Fuse Block -- I/P Bussing (2 of 2)


Object Number: 689185  Size: FS
Master Electrical Component List
Fuse Block-Underhood Fuses 52, 53, 4, 3, 23, 51, 11 and Relay 36
Fuse Block-I/P Bussing (1 of 2)
Fuse Block-I/P Bussing (1 of 2)
Figure 5:

Fuse Block -- Underhood Fuses 52, 53, 4, 3, 23, 51, 11 and Relay 36


Object Number: 689186  Size: FS
Master Electrical Component List
Fuse Block-Underhood Fuses 1, 6, 2 and Relays 37, 39, 38 and Fuse Block -I/P Relays 40 and 38
Fuse Block-I/P Bussing (2 of 2)
Figure 6:

Fuse Block -- Underhood Fuses 1, 6, 2 and Relays 37, 39, 38 and Instrument Panel Electrical Center Relays 40 and 38


Object Number: 689198  Size: FS
Master Electrical Component List
Fuse Block-Underhood Fuse 19 and Relay 33
Fuse Block-Underhood Fuses 52, 53, 4, 3, 23, 51, 11 and Relay 36
Figure 7:

Fuse Block -- Underhood Fuse 19 and Relay 33


Object Number: 689200  Size: FS
Master Electrical Component List
Fuse Block-Underhood Fuses 18, 17 and 22
Fuse Block-Underhood Fuses 1, 6, 2 and Relays 37, 39, 38 and Fuse Block -I/P Relays 40 and 38
Figure 8:

Fuse Block -- Underhood Fuses 18, 17 and 22


Object Number: 689202  Size: FS
Master Electrical Component List
Fuse Block-I/P Fuses 33, 34, 30, 31, 4 and Circuit Breaker 35
Fuse Block-Underhood Fuse 19 and Relay 33
Figure 9:

Fuse Block -- I/P Fuses 33, 34, 30, 31, 4 and Circuit Breaker 35


Object Number: 689206  Size: FS
Master Electrical Component List
Fuse Block-I/P Fuses 3, 5, 24 and Circuit Breaker 36
Fuse Block-Underhood Fuses 18, 17 and 22
Figure 10:

Fuse Block -- I/P Fuses 3, 5, 24 and Circuit Breaker 36


Object Number: 689283  Size: FS
Master Electrical Component List
Fuse Block-I/P Fuses 51, 27, 8, 1 and 7
Fuse Block-I/P Fuses 33, 34, 30, 31, 4 and Circuit Breaker 35
Figure 11:

Fuse Block -- I/P Fuses 51, 27, 8, 1 and 7


Object Number: 1221413  Size: FS
Master Electrical Component List
Fuse Block-I/P Fuses 32, 26, 52 and Relay 39
Fuse Block-I/P Fuses 3, 5, 24 and Circuit Breaker 36
Figure 12:

Fuse Block -- I/P Fuses 32, 26, 52 and Relay 39


Object Number: 689807  Size: FS
Master Electrical Component List
Fuse Block-I/P Fuses 2, 25, 23 and Relay 37
Fuse Block-I/P Fuses 51, 27, 8, 1 and 7
Figure 13:

Fuse Block -- I/P Fuses 2, 25, 23 and Relay 37


Object Number: 689812  Size: FS
Master Electrical Component List
Fuse Block-I/P Fuses 6, 29, Circuit Breaker 54, Relays 43, 44 and 42
Fuse Block-I/P Fuses 32, 26, 52 and Relay 39
Figure 14:

Fuse Block -- I/P Fuses 6, 29, Circuit Breaker 54, Relays 43, 44 and 42


Object Number: 689820  Size: FS
Master Electrical Component List
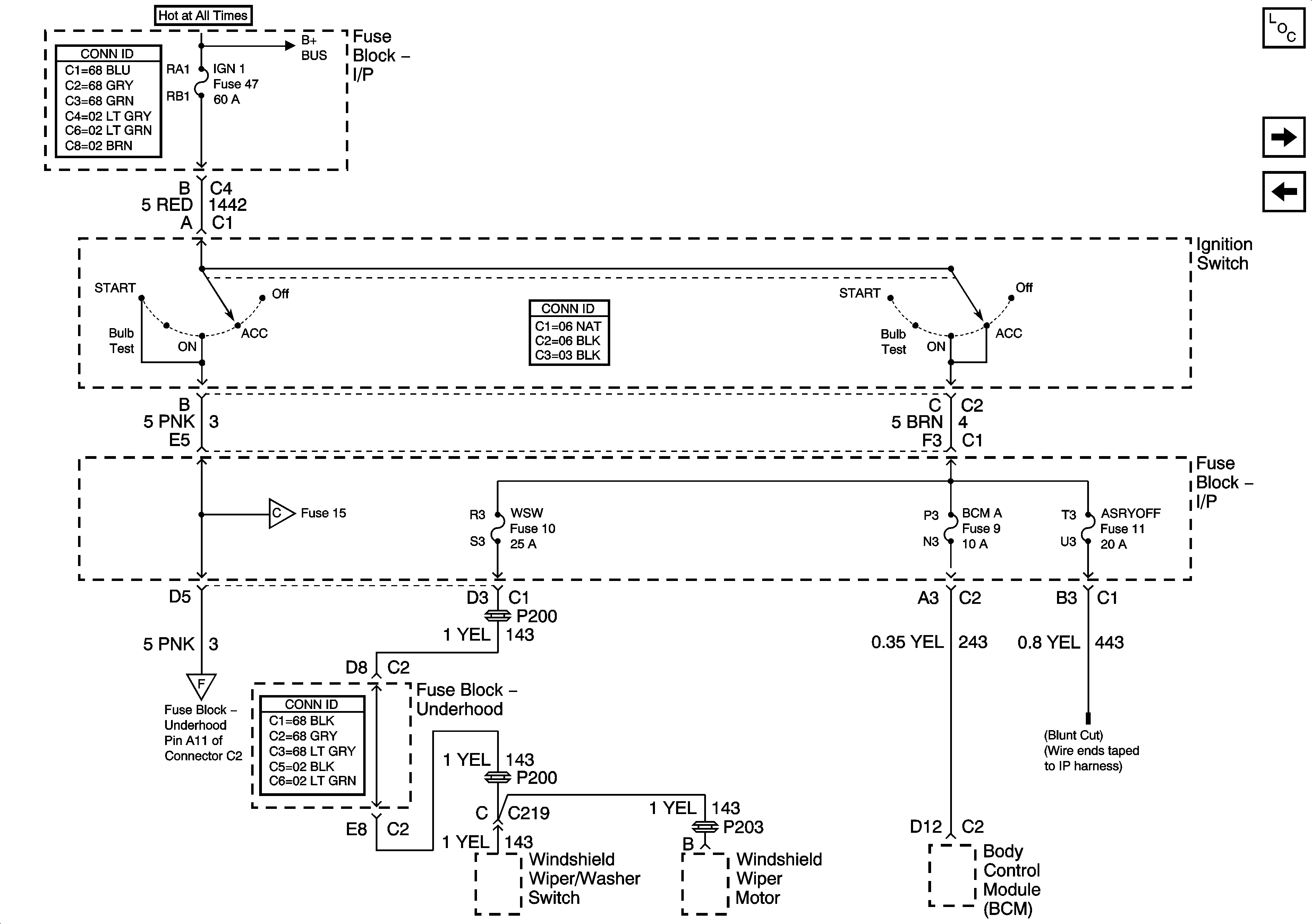
Fuse Block-I/P Fuses 47, 10, 9 and 11
Fuse Block-I/P Fuses 2, 25, 23 and Relay 37
Figure 15:

Fuse Block - I/P Fuses 47, 10, 9, and 11


Object Number: 1221423  Size: FS
Master Electrical Component List
Fuse Block-I/P Fuses 15, 16, 13, 20 and 19
Fuse Block-I/P Fuses 6, 29, Circuit Breaker 54, Relays 43, 44 and 42
Fuse Block-I/P Fuses 15, 16, 13, 20 and 19
Fuse Block-Underhood Fuses 14, 13, 16, 15, 5 and Relays 43, 44, 35 and 42
Figure 16:

Fuse Block -- I/P Fuses 15, 16, 13, 20 and 19


Object Number: 689826  Size: FS
Master Electrical Component List
Fuse Block-I/P Fuses 50, 14, 21, 22, 18 and Relay 44
Fuse Block-I/P Fuses 47, 10, 9 and 11
Fuse Block-I/P Fuses 47, 10, 9 and 11
SIR Caution for Zoning
SIR Caution for Zoning
Figure 17:

Fuse Block -- I/P Fuses 50, 14, 21, 22, 18 and Relay 44


Object Number: 690238  Size: FS
Master Electrical Component List
Fuse Block-Underhood Fuses 14, 13, 16, 15, 5 and Relays 43, 44, 35 and 42
Fuse Block-I/P Fuses 15, 16, 13, 20 and 19
Fuse Block-Underhood Fuses 14, 13, 16, 15, 5 and Relays 43, 44, 35 and 42
Figure 18:

Fuse Block -- Underhood Fuses 14, 13, 16, 15, 5 and Relays 43, 44, 35 and 42


Object Number: 690247  Size: FS
Master Electrical Component List
Fuse Block-I/P Fuses 50, 14, 21, 22, 18 and Relay 44
Fuse Block-I/P Fuses 47, 10, 9 and 11
Fuse Block-I/P Fuses 50, 14, 21, 22, 18 and Relay 44