GM Service Manual Online
For 1990-2009 cars only
Makes
🢒
Chevrolet
🢒
2006
🢒
Corvette
🢒 Rear (T79)
Rear (T79)
Rear (T79)
Master Electrical Component List
Exterior Lighting Systems Description and Operation
Control Module References
Front
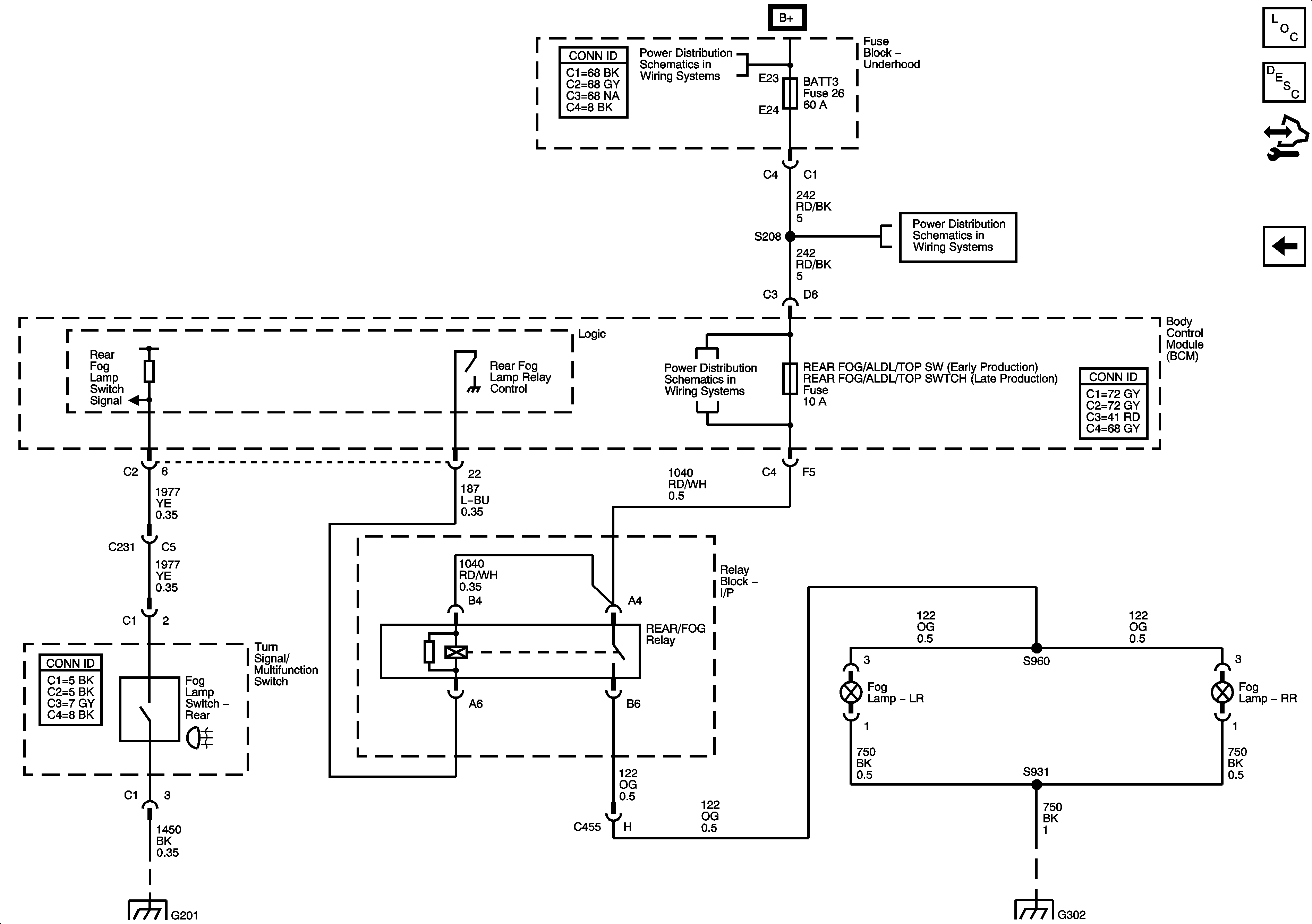
Fuse Block - Underhood BATT3 and STOP/B/U/LAMPS Fuses, BCM Fuses: BTSI SOL/COL LOCK, RDO/S-BAND/VICS, REAR FOG/ALDL/TOP SW, REVERSE LAMPS and TONNEAU RELSE and BCK/UP LAMP and STOP LAMP Relays
Fuse Block - Underhood BATT3 and STOP/B/U/LAMPS Fuses, BCM Fuses: BTSI SOL/COL LOCK, RDO/S-BAND/VICS, REAR FOG/ALDL/TOP SW, REVERSE LAMPS and TONNEAU RELSE and BCK/UP LAMP and STOP LAMP Relays
Fuse Block - Underhood BATT3 and STOP/B/U/LAMPS Fuses, BCM Fuses: BTSI SOL/COL LOCK, RDO/S-BAND/VICS, REAR FOG/ALDL/TOP SW, REVERSE LAMPS and TONNEAU RELSE and BCK/UP LAMP and STOP LAMP Relays
G201
G302, G401, and G402