GM Service Manual Online
For 1990-2009 cars only
Figure 1:

DLC, Ground, MIL, and Power


Object Number: 1832996  Size: FS
Master Electrical Component List
Engine Control Module Description
Control Module References
Engine Data Sensors - 5-Volt Reference
BCM Fuses: CLSTR/HUD, CRUISE SWTCH, CTSY/LAMP, DR LCK, EXH MDL, HVAC/PWR SND, ISRVM/HVAC and RUN CRNK Relay
Fuse Block - Underhood ABS, AMP, BATT2, COOLFAN, ECM/TCM/EASY KEY, HORN/ALT SENSE, HVAC, and MRRTD Fuses
Fuse Block - Underhood Bussing
BCM Fuses: ECM, HTD SEAT/WPR Relays, GM LAN RUN/CRNK, and SDM/AOS AIRBAG, Fuse Block - Underhood ABS/MRRTD and TCM/TRANS Fuses and WIPER RUN/ACC Relay
Navigation - Japan (U3Z)
BCM Fuses: ECM, HTD SEAT/WPR Relays, GM LAN RUN/CRNK, and SDM/AOS AIRBAG, Fuse Block - Underhood ABS/MRRTD and TCM/TRANS Fuses and WIPER RUN/ACC Relay
Ground, Power and Wiper Motor
Class 2
GMLAN - M/T
G104, G106, and G303
Figure 2:

Engine Data Sensors - 5-Volt Reference


Object Number: 1832998  Size: FS
Master Electrical Component List
Engine Control Module Description
Control Module References
Engine Data Sensors - Low Reference
DLC, Ground, MIL, and Power
Figure 3:

Engine Data Sensors - Low Reference


Object Number: 1833473  Size: FS
Master Electrical Component List
Engine Control Module Description
Control Module References
Engine Data Sensors - Pressure, Temperature, MAF, VSS, and Extended Brake Travel
Engine Data Sensors - 5-Volt Reference
Figure 4:

Engine Data Sensors - Pressure, Temperature, MAF, VSS, and Extended Brake Travel


Object Number: 1833474  Size: FS
Master Electrical Component List
Engine Control Module Description
Control Module References
Engine Data Sensors - Oxygen Sensors
Engine Data Sensors - Low Reference
DLC, Ground, MIL, and Power
Hazard, Stop Lamps, and Turn Signal Outputs (Y07/Y67)
Hazard, Stop Lamps, and Turn Signal Outputs (Y87
Fuse Block - Underhood A/C COMP, EMISSION, EVEN INJ, MAN TRAN SOL, O2 SEN, ODD INJ, and PT INPUT/ETC Fuses, A/C COMP and POWERTRAIN IGN1, Relays
Gages
Manual Transmission Schematics
G104, G106, and G303
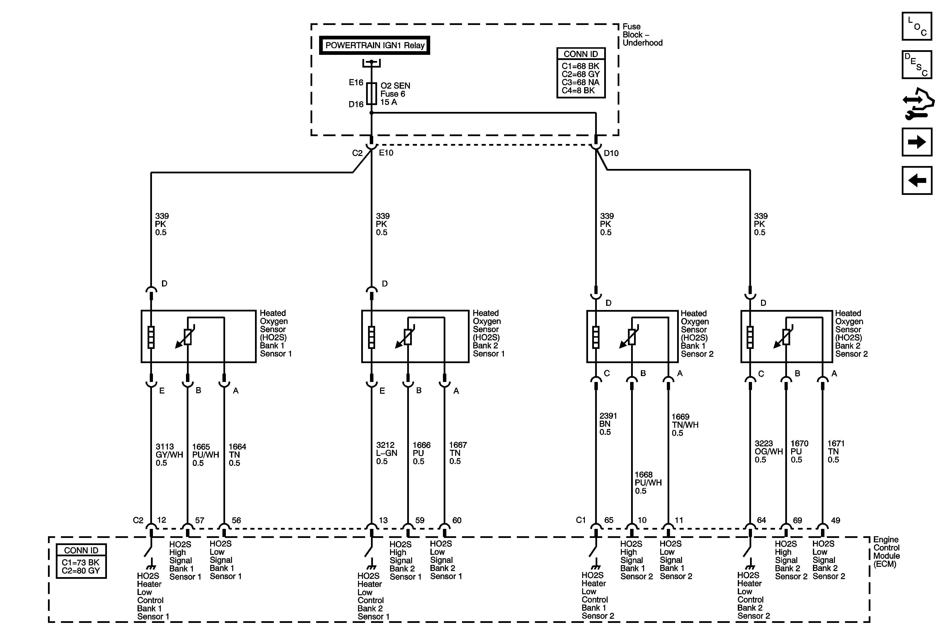
Figure 5:

Engine Data Sensors - Oxygen Sensors


Object Number: 1833475  Size: FS
Master Electrical Component List
Engine Control Module Description
Control Module References
Engine Data Sensors - Electronic Throttle Controls
Engine Data Sensors - Pressure, Temperature, MAF, VSS, and Extended Brake Travel
Fuse Block - Underhood A/C COMP, EMISSION, EVEN INJ, MAN TRAN SOL, O2 SEN, ODD INJ, and PT INPUT/ETC Fuses, A/C COMP and POWERTRAIN IGN1, Relays
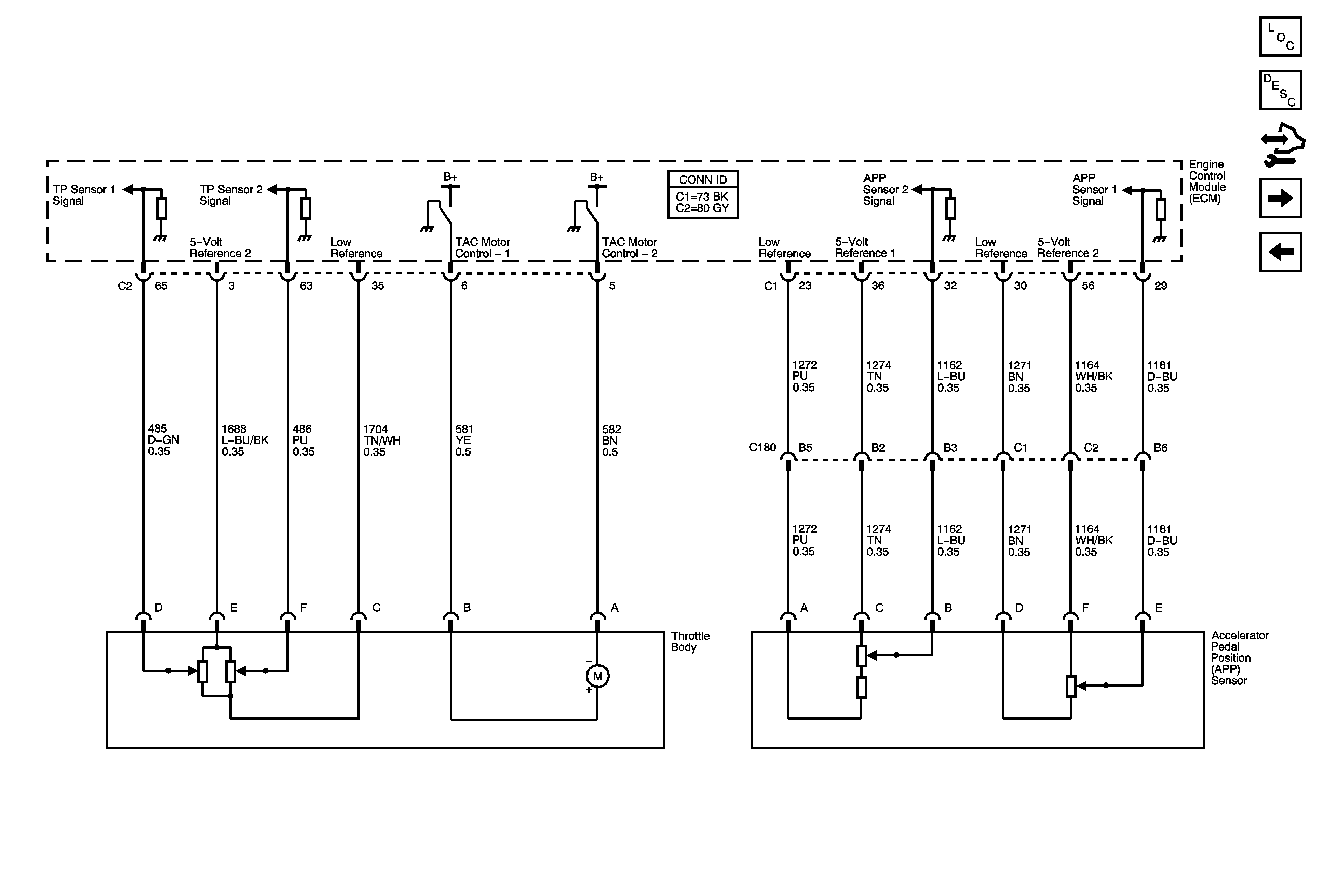
Figure 6:

Engine Data Sensors - Electronic Throttle Controls


Object Number: 1833479  Size: FS
Master Electrical Component List
Throttle Actuator Control (TAC) System Description
Control Module References
Ignition System - Bank 1
Engine Data Sensors - Oxygen Sensors
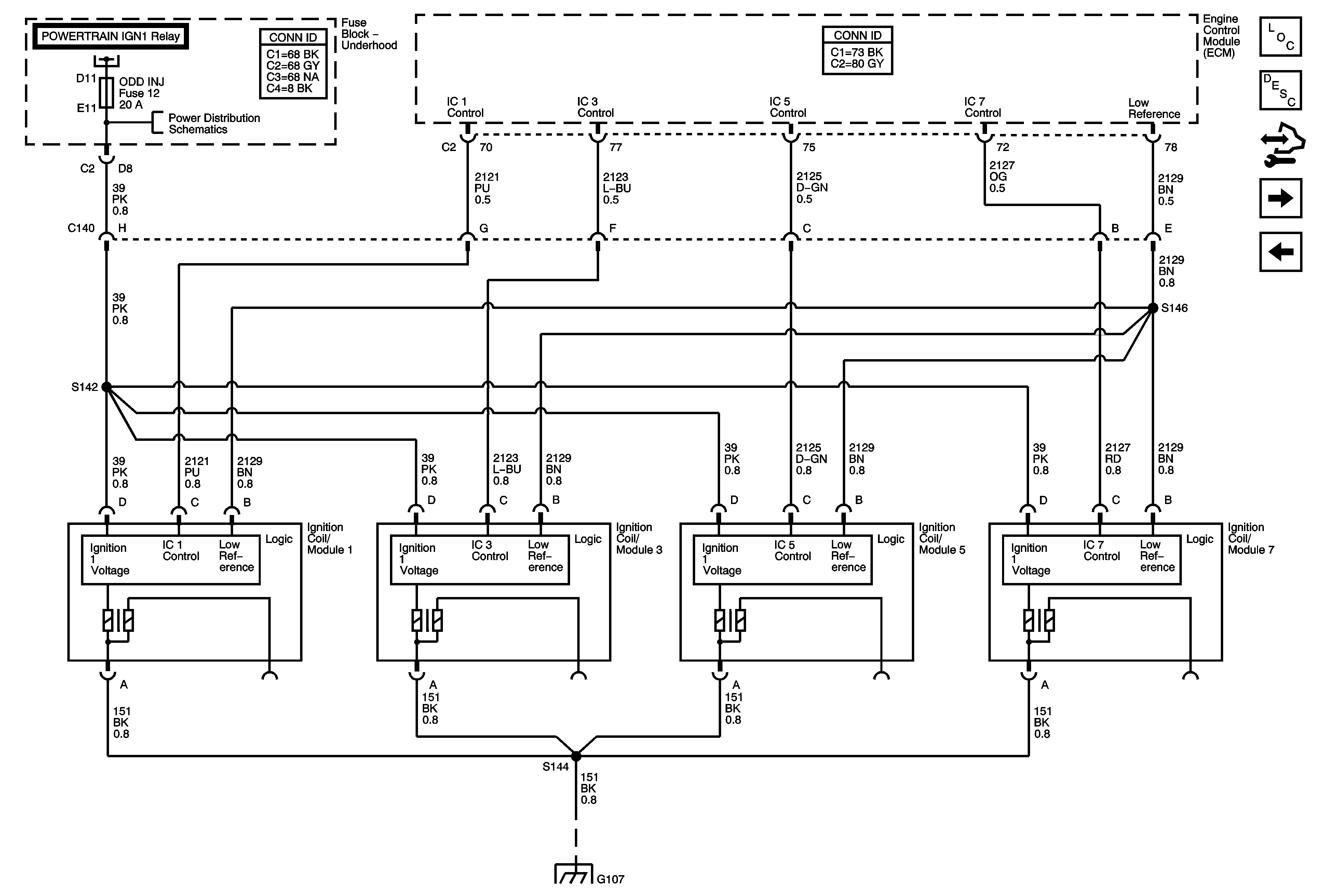
Figure 7:

Ignition System - Bank 1


Object Number: 1833482  Size: FS
Master Electrical Component List
Electronic Ignition (EI) System Description
Control Module References
Ignition System - Bank 2
Engine Data Sensors - Electronic Throttle Controls
Fuse Block - Underhood A/C COMP, EMISSION, EVEN INJ, MAN TRAN SOL, O2 SEN, ODD INJ, and PT INPUT/ETC Fuses, A/C COMP and POWERTRAIN IGN1, Relays
G105 and G107
Figure 8:

Ignition System - Bank 2


Object Number: 1833506  Size: FS
Master Electrical Component List
Electronic Ignition (EI) System Description
Control Module References
Ignition Controls - Sensors
Ignition System - Bank 1
Fuse Block - Underhood A/C COMP, EMISSION, EVEN INJ, MAN TRAN SOL, O2 SEN, ODD INJ, and PT INPUT/ETC Fuses, A/C COMP and POWERTRAIN IGN1, Relays
G105 and G107
Figure 9:

Ignition Controls - Sensors


Object Number: 1819511  Size: FS
Master Electrical Component List
Electronic Ignition (EI) System Description
Control Module References
Fuel Pump Controls and Injectors
Ignition System - Bank 2
Engine Controls Schematic Icons
Figure 10:

Fuel Pump Controls and Injectors


Object Number: 1833507  Size: FS
Master Electrical Component List
Fuel System Description
Control Module References
Fuel Controls - EVAP Controls
Ignition Controls - Sensors
Fuse Block - Underhood Bussing
Fuse Block - Underhood A/C COMP, EMISSION, EVEN INJ, MAN TRAN SOL, O2 SEN, ODD INJ, and PT INPUT/ETC Fuses, A/C COMP and POWERTRAIN IGN1, Relays
G102
Gages
G102
G302, G401, and G402
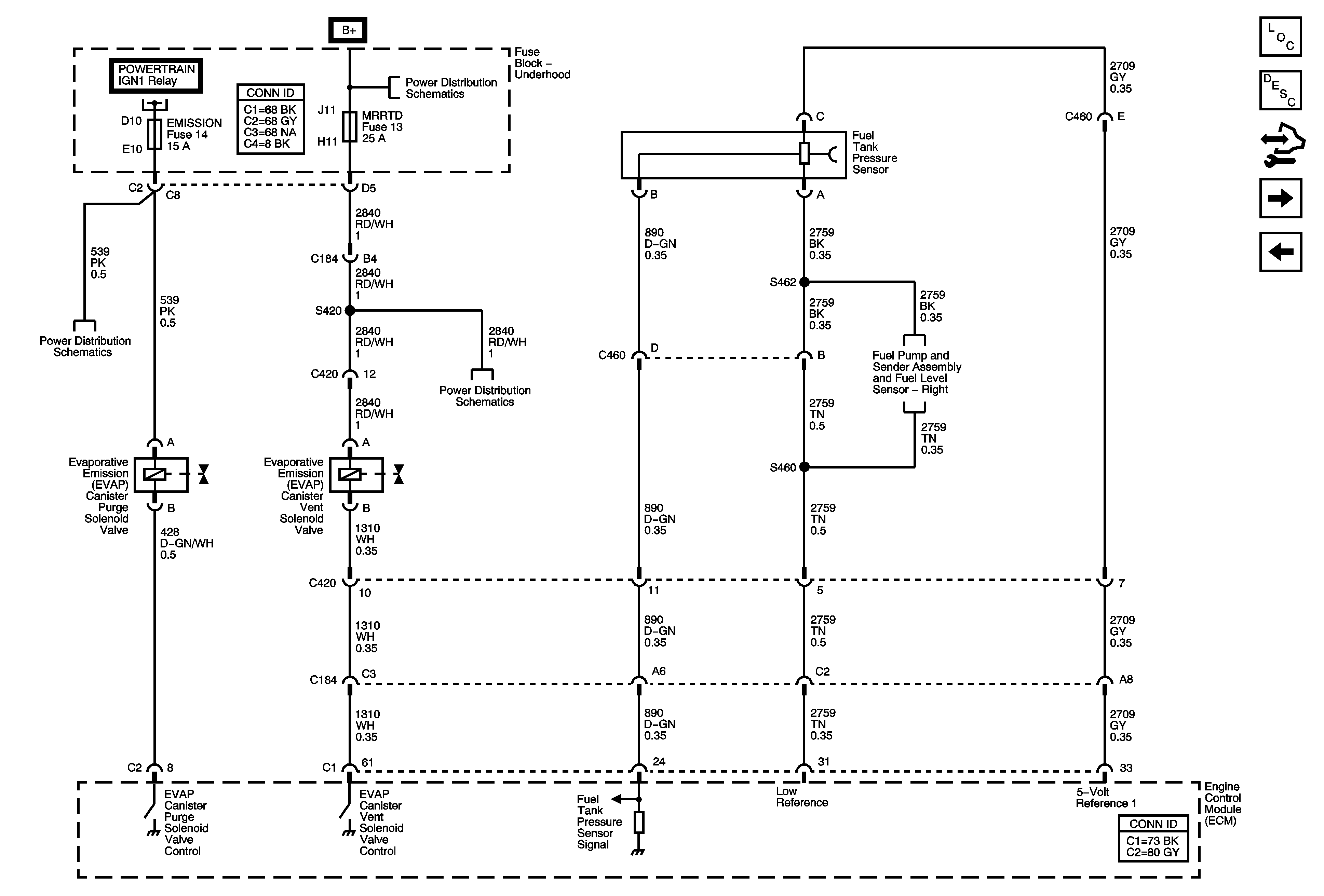
Figure 11:

Fuel Controls - EVAP Controls


Object Number: 1833508  Size: FS
Master Electrical Component List
Evaporative Emission Control System Description
Control Module References
Controlled/Monitored Subsystem and Manual Transmission Control References
Fuel Pump Controls and Injectors
DLC, Ground, MIL, and Power
Fuse Block - Underhood Bussing
Fuse Block - Underhood A/C COMP, EMISSION, EVEN INJ, MAN TRAN SOL, O2 SEN, ODD INJ, and PT INPUT/ETC Fuses, A/C COMP and POWERTRAIN IGN1, Relays
Fuse Block - Underhood ABS, AMP, BATT2, COOLFAN, ECM/TCM/EASY KEY, HORN/ALT SENSE, HVAC, and MRRTD Fuses
Engine Data Sensors - Low Reference
Figure 12:

Controlled/Monitored Subsystem and Manual Transmission Control References


Object Number: 1833509  Size: FS
Master Electrical Component List
Engine Control Module Description
Control Module References
Fuel Controls - EVAP Controls
Charging
Cranking, 1 of 2
Compressor Controls
Engine Cooling Schematics
Cruise Controls Schematics
Gages
Manual Transmission Schematics