GM Service Manual Online
For 1990-2009 cars only
Makes
🢒
Chevrolet
🢒
2007
🢒
Corvette
🢒
Diagnostic Navigation
🢒
Vehicle Diagnostic Information
🢒 Folding Top Schematics
Figure
1:
Manual Folding Top (Y67 w/o CM7)
Master Electrical Component List
Power Folding Top Description and Operation
Control Module References
DLC, Folding Top Lid Controls, Ground and Power (CM7)
Fuse Block - Underhood Bussing
Fuse Block - Underhood BATT3 and STOP/B/U/LAMPS Fuses, BCM Fuses: BTSI SOL/STR WHL LCK, RDO/S-BAND/VICS, REAR FOG/ALDL/TOP SWTCH, REVERSE LAMPS and TONNEAU RELSE, BCK/UP LAMP, STOP LAMP Relays
Fuse Block - Underhood BATT3 and STOP/B/U/LAMPS Fuses, BCM Fuses: BTSI SOL/STR WHL LCK, RDO/S-BAND/VICS, REAR FOG/ALDL/TOP SWTCH, REVERSE LAMPS and TONNEAU RELSE, BCK/UP LAMP, STOP LAMP Relays
Class 2
G301
G301
G202, 1 of 2
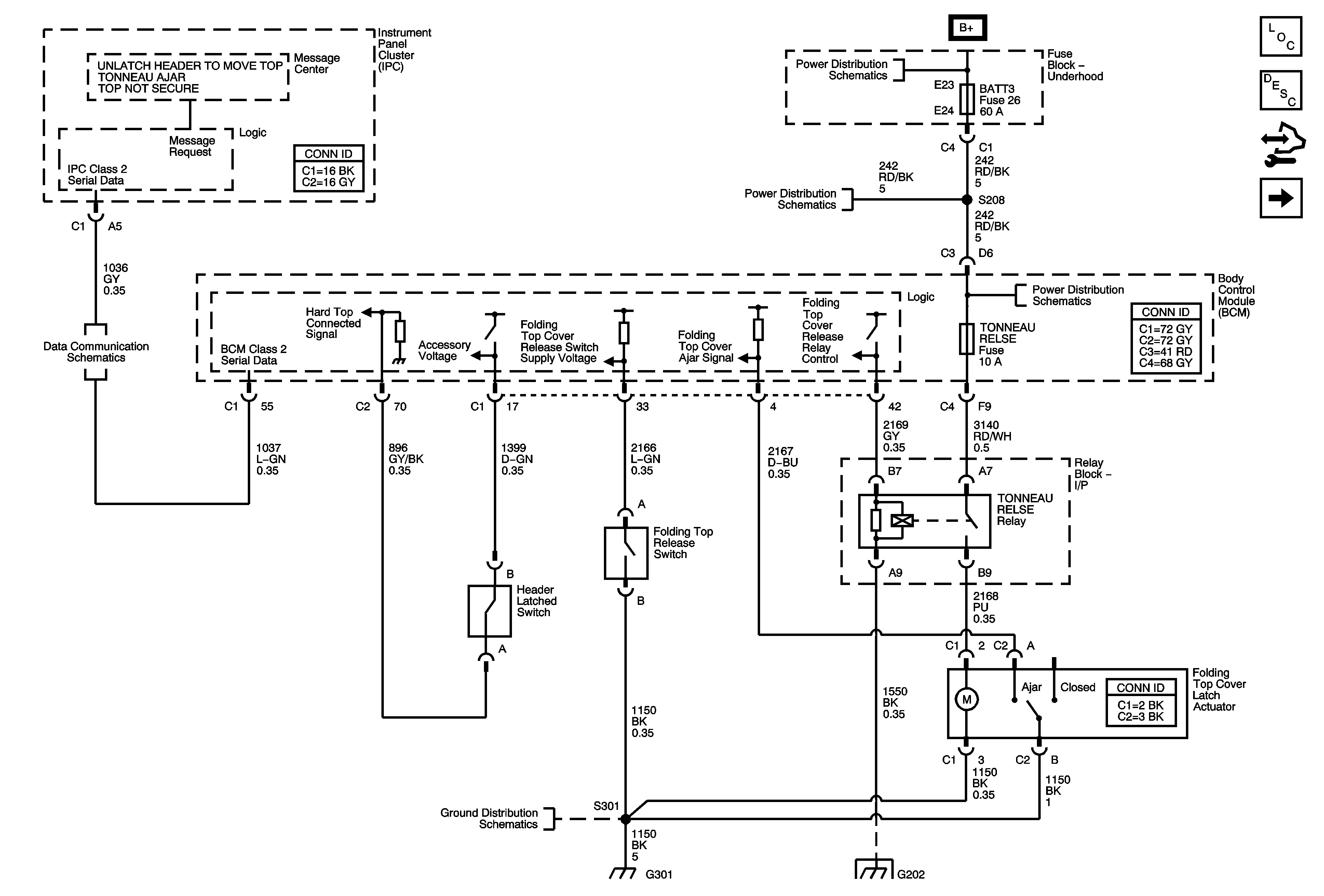
Figure
2:
DLC, Folding Top Lid Controls, Ground and Power (CM7)
Master Electrical Component List
Power Folding Top Description and Operation
Control Module References
Switches (CM7)
Fuse Block - Underhood Bussing
Fuse Block - Underhood BATT3 and STOP/B/U/LAMPS Fuses, BCM Fuses: BTSI SOL/STR WHL LCK, RDO/S-BAND/VICS, REAR FOG/ALDL/TOP SWTCH, REVERSE LAMPS and TONNEAU RELSE, BCK/UP LAMP, STOP LAMP Relays
Fuse Block - Underhood BATT3 and STOP/B/U/LAMPS Fuses, BCM Fuses: BTSI SOL/STR WHL LCK, RDO/S-BAND/VICS, REAR FOG/ALDL/TOP SWTCH, REVERSE LAMPS and TONNEAU RELSE, BCK/UP LAMP, STOP LAMP Relays
Fuse Block - Underhood Fuse BATT5 BCM Fuses: DRIV DR SW, IGN SW/INTR SENS, ONSTAR, TELE SW/MEM SEAT MOD, and TPA
Class 2
GMLAN - A/T
GMLAN - M/T
Cranking, 1 of 2
G302, G401, and G402
G202, 1 of 2
G301
G302, G401, and G402
Figure
3:
Switches (CM7)
Master Electrical Component List
Power Folding Top Description and Operation
Control Module References
Pump and Valves (CM7)
DLC, Folding Top Lid Controls, Ground and Power (CM7)
Fuse Block - Underhood Bussing
Fuse Block - Underhood BATT3 and STOP/B/U/LAMPS Fuses, BCM Fuses: BTSI SOL/STR WHL LCK, RDO/S-BAND/VICS, REAR FOG/ALDL/TOP SWTCH, REVERSE LAMPS and TONNEAU RELSE, BCK/UP LAMP, STOP LAMP Relays
Fuse Block - Underhood BATT3 and STOP/B/U/LAMPS Fuses, BCM Fuses: BTSI SOL/STR WHL LCK, RDO/S-BAND/VICS, REAR FOG/ALDL/TOP SWTCH, REVERSE LAMPS and TONNEAU RELSE, BCK/UP LAMP, STOP LAMP Relays
Power, Ground, DLC, Audio Amplifier, Radio and Audio Signals (U65)
Figure
4:
Pump and Valves (CM7)
Master Electrical Component List
Power Folding Top Description and Operation
Control Module References
Switches (CM7)
G301