GM Service Manual Online
For 1990-2009 cars only
Figure 1:

Park Lamp Control, Front Marker, Park and Position Lamps


Object Number: 1843439  Size: FS
Master Electrical Component List
Exterior Lighting Systems Description and Operation
Control Module References
Rear License, Marker and Park Lamps
Fuse Block - Underhood Bussing
Hazard, Stop Lamps, and Turn Signal Inputs
Rear License, Marker and Park Lamps
Headlamp/DRL Controls
G201
G101
G102
G101
G102
Figure 2:

Rear License, Marker and Park Lamps


Object Number: 1843455  Size: FS
Master Electrical Component List
Exterior Lighting Systems Description and Operation
Control Module References
Hazard, Stop Lamps, and Turn Signal Inputs
Park Lamp Control, Front Marker, Park and Position Lamps
Park Lamp Control, Front Marker, Park and Position Lamps
G302, G401, and G402
G302, G401, and G402
Figure 3:

Hazard, Stop Lamps, and Turn Signal Inputs


Object Number: 1843469  Size: FS
Master Electrical Component List
Exterior Lighting Systems Description and Operation
Control Module References
Hazard, Stop Lamps, and Turn Signal Outputs (Y07/Y67)
Rear License, Marker and Park Lamps
Fuse Block - Underhood BATT3 and STOP/B/U/LAMPS Fuses, BCM Fuses: BTSI SOL/STR WHL LCK, RDO/S-BAND/VICS, REAR FOG/ALDL/TOP SWTCH, REVERSE LAMPS and TONNEAU RELSE, BCK/UP LAMP, STOP LAMP Relays
DLC, HVAC Control Module, Radio and Switches
DLC, Ground, Indicators and Power
Hazard, Stop Lamps, and Turn Signal Outputs (Y07/Y67)
Hazard, Stop Lamps, and Turn Signal Outputs (Y87
Park Lamp Control, Front Marker, Park and Position Lamps
Hazard, Stop Lamps, and Turn Signal Outputs (Y07/Y67)
Hazard, Stop Lamps, and Turn Signal Outputs (Y87
Fuse Block - Underhood BATT3 and STOP/B/U/LAMPS Fuses, BCM Fuses: BTSI SOL/STR WHL LCK, RDO/S-BAND/VICS, REAR FOG/ALDL/TOP SWTCH, REVERSE LAMPS and TONNEAU RELSE, BCK/UP LAMP, STOP LAMP Relays
G201
G201
Figure 4:

Hazard, Stop Lamps, and Turn Signal Outputs (Y07/Y67)


Object Number: 1843504  Size: FS
Master Electrical Component List
Exterior Lighting Systems Description and Operation
Control Module References
Hazard, Stop Lamps, and Turn Signal Outputs (Y87
Hazard, Stop Lamps, and Turn Signal Inputs
G101
G102
Hazard, Stop Lamps, and Turn Signal Inputs
G101
Hazard, Stop Lamps, and Turn Signal Inputs
G102
G302, G401, and G402
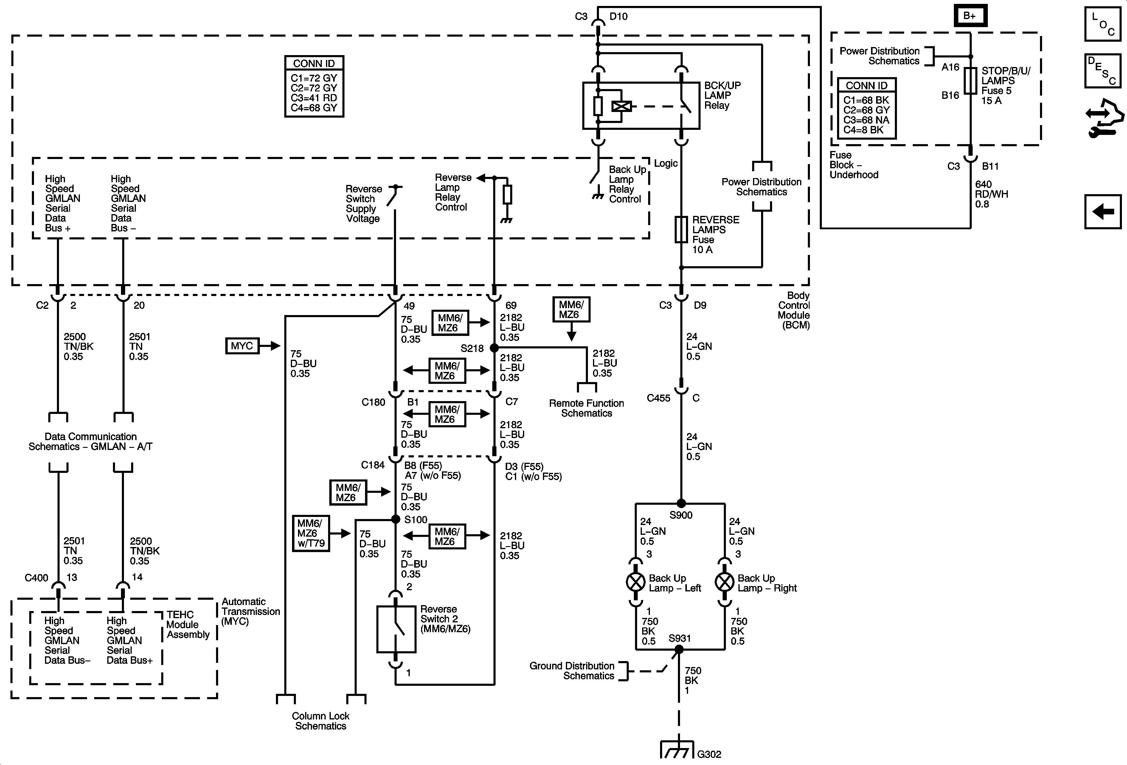
Figure 5:

Backup Lamps


Object Number: 1843514  Size: FS
Master Electrical Component List
Exterior Lighting Systems Description and Operation
Control Module References
Hazard, Stop Lamps, and Turn Signal Outputs (Y87
Fuse Block - Underhood Bussing
Fuse Block - Underhood BATT3 and STOP/B/U/LAMPS Fuses, BCM Fuses: BTSI SOL/STR WHL LCK, RDO/S-BAND/VICS, REAR FOG/ALDL/TOP SWTCH, REVERSE LAMPS and TONNEAU RELSE, BCK/UP LAMP, STOP LAMP Relays
GMLAN - A/T
Keyless Entry
G302, G401, and G402
Column Lock Schematics (ULS)
G302, G401, and G402
Figure 6:

Hazard, Stop Lamps, and Turn Signal Outputs (Y87)


Object Number: 1843509  Size: FS
Master Electrical Component List
Exterior Lighting Systems Description and Operation
Control Module References
Back Up Lamps
Hazard, Stop Lamps, and Turn Signal Outputs (Y07/Y67)
G101
G102
Hazard, Stop Lamps, and Turn Signal Inputs
G101
Hazard, Stop Lamps, and Turn Signal Inputs
G102
G302, G401, and G402