GM Service Manual Online
For 1990-2009 cars only
Makes
🢒
Chevrolet
🢒
2007
🢒
Corvette
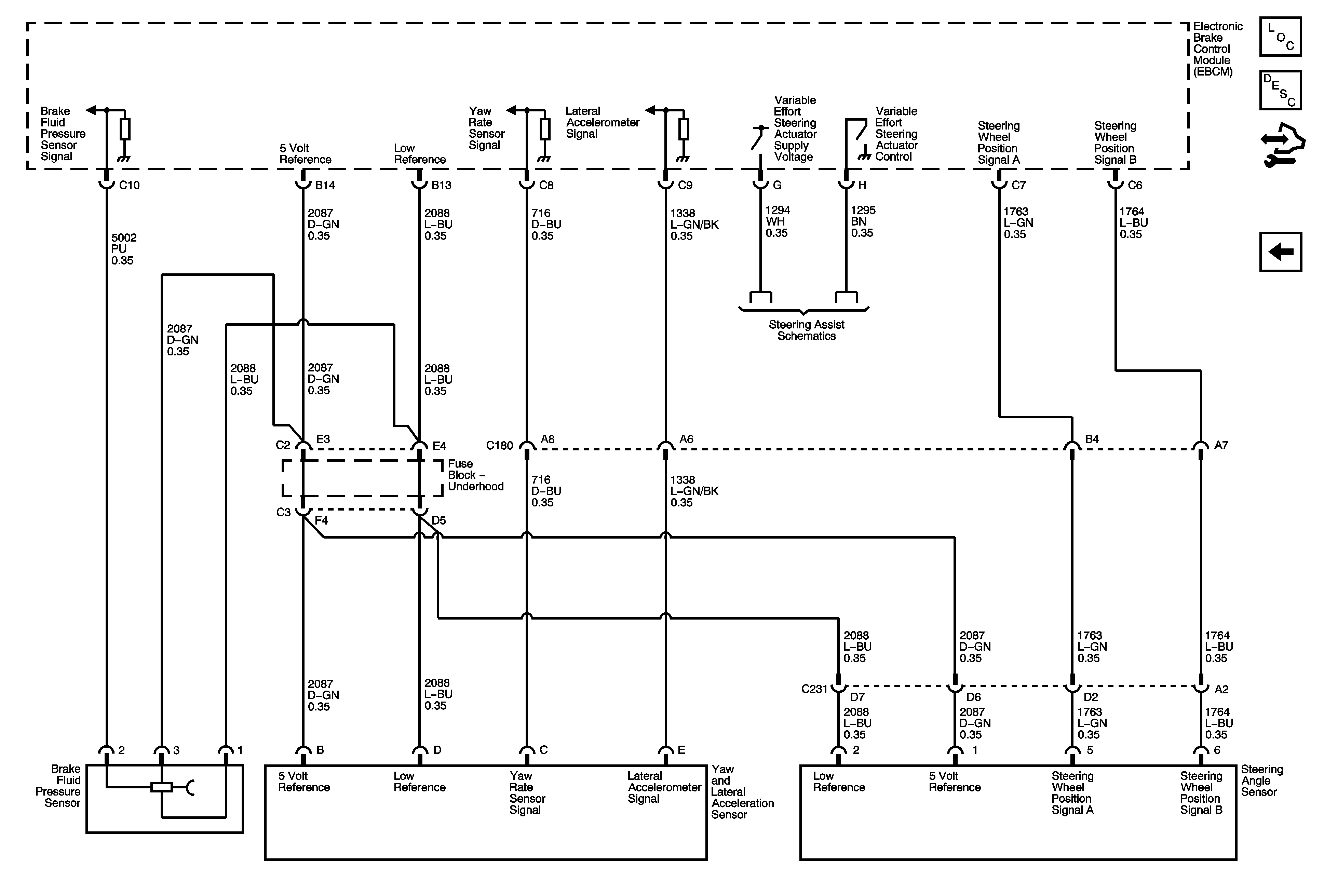
🢒 Stability Control Sensors (JL4)
Stability Control Sensors (JL4)
Stability Control Sensors (JL4)
Master Electrical Component List
ABS Description and Operation
Control Module References
Brake Pedal Signal and Traction Control Switch
Steering Assist Schematics