GM Service Manual Online
For 1990-2009 cars only

Engine Controls Schematics 6.2L

Figure 1:

ECM Power, Ground, MIL, and Serial Data


Object Number: 1892585  Size: FS
Master Electrical Component List
Engine Component Description 6.2L
Control Module References
5-Volt Reference Bussing
Figure 2:

5-Volt Reference Bussing


Object Number: 1892593  Size: FS
Master Electrical Component List
Engine Component Description 6.2L
Control Module References
Low Reference Bussing
ECM Power, Ground, MIL, and Serial Data
Figure 3:

Low Reference Bussing


Object Number: 1892597  Size: FS
Master Electrical Component List
Engine Component Description 6.2L
Control Module References
IAT/MAF, MAP, ECT Sensors, VSS, and Stop Lamp Signals
5-Volt Reference Bussing
Figure 4:

IAT/MAF, MAP, ECT Sensors, VSS, and Stop Lamp Signals


Object Number: 1892599  Size: FS
Master Electrical Component List
Engine Component Description 6.2L
Control Module References
Heated Oxygen Sensors
Low Reference Bussing
Figure 5:

Heated Oxygen Sensors


Object Number: 1892603  Size: FS
Master Electrical Component List
Engine Component Description 6.2L
Control Module References
Electronic Throttle Controls
IAT/MAF, MAP, ECT Sensors, VSS, and Stop Lamp Signals
Figure 6:

Electronic Throttle Controls


Object Number: 1892604  Size: FS
Master Electrical Component List
Engine Component Description 6.2L
Control Module References
Fuel Injectors and Fuel Pump Controls
Heated Oxygen Sensors
Figure 7:

Fuel Injectors and Fuel Pump Controls


Object Number: 1892607  Size: FS
Master Electrical Component List
Engine Component Description 6.2L
Control Module References
EVAP Solenoids and FTP Sensor
Electronic Throttle Controls
Figure 8:

EVAP Solenoids and FTP Sensor


Object Number: 1892609  Size: FS
Master Electrical Component List
Engine Component Description 6.2L
Control Module References
Ignition Controls Bank 1 (Odd) Ignition Coils
Fuel Injectors and Fuel Pump Controls
Figure 9:

Ignition Controls Bank 1 (Odd) Ignition Coils


Object Number: 1892611  Size: FS
Master Electrical Component List
Engine Component Description 6.2L
Control Module References
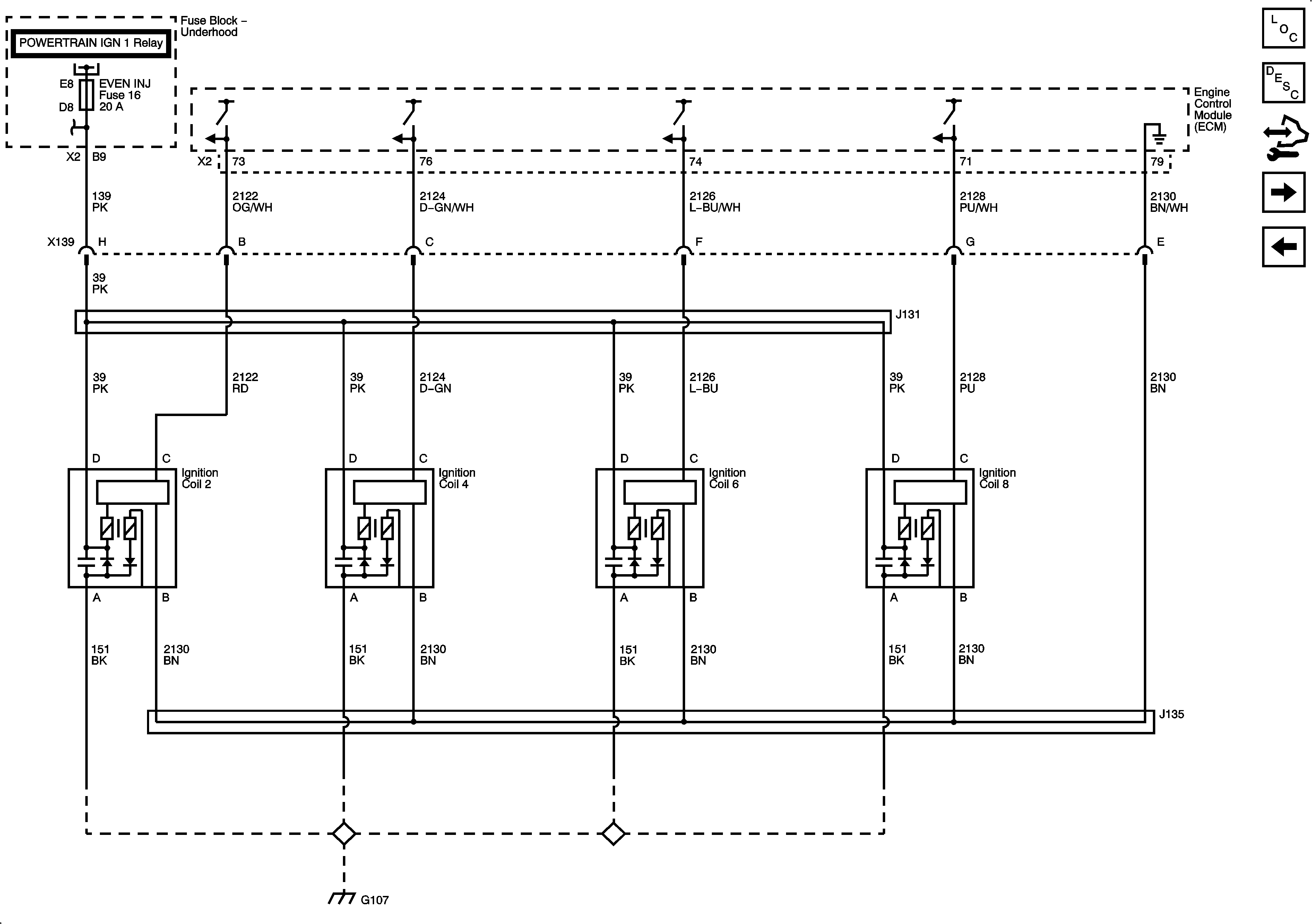
Ignition Controls Bank 2 (Even) Ignition Coils
EVAP Solenoids and FTP Sensor
Figure 10:

Ignition Controls Bank 2 (Even) Ignition Coils


Object Number: 1892620  Size: FS
Master Electrical Component List
Engine Component Description 6.2L
Control Module References
Ignition Controls - CMP, CKP, and KS Sensors
Ignition Controls Bank 1 (Odd) Ignition Coils
Figure 11:

Ignition Controls - CMP, CKP, and KS Sensors


Object Number: 1892623  Size: FS
Master Electrical Component List
Engine Component Description 6.2L
Control Module References
Controlled/Monitored Subsystem References
Ignition Controls Bank 2 (Even) Ignition Coils
Figure 12:

Controlled/Monitored Subsystem References


Object Number: 1892626  Size: FS
Master Electrical Component List
Engine Component Description 6.2L
Control Module References
Ignition Controls - CMP, CKP, and KS Sensors

Engine Controls Schematics 7.0L

Figure 1:

ECM Power, Ground, MIL, and Serial Data


Object Number: 1892632  Size: FS
Master Electrical Component List
Engine Component Description 7.0L
Control Module References
5-Volt Reference Bussing
Figure 2:

5-Volt Reference Bussing


Object Number: 1892636  Size: FS
Master Electrical Component List
Engine Component Description 7.0L
Control Module References
Low Reference Bussing
ECM Power, Ground, MIL, and Serial Data
Figure 3:

Low Reference Bussing


Object Number: 1892642  Size: FS
Master Electrical Component List
Engine Component Description 7.0L
Control Module References
IAT/MAF, MAP, ECT Sensors, VSS, and Stop Lamp Signals
5-Volt Reference Bussing
Figure 4:

IAT/MAF, MAP, ECT Sensors, VSS, and Stop Lamp Signals


Object Number: 1892646  Size: FS
Master Electrical Component List
Engine Component Description 7.0L
Control Module References
Heated Oxygen Sensors
Low Reference Bussing
Figure 5:

Heated Oxygen Sensors


Object Number: 1892649  Size: FS
Master Electrical Component List
Engine Component Description 7.0L
Control Module References
Electronic Throttle Controls
IAT/MAF, MAP, ECT Sensors, VSS, and Stop Lamp Signals
Figure 6:

Electronic Throttle Controls


Object Number: 1892651  Size: FS
Master Electrical Component List
Engine Component Description 7.0L
Control Module References
Ignition Controls Bank 1 (Odd) Ignition Coils
Heated Oxygen Sensors
Figure 7:

Ignition Controls Bank 1 (Odd) Ignition Coils


Object Number: 1892655  Size: FS
Master Electrical Component List
Engine Component Description 7.0L
Control Module References
Ignition Controls Bank 2 (Even) Ignition Coils
Electronic Throttle Controls
Figure 8:

Ignition Controls Bank 2 (Even) Ignition Coils


Object Number: 1892659  Size: FS
Master Electrical Component List
Engine Component Description 7.0L
Control Module References
Ignition Controls CMP, CKP, and KS Sensors
Ignition Controls Bank 1 (Odd) Ignition Coils
Figure 9:

Ignition Controls CMP, CKP, and KS Sensors


Object Number: 1892661  Size: FS
Master Electrical Component List
Engine Component Description 7.0L
Control Module References
Fuel Injectors and Fuel Pump Controls
Ignition Controls Bank 2 (Even) Ignition Coils
Figure 10:

Fuel injectors and Fuel Pump Controls


Object Number: 1892663  Size: FS
Master Electrical Component List
Engine Component Description 7.0L
Control Module References
EVAP Solenoids and FTP Sensor
Ignition Controls CMP, CKP, and KS Sensors
Figure 11:

EVAP Solenoids and FTP Sensor


Object Number: 1892669  Size: FS
Master Electrical Component List
Engine Component Description 7.0L
Control Module References
Controlled/Monitored Subsystem References
Fuel Injectors and Fuel Pump Controls
Figure 12:

Controlled/Monitored Subsystem References


Object Number: 1892673  Size: FS
Master Electrical Component List
Engine Component Description 7.0L
Control Module References
EVAP Solenoids and FTP Sensor