GM Service Manual Online
For 1990-2009 cars only
Figure 1:

Fuse Block - Underhood Bussing


Object Number: 1892517  Size: FS
Master Electrical Component List
Control Module References
Ignition Mode Switch
Figure 2:

Ignition Mode Switch


Object Number: 1892519  Size: FS
Master Electrical Component List
Control Module References
COOLFAN, AMP, HVAC, ABS, MRRTD, ECM/TCM/EASY KEY, HORN/ALT SENSE, and BATT2 Fuses
Fuse Block - Underhood Bussing
Figure 3:

COOLFAN, AMP, HVAC, ABS, MRRTD, ECM/TCM/EASY KEY, HORN/ALT SENSE, and BATT2 Fuses


Object Number: 1892520  Size: FS
Master Electrical Component List
Control Module References
BATT1, DRVR HTD SEAT, PASS HTD SEAT Fuses, and PRW/WNDWS TRUNK/FUEL RELSE, PWR SEATS MSM Circuit Breakers
Ignition Mode Switch
Figure 4:

BATT1, DRVR HTD SEAT, PASS HTD SEAT Fuses, and PRW/WNDWS TRUNK/FUEL RELSE, PWR SEATS MSM Circuit Breakers


Object Number: 1892531  Size: FS
Master Electrical Component List
Control Module References
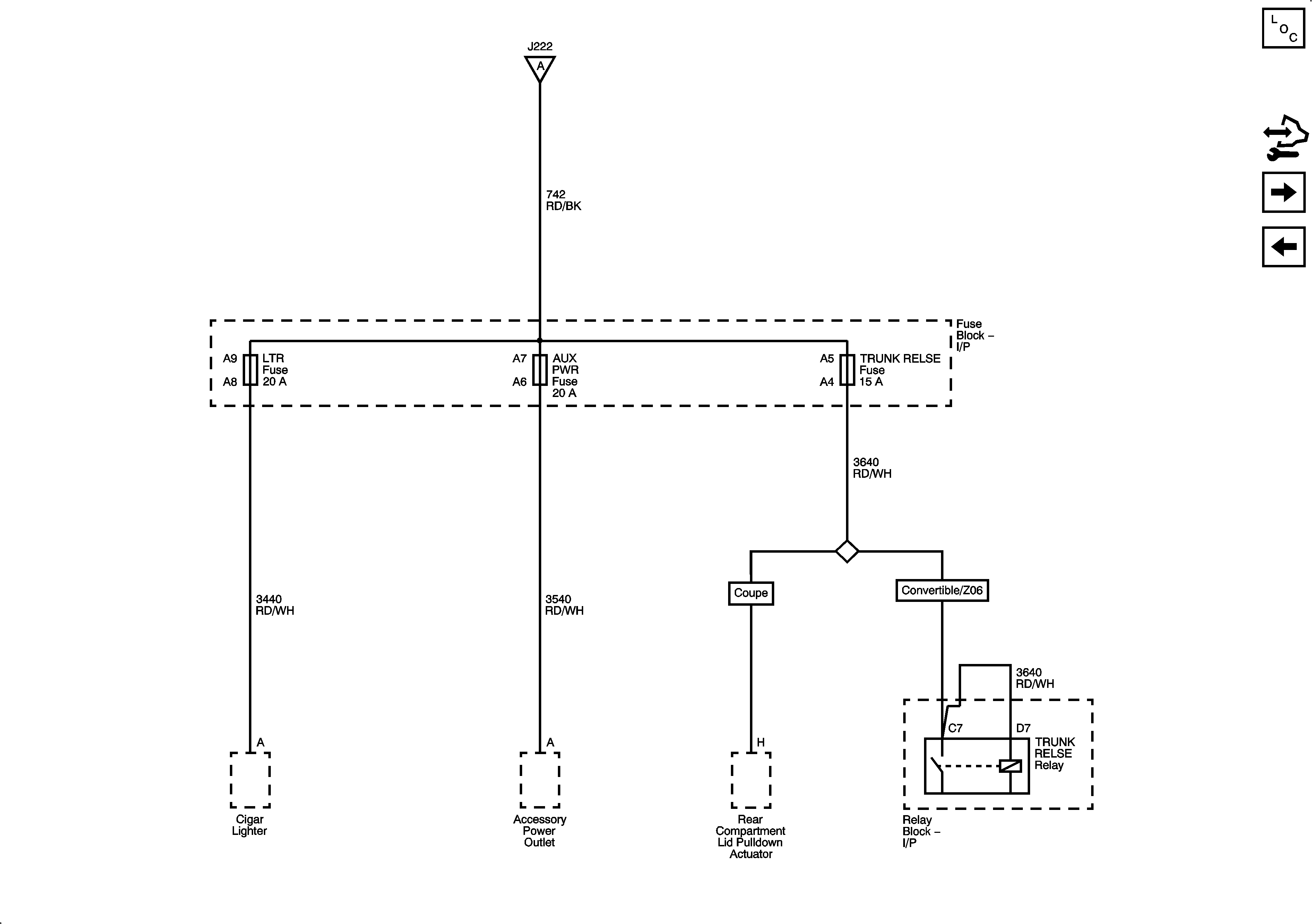
LTR, AUX PWR, and TRUNK RELSE Fuses
COOLFAN, AMP, HVAC, ABS, MRRTD, ECM/TCM/EASY KEY, HORN/ALT SENSE, and BATT2 Fuses
Figure 5:

LTR, AUX PWR, and TRUNK RELSE Fuses


Object Number: 1892533  Size: FS
Master Electrical Component List
Control Module References
BATT5, TELE SWTCH/MSM, DRIV DR SWTCH, IGN SWTCH/INTR SNSR, ONSTAR, and TPA Fuses
BATT1, DRVR HTD SEAT, PASS HTD SEAT Fuses, and PRW/WNDWS TRUNK/FUEL RELSE, PWR SEATS MSM Circuit Breakers
Figure 6:

BATT5, TELE SWTCH/MSM, DRIV DR SWTCH, IGN SWTCH/INTR SNSR, ONSTAR, and TPA Fuses


Object Number: 1892534  Size: FS
Master Electrical Component List
Control Module References
BATT3, STOP/B/U/LAMPS, BTSI SOL/STR WHL LCK, RDO/S-BAND/VICS, TONNEAU RELSE, REAR FOG/ALDL/TOP SWTCH, REVERSE LAMPS Fuses, and BCK/UP LAMP Relay
LTR, AUX PWR, and TRUNK RELSE Fuses
Figure 7:

BATT3, STOP/B/U/LAMPS, BTSI SOL/STR WHL LCK, RDO/S-BAND/VICS, TONNEAU RELSE, REAR FOG/ALDL/TOP SWTCH, REVERSE LAMPS Fuses, and BCK/UP LAMP Relay


Object Number: 1892535  Size: FS
Master Electrical Component List
Control Module References
CLSTR/HUD, EXH MDL, DR LCK, HVAC/PWR SND, CTSY/LAMP, ISRVM/HVAC, CRUISE SWTCH Fuses, and RUN CRNK Relay
BATT5, TELE SWTCH/MSM, DRIV DR SWTCH, IGN SWTCH/INTR SNSR, ONSTAR, and TPA Fuses
Figure 8:

CLSTR/HUD, EXH MDL, DR LCK, HVAC/PWR SND, CTSY/LAMP, ISRVM/HVAC, CRUISE SWTCH Fuses, and RUN CRNK Relay


Object Number: 1892537  Size: FS
Master Electrical Component List
Control Module References
HTD SEAT/WPR RLY, GMLAN RUN/CRNK, ECM, SDM/AOS SWTCH AIRBAG, TCM/TRANS, and ABS/MRRTD Fuses
BATT3, STOP/B/U/LAMPS, BTSI SOL/STR WHL LCK, RDO/S-BAND/VICS, TONNEAU RELSE, REAR FOG/ALDL/TOP SWTCH, REVERSE LAMPS Fuses, and BCK/UP LAMP Relay
Figure 9:

HTD SEAT/WPR RLY, GMLAN RUN/CRNK, ECM, SDM/AOS SWTCH AIRBAG, TCM/TRANS, and ABS/MRRTD Fuses


Object Number: 1892539  Size: FS
Master Electrical Component List
Control Module References
A/C COMP, PT INPUT/ETC, O2 SEN, MAN TRAN SOL, EMISSION, ODD INJ, EVEN INJ Fuses, and POWERTRAIN IGN1 Relay
CLSTR/HUD, EXH MDL, DR LCK, HVAC/PWR SND, CTSY/LAMP, ISRVM/HVAC, CRUISE SWTCH Fuses, and RUN CRNK Relay
Figure 10:

A/C COMP, PT INPUT/ETC, O2 SEN, MAN TRAN SOL, EMISSION, ODD INJ, EVEN INJ Fuses, and POWERTRAIN IGN1 Relay


Object Number: 1892542  Size: FS
Master Electrical Component List
Control Module References
WIPER, W/S WASH, LT HI BM, RT HI BM, LT LO BM, RT LO BM, WPR DWELL, WPR/WSW Fuses, and HIGH BEAM, LOW BEAM, WIPER RUN/ACC, WIPER ON/OFF, WIPER HI/LO Relays
HTD SEAT/WPR RLY, GMLAN RUN/CRNK, ECM, SDM/AOS SWTCH AIRBAG, TCM/TRANS, and ABS/MRRTD Fuses
Figure 11:

WIPER, W/S WASH, LT HI BM, RT HI BM, LT LO BM, RT LO BM, WPR DWELL, WPR/WSW Fuses, and HIGH BEAM, LOW BEAM, WIPER RUN/ACC, WIPER ON/OFF, WIPER HI/LO Relays


Object Number: 1892544  Size: FS
Master Electrical Component List
Control Module References
A/C COMP, PT INPUT/ETC, O2 SEN, MAN TRAN SOL, EMISSION, ODD INJ, EVEN INJ Fuses, and POWERTRAIN IGN1 Relay